Мастер выключатель — 10 глупых ошибок при подключении схемы через контактор.
Мастер-выключатель или мастер-кнопка — это очень простое устройство, которое добавляет безопасности в электрику любой квартиры и приносит спокойствие и комфорт в нашу жизнь.
Впервые с аналогами таких волшебных кнопок многие из нас могли познакомиться в зарубежных отелях.
Это когда выходишь из номера и достаешь из специального кармашка карту, а весь свет внутри автоматически отключается. Называется эта штука — карточный выключатель.
Все это можно реализовать и в домашних условиях без специальных карт. Причем “фишка” эта вовсе не для забывчивых граждан, как рекламируют некоторые электрики.
“Забывчивые” люди забудут не только про включенный свет или утюг в комнате, но и про эту самую кнопку 😊
Отдельные ретрограды и минималисты (“всю войну на пробках прошли!”) вообще категорически против подобных схем.
Недостатки у системы тоже имеются и не стоит этого скрывать.
Расширенный отзыв с негативными моментами из практики
Тем не менее, всего лишь один такой мастер выключатель может управлять не только освещением, но и розетками. Нажав клавишу возле входной двери, вы одним движением отключаете абсолютно всех потребителей за исключением приоритетной группы (неотключаемая нагрузка).
Неотключаемые линии – это те группы и розетки, которые в обязательном порядке должны продолжать работать, когда вас нет дома.
Сюда входят:
- холодильник
- газовый или электрический котел
- охранная сигнализация
- система защиты от протечек
- серверная
- видеонаблюдение
- аквариум
Рубильник вместо мастер-кнопки
Самое элементарное разделение нагрузок организовывается при помощи дополнительного рубильника в эл.щите. Нет, не такого 😊
Его еще называют выключателем нагрузки.
Схема здесь простейшая, даже отдельного одноклавишника не требуется:
Ошибка №1
Важно, чтобы рубильник при этом был номиналом выше или равен току вводного автомата.
Так как у него нет своей защиты и при превышении нагрузки он попросту сгорит.
Перед отъездом в отпуск вы открываете щитовую, отключаете этот рубильник, не трогая вводной автомат, и спокойно покидаете дом.
При всей своей простоте данная схема имеет один существенный недостаток. Далеко не у всех щитовая расположена прямо возле входной двери.
В частных домах она вообще может быть запрятана в подвале. Представьте себе, выключили вы рубильник и все освещение, а после этого давай выбираться в потемках на улицу.
И так каждый раз при покидании жилища. Тот еще экстрим и удобства.
Варианты монтажа – преимущества и недостатки
Поэтому на смену данному решению пришло удаленное управление нагрузкой 😊
С ним вам больше не нужно лезть в щитовую и щелкать там автоматами.
С виду мастер выключатель ничем не отличается от обычного. В качестве него, собственно говоря, и используется привычный нам одноклавишник.
Нажали его вниз – все эл.
оборудование в доме отключилось, вверх – включилось.
Вопрос, как это все реализовать с наименьшими затратами? Наиболее дорогой и сложный вариант – это программируемые логические реле или контроллеры (ПЛК).
Помимо их высокой стоимости, учитывайте еще и цену различных защит, которые вам придется воткнуть в щиток, зная качество нашего эл.сетевого питания с его перепадами и скачками напряжения.
Чуть менее дорогой – импульсные реле. У них главное преимущество в том, что обмотка устройства будет находиться под напряжением только в моменты переключения.
Мы же рассмотрим наиболее доступную для всех схему – на модульном контакторе.
Располагается он в общем эл.щите, где занимает по ширине место не более одного (при однофазном исполнении) или трех автоматов (при исполнении на четыре контактные группы).
Схему подключения контактора с мастер кнопкой может воплотить в жизнь практически любой электрик. Для импульсных реле, а тем более программируемых, придется искать хороших, грамотных специалистов.
Да и при выходе из строя такой замысловатой системы, вы ее навряд ли почините самостоятельно и будете вынуждены сидеть без света до прихода эл.монтажников.
Схема с контактором наиболее ремонтопригодна и проста в эксплуатации.
Выбор контактора
Как правильно подобрать контактор или пускатель?
Современный модульный контактор это уже не то громоздкое оборудование, что раньше.
Он отличается компактностью (монтаж на din-рейку) и отсутствием раздражающего шума при работе.
При выборе в первую очередь обращайте внимание на номинальный ток. Самые ходовые — это на 20А, 40А, 63А.
Контактор должен спокойно пропустить через себя не только всю подключенную через него нагрузку, но и не расплавиться при ее кратковременном превышении. Своей то защиты у него нет.
Ошибка №2
Поэтому нельзя, чтобы номинальный ток контактора был меньше, чем ток вводного автомата.
Желательно, чтобы он превышал на одну ступень его величину. Например, автомат 25А или 32А – контактор 40А; автомат 50А – контактор 63А и т.
д.
Ток, на который рассчитаны контакты можно найти на корпусе оборудования.
Вот эта надпись обозначает, что устройство имеет два ряда контактов, рассчитанных на максимальный ток в 20А на каждой паре.
То есть, суммарно к нему можно подключить нагрузку в 40А или ~ 8кВт.
Ошибка №3
Но это вовсе не значит, что он подойдет при вводном автомате в 25А или 32А.
Еще обращайте внимание на другие надписи и обозначения. К примеру, буковка “S” говорит о том, что это оборудование пониженной шумности.
У Hager есть такая серия. Для дома с щитовой внутри помещения желательно покупать именно бесшумные модели.
Нормально открытый или закрытый контактор – что лучше?
Еще смотрите на исполнение устройства. Контакторы бывают с нормально открытыми (NO) и нормально закрытыми контактами (NC).
Ошибка №4
Нам понадобятся открытые, а не закрытые.
Это означает, что когда на включающую катушку пускателя не поступает напряжение, силовые контакты остаются разомкнутыми и ток через них не проходит.
Вот соответствующий рисунок и обозначение такой серии на корпусе устройства.
Казалось бы, контактор с нормально закрытыми контактами намного лучше, ведь у него катушка не будет все время находится под напряжением 220В.
Однако всегда берите в расчет и учитывайте не только нормальные режимы, но и аварийные.
В аварийной ситуации (повреждение, возгорание и выход из строя управляющей катушки) у вас вся щитовая и приборы остаются под напряжением. А такого быть не должно.
При залипании вводного автомата возникает серьезная проблема с обесточиванием всего дома.
Кроме того, катушка соленоида у контактора с NO (нормально открытый) будет под напряжением, когда вы находитесь дома. В то время как с оборудованием NC, когда вас дома нет. Грубо говоря, контактор NO будет «гудеть», когда вы рядом, поблизости, а NC — когда вы далеко.
Представьте, что это отпуск протяженностью почти в месяц или более. Второй вариант (NC) менее безопасный и в свое отсутствие вы попросту не сможете оперативно среагировать на развитие аварийной ситуации.
Где устанавливать выключатель?
Итак, что мы имеем в исходных данных? Возьмем самую элементарную схему эл.снабжения любой квартиры или дома.
У нас есть однофазный эл.щит с двухполюсным автоматом на входе и вводным УЗО после него.
Далее идут модульные автоматы, от которых запитаны как линии освещения, так и розеточные группы. В том числе неотключаемая нагрузка – холодильник и охранная сигнализация.
Куда здесь подключать мастер выключатель? Для начала определимся с его правильным размещением.
Одноклавишный выключатель света монтируется возле двери на выходе из квартиры.
Ошибка №5
Только не ставьте его в одной рамке с выключателем общего света в коридоре или прихожей.
Иначе гости будут постоянно по ошибке клацать по этой клавише, не зная, что она “хитрая”, и отключать весь дом.
Кто-то даже прибегает к сверхскрытому и секретному монтажу данной кнопки 😊
Ошибка №6
Также не советуем ставить клавишу на стандартной высоте в 90см.
Лучше разместить этот выключатель как можно выше, подальше от маленьких детей, если таковые имеются в семье.
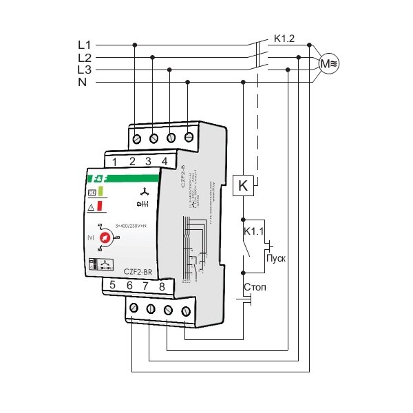
Контактор монтируете в щитке сразу после защитного УЗО.
Схема подключения контактора
Переходим к подключению проводов. У каждого контактора имеется катушка управления с выходами А1 и А2.
На них нам и нужно завести напряжение 220В. Причем питающая фаза, провоцирующая замыкание силовых контактов, как раз и подается через тот самый мастер-выключатель.
Итоговая схемка:
Ошибка №7
Перед контактором и мастер кнопкой не забудьте установить отдельный автомат для защиты катушки!
Витки катушки при длительной работе могут перегреться и замкнуть между собой. Без соответствующей защиты все это неминуемо приведет к пожару.
Ошибка №8
Автомат выбирайте минимального значения Iном=2-3А, а не 10А!
Схема подключения здесь следующая: фазу с УЗО заводите на автомат защиты катушки, а выход с него пускаете на одноклавишный выключатель.
Далее провод подключается на конец катушки А2.
На начало А1 цепляете нулевую жилу. Через силовые клеммы 1-2, 5-6 будут подключаться провода на все остальные автоматы в щитке.
Для того, чтобы на выключателях и контакторе было удобнее зажимать двойной провод под одну клемму, используйте специальные наконечники НШВИ-2.
Приоритетная группа (холодильник + сигнализация) подключается напрямую после УЗО.
Однолинейная схема подключения мастер-выключателя через контактор будет выглядеть следующим образом:
Разделение на группы потребителей, отключаемую-неотключаемую нагрузку вы делаете самостоятельно в зависимости от ваших потребностей.
Ошибка №9
Собрать такую схему только на одном выключателе без контактора не получится.
Все одноклавишники рассчитаны на максимальный ток не более 10-16А.
Схема без проводов
А что делать, если у вас дома уже сделан ремонт и возле двери нет никакого отдельного выключателя? Не будете же вы штробить заново стены и срывать обои, чтобы протянуть туда провода.
Можно ли подключить мастер выключатель в этом случае? Да, можно. Для этого вам понадобится дистанционный выключатель на радиоуправлении.
Такие продаются во многих китайских магазинах на Али. Их даже используют как проходные.
Просто приклеиваете его на любую поверхность (хоть на стекло), а в щитке перед контактором устанавливаете силовой радиомодуль величиной со спичечный коробок.
Ошибка №10
Только опять же, не подключайте всю нагрузку через этот модуль напрямую.
Он на это не рассчитан. Его нужно ставить именно перед катушкой контактора, а не вместо него!
К одному такому модулю можно привязать даже не один, а несколько выключателей или вообще брелок для удаленного управления из машины. Подробнее
Схема расключения проводов с беспроводной дистанционной мастер-кнопкой приведена ниже:
Мастер выключатель на sargas.
spb.ruПод понятием «Мастер выключатель» обычно имеется в виду выключатель, при нажатии на который происходит отключение всех световых групп, а также всех групп розеток, которые к нему подключены
Глобально есть два вида мастер-выключателей:
- Мастер-выключатель, который дает сигнал только на отключение соответствующих потребителей. При повторном нажатии включения не происходит.
- Мастер выключатель, управляющий контактором, к которому подключены нужные световые и розеточные группы. При его отключении контактор прерывает подачу электроэнергии, а при включении — возобновляет.
Первый вариант является корректным, он может быть реализован как с помощью традиционной проводки с небольшими изменениями, а второй вариант скрывает за собой неочевидные, на первый взгляд, недостатки.
Правильный мастер выключатель на основе QUID
QUID позволяет корректно реализовать сценарий центрального отключения даже в традиционных системах
Сценарий центрального отключения удобно использовать для выключения всего освещения, он запускается с помощью выключателя звонкового типа с возможностью подсветки.
Такой подсвечиваемый выключатель будет уместно разместить у изголовья кровати, около входной двери и в других местах, где может потребоваться центральное отключение всех, либо избранных групп света или розеточных групп.
Подробнее о системе QUID читайте в разделе:
Система QUID
Схема подключения управляемой розетки в системе «Мастер выключатель» на основе QUID
Для того, чтобы подключить управляемую розетку, которая будет участвовать в сценарии центрального отключения, но, при этом не будет центрально включаться, а только от местного выключателя можно использовать такую схему ( с применением реле QUID и звонковых кнопок)
Мастер выключатель на основе контактора
Данный тип центрального отключения достаточно популярен у тех, кто задумывается о дополнительных удобствах за минимальные деньги
На первый взгляд такой тип выключателя может обеспечить экономию времени, электроэнергии, а также обеспечить дополнительную безопасность. Мы с этим не согласны и сейчас объясним почему.
Принцип работы мастер выключателя на основе контактора
Обычный выключатель подключается к управляющим клеммам контактора, к которому, в свою очередь, подключаются все световые группы и управляемые розетки. Когда мастер-выключатель включен, контактор пропускает через себя ток, питая все подключенные устройства. При отключении же выключателя контактор прерывает подачу электроэнергии.
Если вы включите весь свет в доме с местных выключателей, то с помощью мастер клавиши вы будете весь свет выключать, а потом включать одновременно, что связано с некоторыми недостатками.
Пример работы мастер выключателя на основе контактора
Допустим, вы живёте в двухэтажном доме, на этапе строительства которого вам бригада свела все световые группы, а также некоторые розеточные группы вместе и подключила их через контактор, расположив его в щите,
Вы собираетесь выйти из дома, но не помните — во всех ли помещениях у вас выключен свет, к тому же у вас есть подозрение, что в постирочной остался включенным утюг, но вы не волнуетесь, ведь одним нажатием на клавишу вы отключаете всё и спокойно покидаете дом.
Через некоторое время приходит кто-то из вашей семьи, раньше вас.
Чтобы пользоваться светильниками и розетками ему нужно включить мастер выключатель. После этого весь свет в квартире зажигается, утюг вновь оказывается под напряжением.
Но об этом пришедшему неизвестно…
Получается, что мастер выключатель на основе контактора создал лишь видимость удобства, а на самом деле доставил только проблемы.
Плюс ко всему, блоки питания, как у светильников, так и у диодных лент имеют высокие пусковые токи — от 30 до 60 А, а их может быть десятки, так что при холодном старте скачок тока может быть в тысячу или даже в несколько тысяч ампер. Провод в 2.5 кв.мм рассчитан на ток в 25А. Да, пиковые значения длятся доли секунды, но они негативно воздействуют на технику, могут спровоцировать отключение автомата защиты и другие проблемы.
Невозможность использовать местные выключатели, когда главный отключатель обесточил систему делает бессмысленным использовать такой сценарий, когда в доме или квартире кто-то остается.
Недостатки мастер выключателя на основе контактора
- Единовременное включение всех нагрузок
- Отсутствие реальной экономии времени и ресурсов на управление светом
- Высокие пусковые токи, снижающие надёжность и безопасность работы электрической сети
- При случайном отключении, например, если гости перепутали, либо если ребенок похулиганил, всё отключится и необходимо снова активировать мастер клавишу
- Использовать сценарий «Центральное отключение» в качестве ночного режима нельзя
- Невозможно управлять приводами штор
Расположение мастер выключателя
Мастер-выключатели QUID для управления светом и шторами можно расположить при входе/выходе из дома или квартиры, также, в спальне или в кабинете, в общем, в тех местах, где может потребоваться функция отключения всех световых потребителей, а также централизованное управление шторами.
Стоит обратить внимание, что такой выключатель надо располагать так, чтобы исключить его случайное нажатие тогда, когда в доме кто-то есть.
Он должен внешне отличаться от других клавиш — может быть цветом, может быть пиктограммой. Это может быть вообще выключатель с ключом типа такого.
Что касается места расположения мастер выключателя на основе контактора, то всё вышесказанное относится к нему, только с более жесткими требованиями относительно несанкционированного или случайного доступа. По сути, в этом случае, такой главный элемент выполняет роль рубильника, который он, в общем то, и дублирует
Мастер выключатель в умном доме
При использовании систем управления «Умный дом» любой выключатель может быть назначен мастер-выключателем, так как это и есть сценарий «Выключить всё», он работает корректно, хотя уже требует навыков в настройке и подключении.
умный дом
Как выбрать и купить систему управления светом
Для того, чтобы определиться с выбором системы управления освещением приглашаем вас посетить наш шоу-рум, в котором представлены все возможные варианты.
Мы поможем вам определиться с выбором подходящего для вас варианта, а также:
- Поможем с расстановкой выключателей
- Сделаем расчет освещенности
- Нарисуем проект
- Произведем качественный электромонтаж
- Обучим настройке и созданию сценариев на нашем оборудовании
Остались вопросы?
установка через контактор, правила подключения в разных помещениях
Содержание статьи:
- Что такое главный выключатель
- Главный выключатель или автоматический выключатель
- Как оборудовать главный выключатель
Реализовать функцию мгновенного выключения света в доме можно без организации так называемого «умного дома».
Достаточно оснастить свой электрощиток контактором, который будет выключать свет в доме сразу же при поступлении сигнала извне. Он управляется с помощью специального устройства, называемого главным выключателем.
Что такое главный выключатель
Модульный контактор
Контактор представляет собой модульный элемент, устанавливаемый на DIN-рейку и обеспечивающий удобное переключение нагрузки в домашней системе электроснабжения. Его рабочие характеристики зависят от выбранного контактора. Например, если установлен главный выключатель с четырьмя группами контактов, то максимально допустимая коммутационная мощность каждой из них будет в районе 24 ампер. В подавляющем большинстве случаев такого выключателя достаточно, чтобы без проблем отключить электричество в вашей квартире или загородном доме.
Если в помещении используется однофазный источник питания мощностью до 20 ампер, вполне достаточно будет установить двухполюсный контактор.
Самый простой способ управления контактором – это использование главного отключающего устройства, которое будет размещено в помещении.
Такое устройство выглядит как обычный выключатель, который работает в двух положениях – «включено» и «выключено». При выключении свет сразу пропадает во всей комнате, независимо от положения других переключателей, а при повторном включении системы свет появляется только там, где он был включен.
Нет необходимости использовать один главный выключатель, который будет одновременно управлять как верхним светом, так и розетками. В домах в основном используется вариант с двумя отдельными приборами для каждого назначения. Причем в больших коттеджах используются выключатели, регулирующие подачу электричества по разным этажам или комнатам.
Главный выключатель или автоматический выключатель
Автоматические выключатели в электрощите многоквартирного дома
Использование рубильника — самый простой и распространенный вариант, который встречается повсеместно. Преимущества этого решения:
- Простота. Электрощитовое оборудование обслуживают люди с минимальными знаниями и навыками в области энергоснабжения.

- Надежность. Простота исполнения и минимум элементов в конструкции делают выключатель надежным вариантом.
- Компактность. Полезное пространство электрощита ничем не ограничено.
- Стоимость. Стоимость установки рубильника ниже по сравнению с аналогичными вариантами.
В целом автоматический выключатель – это долговечное и надежное решение, которое не мешает оборудованию электрощита, в отличие от установки главного выключателя на всю жилплощадь. В то же время выключатель не так удобен в эксплуатации, потому что магистральный выключатель в квартире проще в использовании по сравнению с выключателем, который установлен на самом щитке. Кроме того, потребуется дополнительная установка освещения на неотсоединяемых линиях по всей трассе до электрощита.
Так как автоматический выключатель должен располагаться внутри самого распределительного щита, то для обеспечения простого отключения всех устройств, для регулирования подачи электроэнергии вам придется подходить к нему и выполнять все операции вручную.
Модульный контактор в электрощите
Главный выключатель — универсальный вариант, обеспечивающий все необходимое. Не обязательно пользоваться кнопкой, которая находится в квартире и сразу выключает свет в доме. Вместо этого есть варианты целостной системы контроля доступа, удаленного отключения, доступа по картам и других. Это решение удобно, не требует дополнительной установки неотключаемого освещения к щиту, а также не представляет сложности в оснащении машины, которая сработает в нужный момент.
В то же время, так как оборудование нормальной работы контактора требует задействования ряда компонентов, в результате система становится ненадежной, т.к. при выходе из строя любого компонента она вообще перестает работать. К тому же большое количество элементов приводит к удорожанию и громоздкости такого решения, из-за чего оно занимает много места в щитке, но частично эта проблема решается установкой реле выбора фазы.
Выбор между главным выключателем и автоматическим выключателем необходимо делать исходя из ваших потребностей и предпочтений, так как каждый из них имеет свои преимущества и недостатки.
Как обустроить ГРЩ
В зависимости от того, где планируется использовать ГРЩ, меняется схема его подключения к квартире. Для разных объектов и помещений есть решения, обеспечивающие все необходимые потребности, поэтому выбирать их нужно с умом.
Станок
Схема подключения модульного контактора
В электрической системе машина находится в самом начале цепи, при этом физически находится рядом со счетчиком. Принцип работы этой схемы заключается в том, что пользователь задает максимально допустимую мощность электроэнергии, которую суммарно могут потреблять все приборы в помещении. При его превышении через некоторое время автомат сработает и полностью обесточит помещение. По неосторожности такое решение может только расстроить хозяина, отключив свет в самый неподходящий момент, но с другой стороны, является обеспечением пожарной безопасности.
При утечке тока или коротком замыкании свет выключается без задержки.
Схема «Гостиница»
Схема подключения главного выключателя
При одновременном использовании в помещении пяти и более электроприборов, что может привести к автоматическому отключению света, необходимо оборудовать его несколькими отдельными цепями на раз, каждый из которых будет иметь свою функцию. Каждая цепь подключена к определенной группе устройств, и даже одновременное использование нескольких устройств не превысит допустимой мощности вне зависимости от того, сколько энергии они потребляют. Такие электрические схемы в профессиональных кругах называют «гостиничными».
Ключевой особенностью такой схемы является необходимость в дополнительном приобретении нескольких десятков метров провода или кабеля, автоматов в нужном количестве, а также главного выключателя, которым будут регулироваться все автоматы. Таким образом можно будет легко включать и выключать свет во всей квартире или обесточивать нужную группу приборов.
Главный выключатель — это простое и удобное решение, которое не только упрощает регулирование света в помещении, но и обеспечивает пожарную безопасность, позволяя владельцу чувствовать себя спокойно, выходя из дома.
Электропроводка самолета
Рис. 1: Стандартный контактор. Катушка потребляет небольшой ток, но позволяет переключать нагрузки с очень высоким током, такие как стартер.
Рис. 2: Типичная схема подключения аккумуляторной батареи и контакторов стартера.
В этом месяце мы обсудим аккумуляторные и пусковые контакторы. Контакторы используются для переключения сильноточных нагрузок на самолете. Думайте о них как о большом реле. Катушка под напряжением создает магнитное поле и замыкает механический переключатель.
Катушка потребляет немного тока, но позволяет переключать очень сильноточные нагрузки, такие как стартер. На рис. 1 представлена схема, показывающая типовой контактор. На рис. 2 показано, как контакторы подключаются в типичной электрической системе. В экспериментальных самолетах обычно используются контакторы двух типов:
Аккумуляторные контакторы
Аккумуляторный контактор (также известный как главное реле, главный контактор или главный соленоид) представляет собой контактор с длительным режимом работы, и во время нормальной работы он сильно нагревается. Он поставляется с одной или двумя стойками для катушки. Обычно он потребляет около 0,7 ампер при 14 вольтах. Этот контактор переключается проводом, который идет от главного выключателя в кабине. Главный выключатель соединен с землей. Когда вы включаете главный выключатель, провод, идущий к контактору батареи, заземляется, а затем замыкается контактор, который затем подает питание на шину и контактор стартера.
Контактор батареи используется для изоляции батареи от остальной части коптера.
Его отключение (с помощью главного выключателя) обычно отключает питание самолета и кабины в случае чрезвычайной ситуации.
Спонсор освещения авиашоу:
Рис. 3: Главные контакторы с одной и двумя опорами. Внутренняя проводка показана внизу.
Контакторы пускателя
Контактор пускателя (также известный как реле пускателя) представляет собой реле прерывистого режима, предназначенное для работы только в течение коротких периодов времени. Этот контактор потребляет около 4 ампер при 14 вольтах.
На рис. 4 видно, что катушка контактора заземлена через скобу на задней стороне контактора. Катушка стартера находится под напряжением при подаче напряжения +12/24 В на контакт «S» (который управляет катушкой).
Рис. 4: Типовой контактор пускателя.
Рисунок 5: Диод на контакторе батареи.
Рисунок 6: Контактор пускателя, вид сверху.
Контактор пускателя обеспечивает питание пускового кабеля и пускателя только во время пуска.
Таким образом, не возникнет непосредственной проблемы, если пусковой кабель замкнет на двигатель во время полета. Кроме того, контактор пускателя сконструирован «в перевернутом виде», так что внутренний контакт остается разомкнутым во время маневров с высокой положительной перегрузкой.
Рекомендую установить диод поперек катушки на каждый контактор, используемый в самолете (главный, стартер, шасси, кондиционер и т.д.). Вы можете использовать обычный диод 1N5400, который можно приобрести в любом магазине электроники.
Почему лучше всего установить диод на обмотку контактора? Это сводит к минимуму искрение на контактах переключателя управления (главный и пусковой переключатели), продлевая срок службы переключателя. Вся энергия, хранящаяся в катушке, должна куда-то уходить, когда катушка обесточена, а диод позволяет отводить избыточную энергию. На рис. 8 показан эффект установки диода на катушке контактора.
Контакторы также используются в системах кондиционирования воздуха, гидравлических насосах и для соединения автобусов.
Поскольку они редко используются в экспериментальных самолетах, они здесь не рассматриваются.
Рисунок 7: Диод на контакторе стартера.
Рисунок 8: Влияние установки диода на катушку контактора.
Сигнализатор стартера
Если стартер заваривается, стартер может оставаться соединенным с коленчатым валом при работающем двигателе. Вы не можете услышать, когда это произойдет, но в будущем вы можете увидеть большой счет за ремонт. Может оказаться полезным подключить к панели индикаторную лампу стартера, которая загорается, когда контактор стартера замкнут.
Рис. 9: Расположение батареи и контакторов, установленных сзади. Предохранитель и шунт не показаны на выводе b генератора.
Аккумуляторы, устанавливаемые сзади
Электрические параметры аккумуляторов, устанавливаемых сзади, минимальны, но важны. Имейте в виду следующее:
• Контактор батареи должен быть установлен рядом с самой батареей. Если имеется короткое замыкание на главном силовом кабеле, идущем вперед, его можно исправить, выключив главный выключатель.

