Закрыть

Реверсивное подключение: Реверсивная схема подключения электродвигателя

Содержание

Реверсивная схема подключения электродвигателя

В домашнем хозяйстве приходится использовать различные приборы, которые помогают облегчить выполнение какой-то задачи. В некоторых случаях под потребности приходится собирать какой-то конкретный инструмент, который стоит довольно дорого или под него просто есть все необходимые компоненты. Часто для этого важно знать, как сделать схему подключения электродвигателя. Заставить его вращаться не так сложно, а изменить направление движения уже сложнее. В статье будет рассказано о том, как выполнить схему реверсивного подключения двигателя.

Принцип работы

Электрический двигатель представляет собой механизм, в котором вращение осуществляется под воздействием электромагнитных волн. В основу положено всего два компонента:

Вращается только первый элемента, а импульс на него подается со второго элемента. Чем выше мощность двигателя, тем больше его габариты. Из всего разнообразия различают:

  • коллекторные;
  • асинхронные.

В двигателях коллекторного типа питание на ротор подается через угольные щетки, которые касаются ламелей коллектора. Такие двигатели еще называют короткозамкнутыми. В асинхронных двигателях схема действия несколько отличается. В этом случае вращение происходит под воздействием двух сил:

  • магнитного поля;
  • индукции.

Напряжение от источника питания подается на фиксированные обмотки статора. При этом в нем возникают электромагнитные волны. Если напряжение переменное, тогда магнитное поле нестабильно и имеет определенные колебания. Благодаря этим колебаниям и происходит смещение ротора. Между ротором и статором есть небольшой воздушный зазор, благодаря которому и возможно беспрепятственное смещение. Магнитные волны из обмоток статора воздействуют на обмотки ротора, создавая напряжение. Благодаря такому воздействию возникает электродвижущая сила или ЭДС. Она заставляет магнитные волны взаимодействовать в обратном направлении тем, что есть в статоре, поэтому двигатель и называется асинхронным.

Обратите внимание! Чаще всего асинхронные двигатели имеют трехфазное подключение. Благодаря использованию дополнительных компонентов его можно переделать на работу от сети 220 вольт.

Требуемые компоненты

Самостоятельное подключение двигателя для реверсивного вращения не вызовет особых сложностей, если руководствоваться приведенной схемой. Одним из важных компонентов, который облегчит такую задачу является магнитный пускатель или контактор. На самом деле магнитный пускатель и контактор не являются тождественными понятиями. Если говорить просто, то контактор входит в состав магнитного пускателя, но для упрощения в статье оба понятия используются как равнозначные. Магнитные пускатели как раз и применяются для запуска, реверсивного движения и остановки асинхронных двигателей.

Возможно, возникает вопрос о том, почему нельзя использовать обычный рубильник или силовой автомат. В принципе, это допустимо, но не всегда пусковые токи, которые необходимы двигателю для нормального начала функционирования являются безопасными для человека. При включении может возникнуть пробой, который выведет из строя как выключатель, так и навредит оператору. Чтобы свести риски к минимуму, потребуется пускатель. В нем контактная часть отделена от той, с которой взаимодействует оператор. В нем есть отдельный модуль с катушкой, которая создает электромагнитное поле. Для работы катушки может потребоваться напряжение в 12 или больше вольт. При подаче этого напряжения происходит взаимодействие с металлическим сердечником, который втягивается внутрь катушки. К сердечнику закреплена пластина, которая уходит к контактной группе. Они замыкаются и происходит запуск двигателя. Остановка происходит в обратном порядке.

Кроме контактора, потребуется трехкнопочная станция. Одна клавиша выполняет функцию остановки, а две других функции запуска с разницей в направлении вращения. В трехкнопочной станции должно быть два нормально разомкнутых контакта и один нормально замкнутый. Если говорить просто, то нормальным положением контактора называется его нерабочее положение. То есть при воздействии на контакт он либо замыкается, либо размыкается. Если в рабочем состоянии он замкнут, то обозначается как НО, а если разомкнут, то обозначается как НЗ. Контакт НЗ применяется для кнопки остановки.

Принципиальная схема

На иллюстрации выше можно видеть принципиальную схему реверсивного подключения двигателя. Она отличается от обычной только наличием дополнительного модуля. Если говорить точнее, то в схеме задействуется два модуля управления. Один из них заставляет вращаться двигатель вправо, а другой влево. Взаимодействие оператора с модулями происходит посредством кнопок SB2 и SB3. Латинскими буквами A, B, C на схеме обозначены подводящие линии трехфазной сети. Они подходят к общему выключателю, который обозначен QF1. Далее идут два контактора КМ и цифровым обозначением. От контакторов цепь уходит к обмоткам двигателя. Каждый из этих контакторов вынесен отдельно и находится справа, где дополнительно можно рассмотреть их составные компоненты.

Процесс включения

Процесс включения двигателя довольно просто описать, используя все ту же схему. Первым делом происходит задействование общего рубильника QF1. Как только он включается, происходит подача напряжения по трем фазам. Но это напряжение не подается непосредственно на сам двигатель, т. к. еще нет четких указаний, в каком направлении он должен вращаться. Далее проводники проходят через автомат SF1 он выполняет защитную функцию, обесточивая всю систему в случае короткого замыкания. Далее следует кнопка выключения, которая также способна быстро разомкнуть цепь питания. Только после этого напряжение следует к клавишам SB2 и SB3, после воздействия на который, питание проходит к двигателю.

Обратите внимание! На схеме хорошо видно, что два контактора не могут быть задействованы одновременно, поэтому сбоя произойти не может.

Чтобы двигатель получил достаточное усилие для обратного вращения, необходимо переключить силовые фазы, для чего и предназначен пускатель КМ2. Если еще раз обратить внимание на схему, то можно заметить, что пускатель КМ1 имеет прямое подключение фаз к двигателю, а КМ2 обеспечивает некоторое смещение. Все происходит за чет первой фазы, она в этой схеме является ждущей. Как только она размыкается, прекращается подача напряжения на двигатель.

Обратите внимание! В реверсивной схеме подключения двигателя должен присутствовать дополнительный защитный модуль, который будет следить за тем, чтобы двигатель был остановлен перед началом нового цикла.

После полной остановки может быть задействована кнопка SB3. Она активирует второй пускатель. Последний меняет положение фаз, как показано на схеме. При этом дежурная фаза остается неизменной, питание от нее все так же подается на первый контакт двигателя. Изменения происходят во второй и третьей фазе. Благодаря этому обеспечивается реверсивное движение.

Этапы подключения

Подключение двигателя для реверсивного движения отличается в зависимости от того, какая сеть будет выступать питающей 220 или 380. Поэтому есть смысл рассмотреть их отдельно.

К трехфазной сети

Руководствуясь представленной схемой легко составить последовательность, в которой должно производиться подключение электродвигателя. Первым делом устанавливается основной силовой автомат. Его номинальное напряжение и сила тока должны быть рассчитаны на те, которые будет потреблять двигатель. Только в этом случае можно быть уверенным в бесперебойной работе. Перед монтажом автомата для двигателя потребуется обесточить сеть. Следующим устанавливается предохранительный выключатель. После него фазный кабель уходит на разрыв, на кнопку стоп, а уже от нее делается подключение к контакторам. На каждом элементе контактора и кнопочного поста обычно делаются соответствующие обозначения, которые упрощают процесс подключения. Видео о сборке тестовой схемы можно посмотреть ниже.

К однофазной сети

В домашних условиях часто приходится задействовать асинхронный двигатель, но не в каждом хозяйстве есть трехфазная сеть, поэтому важно знать, как подключить двигатель к однофазной сети. Для запуска от одной фазы требуется дополнительный импульс, чтобы его обеспечить подбирается конденсатор требуемой емкости. Если говорить проще, то конденсаторов должно быть два. Один из них является пусковым и подключается параллельно первому. Соединение обмоток двигателя выполняется по схеме «звезда». Если обмотки соединены другим способом и нет возможности его изменить, тогда не получиться выполнить требуемую схему.

Чтобы реверсивная схема функционировала потребуется переключение питания, которое поступает от конденсаторов между полюсами. Понадобится два выключателя и одна не фиксируемая кнопка. Одни из выключателей будет отвечать за подачу напряжения в цепь питания двигателя. Второй выключатель должен иметь три положения. В одном из них он будет выключенным, а в двух других изменять подачу питания от конденсаторов на обмотки. Не фиксируемая кнопка будет дополнительно подключать второй конденсатор на момент запуска двигателя.

Два вывода конденсатора подключаются между собой. К двум другим происходит подключение пусковой кнопки. Средний вывод трехпозиционного переключателя подключается к конденсаторам в том месте, где они объединены между собой. Два других вывода подключаются к клеммам двигателя, на которые приходит питание. Конденсаторы подключаются к выходу обмотки, которая применяется для запуска. Кнопка включения ставится в разрыв фазного провода.

Чтобы привести весь механизм в действие, необходимо подать питание на цепь двигателя основным выключателем. После этого задается направление вращения двигателя трехпозиционным выключателем. Далее нажимается кнопка пуска до момента выхода двигателя на рабочие обороты. Если возникает необходимость изменить направление вращения, тогда потребуется обесточить двигатель и дождаться его полной остановки, переключить трехпозиционный тумблер в противоположное крайнее положение и повторить процесс.

Резюме

Как видно реверсивное подключение требует определенных навыков, но может быть осуществлено без особых сложностей при соблюдении всех рекомендаций. Теперь не будет препятствий в использовании трехфазных агрегатов от однофазной сети, при этом следует понимать, что максимальная мощность будет ограничена, т. к. невозможен выход на полное потребление. На компонентах для подключения лучше не экономить, т. к. это скажется на сроке службы всей схемы. Во время сборки и запуска необходимо придерживаться всех правил безопасности работы с электрическим током.

Отправить комментарий

Схемы Подключения Трехфазного Асинхронного Электродвигателя и Описание

Подключение трехфазного асинхронного электродвигателя

Трехфазный асинхронный электродвигатель и подключение его к электрической сети часто вызывает массу вопросов. Поэтому в нашей статье мы решили рассмотреть все нюансы, связанные с подготовкой к включению, определением правильного способа подключения и, конечно, разберём возможные варианты схем включения двигателя. Поэтому не будем ходить вокруг да около, а сразу приступим к разбору поставленных вопросов.

Подготовка асинхронного электродвигателя к включению

Виды электродвигателей

На самом первом этапе нам следует определиться с типом двигателя, который мы собрались подключать. Это может быть трехфазный асинхронный двигатель с короткозамкнутым или фазным ротором, двух- или однофазный двигатель, а может быть и вовсе синхронная машина.

Помочь в этом может бирка на электродвигателе, на которой указана нужная информация. Иногда это можно сделать чисто визуально — так как мы рассматриваем подключение трехфазных электрических машин, то двигатель с короткозамкнутым ротором не имеет коллектора, а машина с фазным ротором имеет таковой.

Определение начала и конца обмотки

Трехфазный асинхронный электродвигатель имеет шесть выводов. Это три обмотки, каждая из которых имеет начало и конец.

Для правильного подключения мы должны определить начало и конец каждой обмотки. Существует множество вариантов того, как это сделать — мы остановимся на наиболее простых из них, применимых в домашних условиях.

Обмотки статора электродвигателя

  • Для того чтоб определить начало и конец обмотки трехфазного двигателя своими руками, мы должны для начала определить выводы каждой отдельной обмотки, то есть определить каждую отдельную обмотку.
  • Сделать это достаточно просто. Между концом и началом одной обмотки у нас обязательно будет цепь. Определить цепь нам помогут либо двухполюсный указатель напряжения с соответствующей функцией, либо обычный мультиметр.
  • Для этого один конец мультиметра подключаем к одному из выводов и другим концом мультиметра касаемся поочередно остальных пяти выводов. Между началом и концом одной обмотки у нас будет значение близкое к нулю, в режиме измерения сопротивления. Между остальными четырьмя выводами значение будет практически бесконечным.
  • Следующим этапом будет определение их начала и конца.

ЭДС при различных вариантах соединения обмоток электродвигателя

  • Для того чтоб определить начало и конец обмотки, давайте немного погрузимся в теорию. В статоре электродвигателя имеется три обмотки. Если подключить конец одной обмотки к концу другой обмотки, а на начало обмоток подать напряжение, то в месте подключения ЭДС будет равен или близок к нулю. Ведь ЭДС одной обмотки компенсирует ЭДС второй обмотки. При этом в третьей обмотке ЭДС не будет наводиться.
  • Теперь рассмотрим второй вариант. Вы соединили один конец обмотки с началом второй обмотки. В этом случае ЭДС наводится в каждой из обмоток, в результате получается их сумма. За счет электромагнитной индукции ЭДС наводится в третьей обмотке.

Схема определения начала и конца обмоток электродвигателя

  • Используя этот метод, мы можем найти начало и конец каждой из обмоток. Для этого к выводам одной обмотки подключаем вольтметр или лампочку. А любых два вывода других обмоток соединяем между собой. Два оставшихся вывода обмоток подключаем к электрической сети в 220В. Хотя можно использовать и меньшее напряжение.
  • Если мы соединили конец и конец двух обмоток, то вольтметр на третьей обмотке покажет значение близкое к нулю. Если же мы подключили начало и конец двух обмоток правильно, то, как говорит инструкция, на вольтметре появится напряжение от 10 до 60В (данное значение является весьма условным и зависит от конструкции электродвигателя).
  • Подобный опыт повторяем еще дважды, пока точно не определим начало и конец каждой из обмоток. Для этого обязательно подписывайте каждый полученный результат, дабы не запутаться.

Выбор схемы подключения электродвигателя

Практически любой асинхронный электродвигатель имеет два варианта подключения – это звезда или треугольник. В первом случае обмотки подключаются на фазное напряжение, во втором на линейное напряжение.

Электродвигатель асинхронный трехфазный и подключение звезда–треугольник зависит от особенностей обмотки. Обычно оно указано на бирке двигателя.

Номинальные параметры на бирке электродвигателя

  • Прежде всего, давайте разберемся, в чем отличие этих двух вариантов. Наиболее распространенным является соединение «звезда».
    Оно предполагает соединение между собой всех трех концов обмоток, а напряжение подается на начала обмоток.
  • При соединении «треугольник» начало каждой обмотки соединятся с концом предыдущей обмотки. В результате каждая обмотка у нас получается стороной равностороннего треугольника – откуда и пошло название.

Разница между схемами соединения «звезда» и «треугольник»

  • Отличие этих двух вариантов соединения состоит в мощности двигателя и условий пуска. При соединении «треугольником» двигатель способен развивать большую мощность на валу. В то же время момент пуска характеризуется большой просадкой напряжения и большими пусковыми токами.
  • В бытовых условиях выбор способа подключения обычно зависит от имеющегося класса напряжения. Исходя из этого параметра и номинальных параметров, указанных на табличке двигателя, выбирают способ подключения к сети.

Подключение асинхронного электродвигателя

Электродвигатель асинхронный трехфазный и схема подключения зависят от ваших потребностей.

Наиболее распространенным вариантом является схема прямого включения, для двигателей, подключенных схемой «треугольника», возможна схема включения на «звезде» с переходом на «треугольник», при необходимости возможен вариант реверсивного включения.

В нашей статье мы рассмотрим наиболее популярные схемы прямого включения и прямого включения с возможностью реверса.

Схема прямого включения асинхронного электродвигателя

В предыдущих главах мы подключили обмотки двигателя, и вот теперь пришло время включения его в сеть. Двигатели должны включаться в сеть при помощи магнитного пускателя, который обеспечивает надежное и одновременное включение всех трех фаз электродвигателя.

Пускатель в свою очередь управляется кнопочным постом – те самые кнопки «Пуск» и «Стоп» в одном корпусе.

Трехполюсный автоматический выключатель

Но прежде чем приступать непосредственно к подключению, давайте разберем, какое электрооборудование нам для этого необходимо.
Прежде всего, это автоматический выключатель, номинальный ток которого соответствует, либо немного выше номинального тока электродвигателя.

Номинальные параметры пускателей

Следующим коммутационным аппаратом является уже упоминавшийся нами пускатель. В зависимости он номинального тока пускатели разделяются на изделия 1, 2 и т. д. до 8-ой величины. Для нас важно, чтобы номинальный ток пускателя был не меньше, чем номинальный ток электродвигателя.

Кнопочный пост на две кнопки

Пускатель управляется при помощи кнопочного поста. Он может быть двух видов. С кнопками «Пуск» и «Стоп» и с кнопками «Вперед», «Стоп» и «Назад». Если у нас не используется реверс, то нам необходим кнопочный пост на две кнопки и наоборот.

Таблица выбора сечения провода

Кроме указанных аппаратов нам потребуется кабель соответствующего сечения. Так же желательно, но не обязательно, установка амперметра хотя бы на одну фазу, для контроля тока двигателя.

Обратите внимание! Вместо автомата вполне возможно применение предохранителей. Только их номинальный ток должен соответствовать номинальному току двигателя. А также должен учитывать пусковой ток, который у разных типов двигателей колеблется от 6 до 10 крат от номинального.

  1. Теперь приступаем непосредственно к подключению. Его условно можно разделить на два этапа. Первый это подключение силовой части, и второй — подключение вторичных цепей. Силовые цепи – это цепи, которые обеспечивают связь двигателя с источником электрической энергии. Вторичные цепи необходимы для удобства управления двигателем.
  2. Для подключения силовых цепей нам достаточно подключить вывода двигателя с первыми выводами пускателя, выводы пускателя с выводами автоматического выключателя, а сам автомат с источником электрической энергии.

Обратите внимание! Подключение фазных выводов к контактам пускателя и автомата не имеют значения. Если после первого пуска мы определим, что вращение неправильное, мы сможем легко его изменить. Цепь заземления двигателя подключается помимо всех коммутационных аппаратов.

Схема подключения первичных и вторичных цепей схемы включения электродвигателя

Теперь рассмотрим более сложную схему вторичных цепей. Для этого нам, прежде всего, как на видео, следует определиться с номинальными параметрами катушки пускателя. Она может быть на напряжение 220В или 380В.

  • Так же следует разобраться с таким элементом, как блок-контакты пускателя. Данный элемент имеется практически на всех типах пускателей, а в некоторых случаях он может приобретаться отдельно с последующим монтажом на корпус пускателя.

Расположение элементов пускателя

  • Эти блок-контакты содержат набор контактов – нормально закрытых и нормально открытых. Сразу предупредим – не пугайтесь в этом нет нечего сложного. Нормально закрытым называется контакт, который при отключенном положении пускателя – замкнут. Соответственно нормально открытый контакт в этот момент разомкнут.
  • При включении пускателя нормально закрытые контакты размыкаются, а нормально открытые контакты замыкаются. Если мы говорим за электродвигатель трехфазный асинхронный и подключение его к электрической сети, то нам необходим нормально открытый контакт.

Нормально закрытые и нормально открытые контакты

  • Такие контакты есть и на кнопочном посту. Кнопка «Стоп» имеет нормально закрытый контакт, а кнопка «Пуск» нормально открытый. Сначала подключаем кнопку «Стоп».
  • Для этого соединяем один провод с контактами пускателя между автоматическим выключателем и пускателем. Его подключаем к одному из контактов кнопки «Стоп». От второго контакта кнопки должно отходить сразу два провода. Один идет к контакту кнопки «Пуск», второй к блок-контактам пускателя.

Подключение кнопки «Пуск» и «Стоп»

  • От кнопки «Пуск» прокладываем провод к катушке пускателя, туда же подключаем провод от блок-контактов пускателя. Второй конец катушки пускателя подключаем либо ко второму фазному проводу на силовых контактах пускателя, при использовании катушки на 380В, либо он подключается к нулевому проводу, при использовании катушки на 220В.
  • Все, наша схема прямого включения асинхронного двигателя готова к использованию. После первого включения проверяем направление вращения двигателя и если вращение неправильное, то просто меняем местами два силовых провода на выводах пускателя.

Схема реверсивного включения электродвигателя

Распространенным вариантом подключения асинхронного электродвигателя является вариант с использованием реверса. Такой режим может потребоваться в случаях, когда необходимо изменять направление вращения двигателя в процессе эксплуатации.

  • Для создания такой схемы нам потребуются два пускателя из-за чего цена такого подключения несколько возрастает. Один будет включать двигатель в работу в одну сторону, а второй в другую. Тут очень важным моментом является недопустимость одновременного включения обоих пускателей. Поэтому нам необходимо во вторичной схеме предусмотреть блокировку от таких включений.
  • Но сначала давайте подключим силовую часть. Для этого, как и приведенном выше варианте, подключаем от автомата пускатель, а от пускателя — двигатель.
  • Единственным отличием будет подключение еще одного пускателя. Его подключаем к вводам первого пускателя. При этом важным моментом будет поменять местами две фазы, как на фото.

Схема реверсивного подключения электродвигателя с катушкой пускателя на 220В

  • Вывода второго пускателя просто подключаем к выводам первого. Причем здесь уже ничего не меняем местами.
  • Ну, а теперь, переходим к подключению вторичной схемы. Начинается все опять с кнопки «Стоп». Ее подключаем к одному из приходящих контактов пускателя – неважно первого или второго. От кнопки «Стоп» у нас вновь идут два провода. Но теперь один к контакту 1 кнопки «Вперед», а второй к контакту 1 кнопки «Назад».

Схема реверсивного подключения электродвигателя с катушкой пускателя на 220В

  • Дальнейшее подключение приводим по кнопке «Вперед» — по кнопке «Назад» оно идентично. К контакту 1 кнопки «Вперед» подключаем контакт нормально открытого контакта блок-контактов пускателя. Каламбур, но точнее не скажешь. К контакту 2 кнопки «Вперед» подключаем провод от второго контакта блок-контактов пускателя.
  • Туда же подключаем провод, который пойдет к нормально закрытому контакту блок-контактов пускателя номер два. А уже от этого блок-контакта он подключается к катушке пускателя номер 1.  Второй конец катушки подключается к фазному или нулевому проводу в зависимости от класса напряжения.
  • Подключение катушки второго пускателя производится идентично, только ее мы подводим к блок-контактам первого пускателя. Именно это обеспечивает блокировку от включения одного пускателя, при подтянутом положении второго.

Вывод

Способы подключения асинхронного трехфазного электродвигателя зависят от типа двигателя, схемы его соединения и задач, которые стоят перед нами. Мы привели лишь самые распространенные схемы подключения, но существуют и еще более сложные варианты. Особенно это касается асинхронных машин с фазным ротором, которые имеют функцию торможения.

Чем_отличается_реверсивный_пускатель_от_нереверсивного

Принцип работы магнитного пускателя нереверсивного типа состоит в следующем: после включения пускателя электрический ток проходит через катушку пускателя, намагничивается сердечник и, соответственно, притягивает якорь, замыкая при этом главные контакты, и ток начинает протекать по главной цепи. Во время отключения электромагнитного пускателя катушка обесточивается, якорь под воздействием возвратной пружины возвращается в исходное положение, и размыкаются главные контакты.

Если вследствие перебоев в снабжении электричеством электромагнитный пускатель отключается, то все его контакты размыкаются, как главные, так и вспомогательные.

Магнитный пускатель состоит из кнопочного поста, контактора и теплового реле. Контактор магнитного пускателя имеет, в основном, три главные системы контактов, служащие для включения в трехфазную сеть, и блок контактов количеством от 1 до 5 штук.

Если нажать на кнопку пуск, то на обмотку ОР контактора (обмоток реле) будет подано напряжение, контактор сработает, замкнув главные контакты ГК и блок-контакты БК. Блок-контакты производят шунтирование контактов нажатой кнопки, чем позволяют отпустить ее после того, как двигатель запустится.

Рисунок 1 — Схема пускателя нереверсивного магнитного

При нажатии на кнопку «стоп» происходит разрыв цепи питания обмоток реле и размыкание главных контактов. Если резко возрастет сила потребляемого тока вследствие неисправности или перегрузки электрического двигателя, то произойдет срабатывание теплового реле (ТР) и разомкнутся его контакты (КТР), которые включены в цепи питания обмоток реле ОР. Высокий коэффициент возврата электрических магнитов контактора переменного тока дает возможность защитить двигатель от резкого понижения напряжения в электрической сети. После того, как напряжение восстановится, не происходит самопроизвольное включение магнитного пускателя, так как после размыкания контакта БК цепь катушки пускателя остается не замкнута.

Принцип действия реверсивного магнитного пускателя (схема реверсивного пускателя).

Чтобы изменить направление вращения ротора асинхронного электрического двигателя, требуется изменение порядка фаз обмотки его статора. Вэлектромагнитном пускателе реверсного типа применяют два идентичных устройства: КМ2 и КМ1. Если случайно одновременно включить оба контактора, то произойдет короткое замыкание. Чтобы это исключить, схему электромагнитного пускателя снабжают специальной блокировкой.

Если после того, как будет нажата кнопка SB3 «Вперед» и включится контактор КМ1 надавить на кнопку «Назад» SB2, размыкающий контакт кнопки SB2 моментально произведет отключение катушки контактора КМ1, а, в свою очередь, контакт замыкающий в катушку контактора КМ2 подаст электричество. Так происходит реверсирование электрического двигателя.

Электрическая схема электромагнитного реверсивного пускателя, имеющего блокировку на вспомогательных размыкающих контактах.

Рисунок 2 — Схема пускателя реверсивного магнитного

При такой схеме включение любого из контакторов, к примеру КМ1, приведет к тому, что разомкнется цепь питания катушки другого контактора КМ2. Чтобы произвести реверс, необходимо предварительно нажав на кнопку SB1 «Стоп» произвести отключение контактора КМ1. Чтобы схема работала надежно требуется, чтобы главные контакты контактора КМ1 были разомкнуты раньше, чем будут замкнуты размыкающие вспомогательные контакты в цепи контактора КМ2. Этого достигают, проведя соответствующую регулировку положения контактов вспомогательных по ходу якоря электрического двигателя.

Электромагнитный пускатель являет собой низковольтное комбинированное электромеханическое приспособление, специализированное для запуска трёхфазных электродвигателей, для обеспечения их постоянной работы, для отключения питания, а в некоторых случаях и для охраны цепей электродвигателя и иных подключённых цепей. Определённые двигатели обладают функцией реверса мотора.

По сущности, электромагнитный пускатель — это улучшенный, изменённый контактор. Но более компактный, нежели контактор в обычном понятии: легче по весу и рассчитан непосредственно для работы с двигателями. Определённые модификации магнитных пускателей опционально оборудованы тепловым микрореле аварийного отключения и защитой от обрывания фазы.

Для управления запуском мотора путём замыкания контактов устройства предназначается клавиша или слаботочная группа контактов:

  • с катушкой на определённое напряжение;
  • в некоторых случаях — и то и другое.

В пускателе за коммутирование силовых контактных отвечает непосредственно катушка в металлическом сердечнике, к которой прижимается якорь, давящий на контакты и замыкающий цепь. При выключении питания катушки возвратная пружинка перемещает якорь в противоположное положение — цепь размыкается. Каждый контакт находится в дугогасительной специальной камере.

Реверсивные и нереверсивные пускатели

Устройства бывают различных видов и выполняют все поставленные задачи.

Пускатели бывают двух типов:

В реверсивном пускателе в одном корпусе существуют два единичных магнитных устройства, имеющих электрическое подсоединение между собой и прикреплённых в совокупном основании, но функционировать может только один из данных пускателей — или только первый, или только второй.

Реверсивный прибор вводится через естественно-закрытые блокировочные контакты, роль которых — устранить синхронное включение двух групп контактов — реверсивной и нереверсивной, для того чтобы не случилось межфазного замыкания. Определённые модификации реверсивных пускателей для предоставления этой же функции имеют защиту. Фазы питания возможно переключать по очереди для того, чтобы выполнялась главная функция реверсивного пускателя — перемена направления вращения электродвигателя. Изменился порядок чередования фаз — поменялось и направление ротора.

Возможности пускателей

Для лимитирования пускового тока трёхфазного двигателя его обмотки могут связываться «звездой», затем, если мотор вышел на номинальные обороты, перейти в «треугольник». При этом магнитные пускатели могут быть: раскрытыми и в корпусе, реверсивными и нереверсивными, с защитой от перегрузок и без защиты от нагрузки.

Каждый электромагнитный пускатель имеет блокировочные и силовые контакты. Силовые коммутируют нагрузки. Блокировочные контакты нужны для управления работой контактов. Блокировочные и силовые контакты бывают естественно-незамкнутыми либо нормально-закрытыми. В принципиальных схемах контакты изображают в их нормальном состоянии.

Удобство использования реверсивных пускателей невозможно пересмотреть. Это и эксплуатационное управление трёхфазными асинхронными моторами разных станков и насосов, и управление системой вентиляции, арматурой, вплоть до замков и вентилей отопительной системы. Особенно примечательна вероятность удалённого управления пускателями, если электрический источник дистанционного управления коммутирует катушки пускателей аналогично реле, а последние безопасно связывают силовые цепи.

Конструкция реверсивного магнитного двигателя

Распространение этих модификаций становится все обширнее с каждым годом, так как они помогают управлять асинхронным двигателем на дистанции. Это приспособление даёт возможность как включать, так и отключать мотор.

Корпус реверсивного пускателя состоит из таких следующих частей:

  1. Контактор.
  2. Тепловое микрореле.
  3. Кожух.
  4. Инструменты управления.

После того как поступила команда «Пуск», цепь замыкается. Далее ток начинает передаваться на катушку. В это же время действует механическое блокирующее приспособление, которое не дает запуститься ненужным контактам. Здесь нужно отметить, что механическая блокировка также закрывает и контакты клавиши, это дает возможность не удерживать её надавленной постоянно, а спокойно освободить. Еще одна важная часть состоит в том, что вторая клавиша этого устройства совместно с пуском всего аппарата будет размыкать электрическую цепь. Благодаря этому даже надавливание не дает практически никакого результата, формируя дополнительную безопасность.

Особенности функционирования модели

При нажатии клавиши «Вперед» действует катушка, и вводятся контакты. Вместе с этим выполняется операция пусковой клавиши постоянно разомкнутыми контактами устройства КМ 1.3, благодаря чему при непосредственном отпускании клавиши питание на катушку действует по шунтированию.

После введения первого пускателя размыкаются именно контакты КМ 1.2, что отключает катушку К2. В итоге при непосредственном нажатии в клавишу «Назад» ничего не происходит. Для того чтобы ввести мотор в обратную сторону необходимо надавить «Стоп» и обесточить К1. Все блокировочные контакты возвратиться могут в противоположное состояние, после этого возможно ввести мотор в противоположном направлении. Аналогично при этом вводится К2 и отключается блок с контактами. Происходит включение катушки 2 пускателя К1. К2 содержит силовые контакты КМ2, а К1- КМ1. К кнопкам для подсоединения от пускателя следует провести пятижильный провод.

Правила подключения

В любой установке, в которой требуется пуск электродвигателя в прямом и в противоположном направлении, непременно существует электромагнитный прибор реверсивной схемы. Подсоединение подобного элемента не считается столь непростой задачей, как может показаться на первый взгляд. К тому же нужность подобных задач возникает довольно часто. К примеру, в сверловочных станках, отрезных конструкциях либо же лифтах, если это не касается домашнего применения.

Принципиальным различием трехфазной схемы от одинарной считается наличие дополнительной цепочки управления и несколько модифицированной энергосиловой части. Кроме того, для реализации переключения подобная установка оборудована клавишей. Подобная система, как правило, защищена от замыкания. Для этого перед самими катушками в цепи предусмотрено присутствие двух нормально-замкнутых силовых контактов (КМ1.2 и КМ2.2), помещённых в позиции (КМ1 и КМ2).

Реверсивное подключение трехфазного двигателя

При работе выключателя QF1, одновременно все без исключения три фазы прилегают к контактам пускателя (КМ1 и КМ2) и находятся в таком состоянии. При этом первая стадия, представляющая собой питание для цепочки управления, протекая через аппарат защиты схемы управления SF1 и клавишу выключения SB1, непосредственно подаёт напряжение в контакты под третьим номером, который относится к SB2, SB3. При этом существующий контакт 13НО приобретает значение основного дежурного. Подобным способом система считается целиком готовой к работе.

Переключение системы при противоположном вращении

Задействовав клавишу SB2, направляем напряжение первой фазы в катушку, что относится к пускателю КМ1. Уже после этого совершается введение нормально-разомкнутых контактов и выключение нормально-замкнутых. Подобным образом, замыкая имеющийся контакт КМ1, совершается эффект самозахвата магнитного устройства. При этом все без исключения три фазы поступают в нужной обмотке двигателя, который, в свою очередь, начинает формировать вращательное перемещение.

Созданная модель предусматривает наличие одного рабочего приспособления. К примеру, может функционировать только лишь КМ1 либо же, напротив, КМ2. Отмеченная цепь обладает действительными элементами.

Изменение поворотного движения

Теперь для придания противоположного направления перемещения вам следует поменять состояние силовых фаз, что удобно совершить при помощи переключателя КМ2. Все совершается благодаря размыканию первой фазы. При этом все без исключения контакты вернутся в исходное состояние, обесточив обмотку мотора. Эта фаза считается ждущим режимом.

Задействование клавиши SB3 приводит в работу электромагнитный пускатель КМ2, который в свою очередь изменяет положение второй и третьей фазы. Это влияние вынуждает мотор вращаться в противоположном направлении. Теперь КМ2 будет ведущим, и пока не случится его разъединение, КМ1 будет не задействован.

Защита цепей от короткого замыкания

Как уже было заявлено прежде, прежде чем осуществить процесс перемены фазности, необходимо прекратить вращение мотора. Для этого в системе учтены нормально-замкнутые контакты. Поскольку при их нехватке невнимательность оператора привела бы к межфазному непосредственному замыканию, которое может случиться в обмотке мотора второй и третьей фазы. Предложенная модель считается оптимальной, поскольку допускает работу только лишь одного магнитного пускателя.

Схема подсоединения реверсивного магнитного пускателя считается ядром управления, так как много электрооборудования функционирует на реверсе, и непосредственно этот аппарат меняет направление верчения мотора.

Реверсивные схемы электромагнитных пускателей устанавливают там, где они на самом деле нужны, поскольку существуют подобные устройства, а обратный процесс недопустим и может вызвать серьёзную поломку автоматического характера.

Произойдёт короткое замыкание между фазами L1 и L3.


Следует учитывать особенности решения разных практических задач.

Устройство и принцип работы Чтобы лучше понимать схемы подключения магнитного пускателя, необходимо разобраться в его устройстве и принципе работы. Магнитопровод состоит из двух частей — подвижной и неподвижной.
Схема подключения проходного выключателя — переключателя.

В этом случае схема выглядит как на рисунке ниже. Двигатель останавливается.

При этом в нем возникают электромагнитные волны.

Разница между прямым и реверсивным пускателями Главное отличие нереверсивного и реверсивного пусковых устройств, состоит в схеме подключения. Напряжение от источника питания подается на фиксированные обмотки статора.

Пускатели марки ПМЛ широко применяются в схемах реверса трехфазного двигателя для реализации дистанционного пуска в насосных станциях, в башенных кранах и вентиляционных системах, в других механизмах.

Нереверсивное подключение электродвигателя

Некоторые пускатели обладают функцией реверсирования двигателя, однако обо всем по порядку. При подаче напряжения реле времени обозначены КТ1 и КТ2 в цепи управления срабатывают, размыкая свои контакты. Но более компактный, нежели контактор в обычном понятии: легче по весу и рассчитан непосредственно для работы с двигателями. После него фазный кабель уходит на разрыв, на кнопку стоп, а уже от нее делается подключение к контакторам.

Изменение поворотного движения Изменение режимов через остановку предотвращает быструю подачу напряжения на другие обмотки электродвигателя. Силовые непосредственно коммутируют цепь мощной нагрузки, в то время как блокировочные необходимы для управления работой силовых контактов.

Контакт нормально замкнутый ТР включается в цепь катушки управления КМ. Если скорость ротора меньше скорости вращения магнитного поля, то силовые линии вращающегося магнитного поля будут пересекать проводники обмотки ротора и индуктировать в них ЭДС.

В электромагните КМ1 создаётся магнитное поле. Это специфическое оборудование, которое необходимо для коммутации силовых целей с большими нагрузками, как на постоянном, так и на переменном токе.

Двигатель 1,5кВт, ток по каждой фазе 3А, ток теплового реле — 3,5 А.

Их отличает высокая надежность, они очень просты в эксплуатации и техническом обслуживании, могут работать в прямом подключении к сетям переменного тока. В этом случае фаза заводится на контакт L1, а ноль можно взять, подключившись к соответствующему разъему выхода катушки на фото выше это A2.

Пускатель выполняет коммутационную функцию силовыми контактами и подачу напряжения на двигатель.
Как правильно собрать реверсивный пускатель.

Возможности пускателей

Ситуация, с которой чаще всего сталкивается обычный человек на практике, это необходимость собрать схему подключения реверса электродвигателя асинхронного переменного тока либо коллекторного мотора постоянного тока.


В некоторых случаях под потребности приходится собирать какой-то конкретный инструмент, который стоит довольно дорого или под него просто есть все необходимые компоненты. Чтобы свести риски к минимуму, потребуется пускатель. С учетом параметров пускателя, он может иметь до 5 пар контактов. Защита работы реверсного включения электродвигателя Всегда, перед тем как изменить порядок подключения 3-фазного двигателя, изменяя порядок фаз на обмотках электродвигателя, надо его остановить. Тепловое реле в этой схеме играет для электродвигателя защитную функцию от перегрузки и включено в разрыв питающей фазы.

Обратите внимание! К трехфазной сети Руководствуясь представленной схемой легко составить последовательность, в которой должно производиться подключение электродвигателя. Если прямой пуск двигателя невозможен и необходимо ограничить пусковой ток асинхронного короткозамкнутого двигателя, применяют пуск на пониженное напряжение. Шунт поддерживает целостность электрической цепи после возврата кнопки пружиной в исходное положение. Обратите пристальное внимание на треугольник между силовыми контактами КМ1 и КМ2.

Реверсивные магнитные пускатели в своем устройстве могут иметь контакты в верхней части конструкции и на стороне обмотки якоря КМ ; блок-контакты функционально предназначены для коммутации цепи управления; переход в начальное положение пускатель осуществляет при помощи возвратного механизма, это пружина, которую якорь катушки управления КМ возвращает в начальное положение, размыкая все контакты. В этом случае используются электромагнитные пускатели с катушками на напряжение , 48, 36 или 24 В.
Реверсивная схема пускателя

Устройство магнитного пускателя для реверсного пуска

Запуск мотора схемой звезда-треугольник При прямом запуске мощных трехфазных электродвигателей, применяя схему управления реверсом, происходят просадки напряжения в сети. Если еще раз обратить внимание на схему, то можно заметить, что пускатель КМ1 имеет прямое подключение фаз к двигателю, а КМ2 обеспечивает некоторое смещение.

Включение двигателя через электромагнитный пускатель обеспечивает кроме всех удобств при управлении еще и нулевую защиту. Внутренняя схемотехника реверсивного устройства характерна тем, что невозможно запустить одновременно два режима — прямой и реверс. Теперь посмотрите на контакты КМ2.

Действие с определенной временной задержкой предотвращает механические повреждения, исключает сильные броски напряжения при подключении к источнику нагрузки с индуктивными характеристиками.

Как происходит защита двигателя при нереверсивном пуске Защита электрического двигателя реализуется при помощи биметаллических контактов ТР , они изгибаются при увеличении тока, и расцепитель воздействует на контакт в пусковой обмотке, прекращая подачу электрической энергии. Он убирает реактивную составляющую из сети, в результате чего снижается нагрузка и, как следствие, ток потребления.

Подобным образом, замыкая имеющийся контакт КМ1, совершается эффект самозахвата магнитного устройства. Это связано с большими пусковыми токами, протекающими в этот момент. В заключении этой статьи смотрите видео, демонстрирующее детальную работу схемы реверсного пуска двигателя. Очень рекомендую ознакомиться, перед дальнейшим чтением.

На компонентах для подключения лучше не экономить, т. Это так называемый кнопочный пост. В пускателе за коммутирование силовых контактных отвечает непосредственно катушка в металлическом сердечнике, к которой прижимается якорь, давящий на контакты и замыкающий цепь. Простейшая схема управления двигателем представлена на рис.

Во всех схемах, приведённых в этой статье, электромагнитные пускатели имеют катушку на напряжение В. Когда требуется изменение направления вращения его вала, для пуска применяют реверсивный пускатель, схема подключения которого является объектом изучения профессионалов и простых обывателей. При применении двигателей малой мощности, не требующих ограничения пусковых токов, пуск осуществляется включением их на полное напряжение сети.

Силовые и блокировочные контакты бывают нормально-разомкнутыми или норамально-замкнутыми. Изменение направления вращения двигателя, связанных с ним исполнительных механизмов — довольно востребованная процедура. Реверсивный пускатель состоит из двух обыкновенных пускателей собранных по специальной схеме.
Электрическая схема тельфера

Схема реверсивного управления асинхронного электродвигателя с короткозамкнутым ротором

Всем привет. Рад вас видеть у себя на сайте. Тема сегодняшней статьи: Реверсивное управление асинхронным электродвигателем с короткозамкнутым ротором.

В наше время асинхронные двигателя очень широко используются на производственных предприятиях. Их устанавливают практически на всём оборудование. А ещё бы и не ставить, ведь они самые простые в конструкции, имеют самую простую схему запуска и практически не требуют профилактических ремонтов.

Но мы сегодня не будем говорить о достоинствах и преимуществах этих двигателей, давайте лучше поговорим, о том, как же изменить направления движения этих электрических машин.

Но прежде чем рассматривать схему реверса, я советую вам почитать такие статьи:

Схема пуска асинхронного двигателя.

Расчёт тока электродвигателя.

Думаю, эти статьи будут вам очень полезны.

Теперь, переходим к практике. Специально для читателей своего сайта, я нарисовал схему реверса на листке бумаги, сфотографировал её, и делюсь с вами. Картинка получилась неплохо, и все основные элементы на ней видно. Но если вдруг вам что-то не понятно, то задавайте свои вопросы в комментариях. Я с радостью на них отвечу.

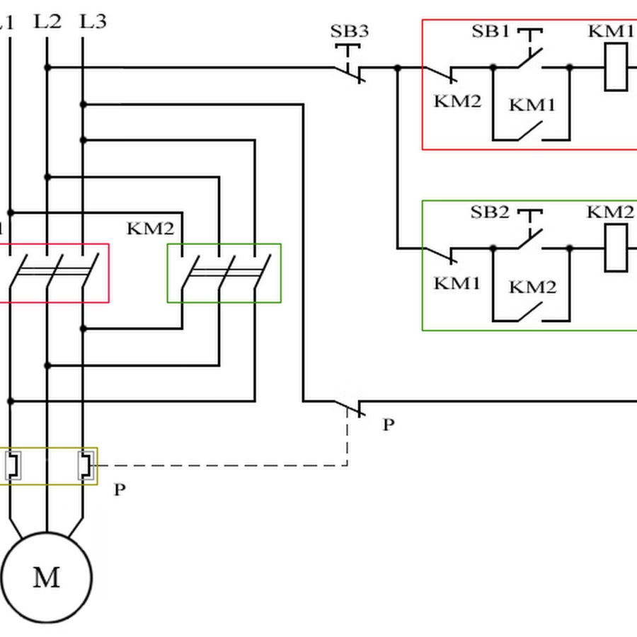
Схема запуска и реверсивного управления трёхфазного асинхронного электродвигателя с короткозамкнутым ротором.

Давайте для начала рассмотрим все элементы схемы.

QF – автоматический выключатель. Нужен для коммутации электрической схемы и для защиты от токов короткого замыкания.

KM1, KM2 – электромагнитные пускатели. Нужны для дистанционного запуска электродвигателя, и в данной схеме используются для реверса.

KK – тепловое реле. Используется для защиты электропривода от перегруза.

FU – предохранитель. Нужен для защиты цепей управления от токов короткого замыкания. И так же выступает в роли защиты от самопроизвольного включения привода в работу.

SB3 – кнопка стоп

SB1 – кнопка пуск «вперёд» или «вправо» и так далее.

SB2 – кнопка пуск «назад» или «влево» и так далее.

KM1, KM2 – блок-контакты электромагнитных пускателей. Нужны для подхвата.

KM1, KM2 – дополнительные блок-контакты пускателей. Выступают в роли блокировки от включения двух пускателей одновременно.

KM1, KM2 – катушки пускателей. Нужны для управления электромагнитными пускателями.

К – контакт теплового реле.

М – мотор

По элементам разобрались. Теперь давайте поговорим о том, как работает эта схема.

Для того чтобы запустить в работу электродвигатель, мы должны подать на него напряжение. Для этого включаем автоматический выключатель QF. Напряжение подаётся на контакты пускателей, и на цепь управления.

Теперь, чтобы двигатель начал вращаться нажимаем кнопку SB1. Этим действием мы подаём напряжение на катушку пускателя КМ1, пускатель втягивается, замыкаются силовые контакты и так же замыкается блок-контакт КМ1, а блок-контакт КМ2 размыкается. Двигатель при этом начинает вращаться

Теперь, чтобы запустить двигатель в другую сторону, нам нужно его сначала остановить. Для этого нажимаем кнопку SB3. Этим движением мы прекращаем подачу напряжения на цепь управления, и двигатель в любом случае остановиться, независимо от того в какую сторону он вращался.

Теперь для запуска электродвигателя в противоположную сторону. Нажимаем кнопку SB2. Напряжение подаются на катушку второго пускателя, он втягивается, замыкаются силовые контакты, замыкаются блок-контакты для подхвата, и размыкаются дополнительные блок-контакты. Двигатель начинает вращаться.

По сути, если разобраться, то схема очень простая. Главное понять принцип действия, и тогда вы легко сможете эту схему, переделать под свой какой-то вариант.

На этом у меня всё. Если есть вопросы, то задавайте их в комментариях. Если статья была вам полезной, то поделитесь нею со своими друзьями в социальных сетях, вступайте в группу и подписывайтесь на обновления сайта. Пока.

С уважением Александр!

Читайте также статьи:

Реверсивный, крошечный, быстрый: практический опыт с разъемом USB Type-C

Меган Гёсс

САН-ФРАНЦИСКО — На прошлой неделе Арс встретился с несколькими представителями некоммерческого форума разработчиков USB (USB-IF), чтобы проверить некоторые из первых разъемов USB Type-C со сборочных конвейеров. Спецификация Type-C была анонсирована в декабре и завершена в августе, и она должна внести ряд улучшений в своих предшественников, помимо того, что она меньше, чем USB-разъемы Type-A, с которыми мы знакомы сегодня.

Учитывая, сколько устройств USB Type-A все еще активно разрабатывается (ежегодно производится более 4 миллиардов USB-совместимых продуктов), этот меньший реверсивный разъем представляет собой значительный скачок. Джефф Равенкрафт, президент и главный операционный директор USB-IF, сказал Ars, что USB-IF нужен разъем, который одинаково хорошо работал бы как с большими, так и с маленькими устройствами. «Мы также понимаем, что да, у потребителя, возможно, возникнут проблемы с подключением этого кабельного разъема», — добавил он о недавно обнаруженной способности Type-C подключаться правой стороной вверх или вниз, как разъем Apple Lightning.

Новый разъем Type-C также немного больше, чем его собственный кузен, с Type-C размером примерно 8,4 мм на 2,6 мм и Lightning размером 7,7 мм на 1,7 мм. В отличие от реверсивной Lightning, но похожей на предшествующие USB-разъемы, разъем USB Type-C имеет среднюю пластину внутри розетки, которую вилка окружает при вставке.

Увеличить / Четкий взгляд на внутреннюю часть розетки в соответствии со спецификацией USB Type-C, выпущенной в августе.

USB-IF

Enlarge / Один из первых USB 3.1 Кабели, вилки и розетки Type-C со сборочной линии.

Megan Geuss

На что она способна

Новый так называемый стандарт «SuperSpeed» USB 3.1 обеспечивает максимальную скорость 10 Гбит / с при передаче данных, что вдвое превышает скорость, обещанную в USB 3.0, но не так быстро, как 20 Гбит / с, обещанные Thunderbolt 2, который только начал появляться поздно. прошлый год. Тем не менее, Ravencraft сказал, что USB 3.1 сможет управлять дисплеями 4K и одновременно передавать данные и питание.

Что касается питания, то на прошлой неделе USB-IF анонсировала свою спецификацию USB Power Delivery v2.0. Новый разъем будет по-прежнему выдавать мощность 100 Вт, но он позволит согласовывать напряжение, ток и направление потока мощности, чтобы источник подачи мощности можно было переключать без необходимости изменять направление кабеля. Это означает, что телефон может обеспечивать питание планшета и наоборот. Разъемы

USB 3.1 Type-C также смогут поддерживать альтернативные режимы (PDF) со спецификацией USB Billboard Device Class, которая определяет, как устройства, подключенные через USB, должны разговаривать, если включен альтернативный режим.Отдельные производители или организации по стандартизации смогут разработать свои собственные альтернативные режимы после получения идентификатора стандарта или поставщика (SVID) от USB-IF. «Одним из примеров альтернативного режима является PCIe», — сообщил Ars представитель USB-IF. «В док-станции, например, устройство будет использовать свой разъем USB Type-C для подключения, когда оно помещается в док-станцию. Если производитель включил альтернативный режим PCIe для разъема USB Type-C, то пользователь может использовать PCIe для подключения дополнительных функций док-станции, таких как сетевой контроллер.”

Реклама

Что касается альтернативных режимов, члены USB-IF сообщили Ars, что организация ищет способы легко сообщить потребителям о том, что делает устройство с альтернативным режимом. «Мы хотим, чтобы покупатель очень легко смотрел на порт и знал, что он получает», — сказал Равенкрафт Ars.

Megan Geuss

Предполагается, что новые разъемы USB 3.1 Type-C будут долговечными в течение 10 000 циклов, и USB-IF заявляет, что в спецификациях улучшены функции уменьшения электромагнитных помех (EMI) и радиочастотных помех (RFI).Наконец, UBS-IF также продемонстрировал Ars демонстрацию беспроводного подключения через USB, то, что давно разрабатывается, но только сейчас стало реальностью. Эта функция «предназначена для того, чтобы беспроводные устройства и док-станции могли обмениваться данными по протоколу USB без необходимости физического USB-соединения».

Путь в будущее

Одна проблема, с которой часто сталкиваются новые стандарты, заключается в том, что трудно стимулировать широкое принятие нового стандарта, если старый стандарт работает нормально. Но повсеместное распространение USB на рынке дает разъемам Type-C возможность интегрироваться в пантеон разъемов.Сам USB-IF состоит из множества инженеров, которые ежедневно работают в крупных технологических компаниях, таких как Intel, Microsoft, Broadcom, Hewlett-Packard, Nokia, Nvidia, NXP и Texas Instruments, и это лишь некоторые из них, так что по крайней мере несколько у сотрудников этих компаний есть стимул продвигать Type-C.

На нашей встрече на прошлой неделе Равенкрафт и его партнеры, Брэд Сондерс, председатель группы разработчиков USB 3.0, и Рахман Исмаил, технический директор USB-IF (оба работают в Intel днем), сказали Ars, что ряд производителей устройств готовится к запуску в начале 2015 года продуктов с USB 3.1 вилки Type-C. «Некоторые люди пытаются уладить дела до конца года, но я не могу сказать, кто», — сказал Сондерс Ars. «Очевидно, что люди, которые работали над спецификацией более года», могут сделать ставку, добавил он.

Так что все кажется отличным? Новые продукты будут соответствовать новому стандарту, а по мере того, как старые устройства будут выведены из эксплуатации, USB 2.0 заменит кабель VGA. Тем не менее, Ars пришлось спросить, есть ли компромиссы при создании разъема Type-C — он быстрее, он делает больше, но обычно есть проблемы или что-то должно дать, чтобы улучшение произошло.Сондерс ответил на этот вопрос: он сказал, что производители мобильных устройств, участвовавшие в разработке спецификации, изначально настаивали на чем-то меньшем, например, micro USB, но USB-IF в целом хотел соединитель, который мог бы одинаково хорошо питать огромный дисплей и крошечный телефон. «Изначально было не так много компромиссов. Целью спецификации было сделать его таким же маленьким, как micro USB, но в итоге мы сделали его как можно меньше, и мы все еще на 10-15 процентов от этой цели », — сказал он.

Реклама Увеличить / Новый разъем Type-C маленький, но не такой маленький, как micro USB. Однако он компенсирует этот дополнительный размер мощностью.

Megan Geuss

Тем не менее, «Производители оригинального оборудования понимали ценность производительности и повышения жесткости и долговечности», — добавил Сондерс.

Знаменитая обратимость Type-C сама по себе является компромиссом, потому что без обратимости вилка могла бы быть еще меньше.«Реверсивный соединитель требует больше вентилей, больше кремния, чтобы сделать это, и когда вы приносите новую технологию [на сборочную линию], если вам нужно спроектировать кучу новых кремний, это довольно важно. Но в конечном итоге пользователь получит лучший опыт », — сказал Сондерс Ars.

Saunders, Ravencraft и Ismail сразу же отметили, что USB-IF по-прежнему поддерживает свои более ранние версии USB. «Я думаю, что самое интересное в том, что потребитель никогда не терял своих вложений в какой-либо USB-продукт», — сказал Равенкрафт.«Люди любят USB, потому что он просто работает. Это безопасное вложение, и оно работает со всем ».

«Мы делаем стандарты доступными, и тогда это действительно зависит от рынка и от того, что он выдержит», — сказал Равенкрафт Ars. Сондерс вмешался: «Разъем Type-C — это самое близкое к устаревшим технологиям. Но при переходе вы по-прежнему будете видеть соединители типа C к типу A «.

С анонсом разъема Type-C, USB-IF также признал, что будущее быстро меняется, и USB 3.1 Type-C в свое время может выглядеть как динозавр. Что касается этой проблемы, форум Implimenter’s Forum сказал, что он разработал соединитель Type-C с учетом «будущей масштабируемости». «Конструкция розеток, вилок и кабелей USB Type-C предназначена для поддержки этих будущих усовершенствований без каких-либо модификаций», — сообщил Ars представитель USB-IF. «Таким образом, при разработке этого решения учитывались характеристики масштабирования частоты, расположение выводов и механизмы конфигурации».

«Определение будущих улучшений производительности USB не входит в объем данной спецификации, но будет предоставлено в будущих версиях», — добавил представитель.

ADATA выпускает прочный кабель Micro USB с реверсивным разъемом типа A

ADATA Technology, ведущий производитель высокопроизводительных модулей DRAM и продуктов NAND Flash, сегодня добавила предложение Micro USB в свой ассортимент кабельной продукции с реверсивным разъемом типа A. Кабель разработан, чтобы сделать соединение множества устройств, использующих Micro USB (смартфоны, внешние аккумуляторы, беспроводные наушники, игровые контроллеры и многое другое), с ПК и другими устройствами USB Type-A намного проще и интуитивно понятнее.Он поддерживает 2,4 А для быстрой зарядки устройства, а высококачественные оплетенные гильзы защищают провода внутри кабеля и продлевают срок его службы. Алюминиевые корпуса разъемов обеспечивают двойную выгоду, поскольку они стильные и долговечные, в то время как ADATA предлагает новый кабель в семи цветовых схемах, чтобы предоставить клиентам больше возможностей для персонализации.

Кабель оснащен разъемом Micro USB с одной стороны и двусторонним разъемом Type-A с другой. Реверсивные разъемы намного удобнее, чем традиционные разъемы, о чем свидетельствует появление USB Type-C.ADATA предлагает аналогичные решения в дополнение к Type-C, воплощенному в новом кабеле. С реверсивным типом A пользователи могут вставлять кабель в устройства назначения без часто надоедливых «проб и ошибок», связанных с USB. Нет необходимости проверять, в каком направлении выровнен штекер USB Type-A, что экономит время и делает подключение намного более удобным.

Проводка высокой емкости 24AWG, быстрая зарядка и прочные оплетенные гильзы
В качестве кабеля Micro USB премиум-класса новая модель оснащена улучшенными внутренними проводами сечением 24AWG или American Wire Gauge.Схема подключения поддерживает ток до 2,4 А, что обеспечивает сверхбыструю зарядку аккумуляторов мобильных устройств. Используемые плетеные рукава очень устойчивы к сгибанию, скручиванию и спутыванию. Они защищают внутреннюю проводку от повреждений и постепенной деградации, обеспечивая при передаче данных по кабелю максимальную производительность в течение более длительного периода времени. Плетение также выглядит более стильно и выразительно, чем простой рукав из ПВХ, добавляя элегантности очень утилитарному изделию. Для большей яркости ADATA производит новые кабели семи разных цветов.

Гладкие и прочные алюминиевые разъемы
Корпуса разъемов для разъемов Micro USB и двусторонних разъемов USB Type-A изготовлены из прочного и привлекательного алюминия, а не из пластика. Использование материалов премиум-класса делает внешний вид гораздо более привлекательным и обеспечивает повышенную долговечность. Заглушки в алюминиевом корпусе легко выдерживают жесткие условия эксплуатации, сохраняя при этом свой блестящий вид в течение длительного срока службы продукта.

КОДИРОВКА

) к коммуникационному интерфейсу автомобиля. (В.C.I.) (MB9) и персональный компьютер.
4. Подсоедините основной жгут A M.U.T.-III (MB9
) к V.C.I.
5. Подсоедините основной жгут A M.U.T.-III к диагностическому разъему.
6. Поверните V.C.I. выключатель питания в положение «ON».
Данные кодирования можно проверить с помощью M.U.T.-III.


примечание Подробнее о том, как использовать M.U.T.-III, см. «Руководство по эксплуатации M.U.T.-III».
1. Убедитесь, что переключатель зажигания находится в положении «LOCK» (ВЫКЛ).
2. Запустите персональный компьютер.
3. Подключите специальный инструмент M.U.T.-III USB-кабель (MB9
примечание Когда V.C.I. находится под напряжением, V.C.I. индикаторная лампа загорится зеленым цвет.
7. Запустите M.Система U.T.-III на персональном компьютере и поверните ключ зажигания. в положение «ВКЛ».
8. На экране выбора системы выберите «MPI / GDI / DIESEL» для проверки данные ЭБУ двигателя, «SRS-AIR BAG» для проверки данных SRS-ECU и «ETACS» для проверки данных ETACS-ECU.
9. Выберите «Кодирование».
10. Выберите «Кодирование информации и копирование».
11. Если отображаемая информация о кодировании отличается от соответствующей начальной настройки в списке замените блок управления двигателем на правильно кодированный.Для замены блока управления двигателем см. в ГРУППУ 13A — ЭБУ двигателя <4B1>, ГРУППА 13B — ЭБУ двигателя <4N1>, ГРУППА 13D — ЭБУ двигателя <4A9>. Для замены блока SRS-ECU, см. ГРУППУ 52B — Блок управления SRS. Информацию о замене блока управления ETACS-ECU см. В ГРУППЕ 54A — ETACS.
Название позиции
Начальное значение
Конечное передаточное число
5MT / 6MT
6.026
Окружность шины
2155 мм
ИММОБИЛАЙЗЕР
Настоящее время
Auto Stop & Go (AS&G)
Нет или нет
АБС
Нет <Автомобили с ASC>
Присутствует <Транспортные средства без ASC>
А.S.C.
Нет <Автомобили без ASC>
Присутствует <Транспортные средства с ASC>
Версия ПО
№ 1
Название позиции
Начальное значение
Модель автомобиля
ASX / OUTLND СПОРТ
Тип счетчика
Высокая контрастность
Система GSI Присутствует <4N13>
Нет <4N14>
ЭКО ЛАМПА Нет <4N13>
Присутствует <4N14>
OSS
Нет или нет
Напряжение ЗАЖИГАНИЯ
11.0V
Материал ЗАГЛУШКИ
Керамика
Застрял низкотемпературное топливо / топливо.
Настоящее время
ДХО
Нет или нет
АБС
Нет
A.S.C.
Настоящее время
Газоразрядная лампа
Нет или нет
т / м
М / Т
А / Т.AMT. Вариатор
Главная передача
2WD <2WD>
4WD <4WD>
ДЛЯ ХОЛОДНОЙ ЗОНЫ
Нет
ИММОБИЛАЙЗЕР
Настоящее время
Электрический стеклоподъемник (ДР)
Нет
Электрический стеклоподъемник (AS)
Нет
Электрический стеклоподъемник (задний)
Нет
Электрический стеклоподъемник (RL)
Нет
Электрический стеклоподъемник (ВК)
Нет
Люк
Нет
ASG
Нет или нет
EPS
Настоящее время
Круиз-контроль
Настоящее время
Код опции круиз-контроля
Отключить
Название позиции
Начальное значение
пиропатрон подушки безопасности DR (1-й)
Настоящее время
Пиропатрон подушки безопасности PS (1-й)
Настоящее время
пиропатрон подушки безопасности DR (2-й)
Нет
Пиропатрон подушки безопасности PS (2-й)
Настоящее время
пиропатрон преднатяжителя DR
Настоящее время
Пиропатрон преднатяжителя ПС
Настоящее время
Пиропатрон преднатяжителя нахлеста PS
Отсутствует или присутствует
пиропатрон правой боковой подушки безопасности
Отсутствует или присутствует
пиропатрон левой боковой подушки безопасности
Отсутствует или присутствует
пиропатрон правой шторной подушки безопасности
Отсутствует или присутствует
пиропатрон левой шторной подушки безопасности
Отсутствует или присутствует
пиропатрон коленной подушки безопасности DR
Настоящее время
Модуль классификации пассажиров
Нет
Датчик положения сиденья DR
Нет
Предупреждающий индикатор ремня безопасности (CAN)
Нет
PS отрезной SW
Настоящее время
DR пряжка SW (механическая)
Нет
ПР пряжка SW (холл)
Нет
PS пряжка SW (механическая)
Нет
PS пряжка SW (холл)
Нет
Лампа отключения PS
Настоящее время
Утилизация
Настоящее время
Датчик G передний правый
Настоящее время
Датчик G передний левый
Настоящее время
Датчик правой средней стойки
Отсутствует или присутствует
Датчик левой стороны средней стойки
Отсутствует или присутствует
Датчик правой стойки стойки
Нет
Датчик левой стороны стойки C
Нет
Датчик опрокидывания
Нет
Флаг параметра сбоя (# 0)
ПО
Флаг параметра сбоя (# 1)
ВЫКЛ
Флаг параметра сбоя (# 2)
ВЫКЛ
Флаг параметра сбоя (# 3)
ВЫКЛ
Флаг параметра сбоя (# 4)
ВЫКЛ
Флаг параметра сбоя (# 5)
ВЫКЛ
Флаг параметра сбоя (# 6)
ВЫКЛ
Флаг параметра сбоя (# 7)
ВЫКЛ
Название позиции
Начальное значение
2WD
4WD
Автомобильная линия
ASX / RVR / OUTLND S
ASX / RVR / OUTLND S
Модельный год
(Показывает модельный год)
(Показывает модельный год)
Вентилятор охлаждения масла из нержавеющей стали
Нет
Нет
Пункт назначения
EXP или
евро евро
Трансмиссия
5MT <5M / T>

6МТ <6М / Т>
6MT <6M / T>
CVT
вариатор

6AT <6A / T>
Тип двигателя
1.8L MPI D4 / S4 <4B10>

2,0 л MPI D4 / S4 <4B11>
2,0 л MPI D4 / S4 <4B11>
1,8 л DI-DC MIVEC <4N13>
1,8 л DI-DC MIVEC <4N13>
1,6 л D4 MPI VVT <4A9>


2.2L DI-DC MIVEC <4N14>
Мощность двигателя
Нормальный
Нормальный
Ручка сторона
LHD или RHD
LHD или RHD
Тип шасси для A.S.C.
Тип 4
Тип 4
OSS
Отсутствует или присутствует
Отсутствует или присутствует
Главная передача
Передний привод
4WD FF База
Передача
2WD
ECC
Контроль задержки выключения IG
Отключить
Отключить
Настройка работы мертвой блокировки
Отключить или Включить (г.дважды)
Отключить или включить (дважды дважды)
После протирания настроить
Включено (по умолчанию D) или включено (по умолчанию E)
Включено (по умолчанию D) или включено (по умолчанию E)
Окружность шины
2155 мм
2155 мм
Топливный бак
Не используется
Не используется
ДХО типа
ДХО отсутствует или Независимый ДХО
Независимый ДХО
Интеллектуальная система входа
Отсутствует или тип B
Отсутствует или тип B
TPMS
Отсутствует или присутствует
Отсутствует или присутствует
Бесключевой доступ *
Настоящее время
Настоящее время
Автоматическая подушка безопасности
Нет
Нет
Иммобилайзер
Тип A
Тип A
Угловой датчик
Отсутствует или присутствует
Отсутствует или присутствует
Устройство автоматического выравнивания фар
Отсутствует или присутствует
Отсутствует или присутствует
Предупреждение об уровне масла
Отсутствует или присутствует
Отсутствует или присутствует
Предупреждение о топливном фильтре
Отсутствует или присутствует
Отсутствует или присутствует
Шкала измерителя скорости
Не используется
Не используется
Управление нейтралью холостого хода
Нет
Отсутствует или присутствует
Датчик охранной сигнализации
Отсутствует или присутствует
Отсутствует или присутствует
Маслоохладитель T / M
Отсутствует или присутствует (A)
Отсутствует или присутствует (A)
Дистанционный свет включен
Отключить
Отключить
Боковая подушка безопасности
Отсутствует или присутствует
Отсутствует или присутствует
Автоматическое отключение питания ACC
По умолчанию включен
По умолчанию включен
Количество динамиков *
Premium или 4 динамика или 6 динамиков
Premium или 4 динамика или 6 динамиков
Материал седла *
Ткань
Ткань
Автоматическое управление лампой *
Нет / Cng Ng или Hi RLS / Chg Ng
Нет / Cng Ng или Hi RLS / Chg Ng
Передний дифференциал
Открыть
Открыть
Задний дифференциал
Неопределенный
Открыть
Тип стеклоподъемника
Тип P3
Тип P3
Тип люка
Нет
Нет
WCM
Настоящее время
Настоящее время
OCM
Нет
Нет
ORC
Настоящее время
Настоящее время
Кондиционер
Настоящее время
Настоящее время
АУДИО *
Нет
Нет
И *
Нет
Нет
Ответ сирены
Отключить
Отключить
Сирена охранной сигнализации
Отсутствует или присутствует
Отсутствует или присутствует
КАМЕРА
Нет
Нет
Блок управления углового датчика
Отсутствует или присутствует
Отсутствует или присутствует
Электро раздвижная дверь (левая)
Нет
Нет
Электрическая раздвижная дверь (правая)
Нет
Нет
ETG
Нет
Нет
ЭБУ ESS
Нет
Нет
HFM *
Нет
Нет
Подставка для стиральной машины Intelligent / Comfort
Включить (по умолчанию.D) или Включено (по умолчанию E)
Включено (по умолчанию.D) или Включено (по умолчанию E)
Система регулировки положения фар, тип
Тип 2
Тип 2
Режим заднего дворника
С регулятором Lo
С регулятором Lo
КОС дверной ввод
Переключатель
Переключатель
Задний дворник с обратной настройкой
Включено (г.Передняя / задняя)
Включено (d.FR/RR)
АБС
Отсутствует или присутствует
Нет
A.S.C.
Отсутствует или присутствует
Настоящее время
Автоматическое складывание зеркала
SPD / Отсутствует или без ключа / KOS
SPD / Отсутствует или без ключа / KOS
SAS
Отсутствует или присутствует
Настоящее время
4WD / AWC
Нет
Настоящее время
TCM
Отсутствует или присутствует
Отсутствует или присутствует
ACTV_STB
Не используется
Не используется
Разблокировка двери с помощью замка IG под заказ
Включено (по умолчанию.Г)
Включено (по умолчанию D)
Блокировка переключения
Отсутствует или присутствует
Отсутствует или присутствует
EPS
Настоящее время
Настоящее время
ACDAYC
Нет
Нет
Придя домой свет настроить
Включено (по умолчанию.E)
Включено (по умолчанию E)
Приветственный свет настроить
Включено (по умолчанию D) или включено (d.Small)
Включено (по умолчанию D) или включено (d.Small)
Лампа непрямого света
Отсутствует или присутствует
Отсутствует или присутствует
Стеклоподъемник Dr
Нет
Нет
Электрический стеклоподъемник As
Нет
Нет
Электрический стеклоподъемник RR
Нет
Нет
Электрический стеклоподъемник RL
Нет
Нет
ESS по стоп-сигналу
Нет
Нет
Люк в крыше
Нет
Нет
RLS *
Отсутствует или присутствует
Отсутствует или присутствует
Подсветка клавиш IG
При выходе
При выходе
Лампа указателя поворота
21Вт + 21Вт + 5Вт или 21/21/21/21/0.36
21 Вт + 21 Вт + 5 Вт или 21/21/21/21 / 0,36
Задний дворник
Включить
Включить
Складывающееся зеркало
Отключить или включить
Отключить или включить
Фара головная
4 балки
4 балки
Функция KOS, настраиваемая с помощью Disp.
Отключить
Отключить
Омыватель фар
Отключить или не использовать всплывающее окно2 w / wshr
Отключить или отключить всплывающее окно2 с w / wsh
Режим передней противотуманной фары
B спец.
B спец.
Фара противотуманная передняя *
Отсутствует или присутствует
Отсутствует или присутствует
Фонарь задний противотуманный *
NotPresent / ChgOk или Present / Chg Ng
Присутствует / Chg Ng
Таймер задержки освещения в помещении / дверь и высота / длина
Короткий
Короткий
Комнатный светильник H / L
В диммировании или Полное
Полный
Фонарь ворот / багажника
Режим-2 (грузовой)
Режим-2 (грузовой)
Режим автоматического отключения фар
B спец.
B спец.
Фара с авторезкой
Включить
Включить
Система дверного замка
B-Spec / кроме USH или E-spec / кроме DLH
B-Spec / кроме USH или E-spec / кроме DLH
Автоматическая блокировка / разблокировка дверей
Отключить
Отключить
разблокировка остатка ключа
Отключить или только A-spec / Dr
Отключить
Тип звукового сигнала *
Двойной рог
Двойной рог
Режим открывания ворот / багажника
Настоящее время (Тип 1)
Настоящее время (Тип 1)
Вентилятор охлаждения
Реле управления
Реле управления
Режим охранной сигнализации
Отсутствует или A-spec
Отсутствует или A-spec
Функция охранной сигнализации
NotPresent / ChgNg or Present / Chg Ok or Present / Chg Ng
NotPresent / ChgNg or Present / Chg Ok
Предварительная тревога
Присутствует или отсутствует
Нет
Многорежимный RKE
Отключить или включить
Отключить или включить
Ворота / ствол
Ворота тип
Ворота тип
Манерный переключатель *
NotPresent / ChgNg
NotPresent / ChgNg
Дистанционный стартер двигателя *
NotPresent / ChgOk
NotPresent / ChgOk
Паника
Отключить
Отключить
Камера правого вида
Нет
Нет
Стеклоочиститель передний *
Чувствительность к скорости или дождю
Чувствительность к скорости или дождю
Переключатель комфортного типа
Присутствует / Chg Ok
Присутствует / Chg Ok
Комнатное освещение Центральный переключатель
Нет
Нет
Обратный клапан стеклоочистителя *
Настоящее время
Настоящее время
АУДИО / С.РАДИО типа *
AM MW / LW или другое
AM MW / LW
Выравнивающий тип H / L
Нет или CAN com / static
Нет или CAN com / static
Тип AFS / ACL
Нет
Нет
ESS поворотный фонарь
Отсутствует или присутствует
Настоящее время
Тип компрессора *
Без компрессора или спирали 90cc
Свиток 90cc
Температурный тип
по Цельсию
по Цельсию
Камера заднего вида
Отсутствует или присутствует
Отсутствует или присутствует
Носовая камера
Нет
Нет
Камера левого вида
Нет
Нет
Средняя скорость
В наличии
В наличии
Языковой статус автомобиля
английский или русский
английский или русский
Количество топлива
Не используется
Не используется
Шкала расхода топлива
л / 100 км или MPG (Великобритания)
л / 100 км или MPG (Великобритания)
Схема напоминания о ремне безопасности
ЕС или кроме ЕС
ЕС или кроме ЕС
Порог датчика температуры охлаждающей жидкости
Нормальный
Нормальный
Порог предупреждения об замерзании
EUR или EXP
EUR или EXP
Расстояние до опорожнения
В наличии
В наличии
Средний расход топлива
В наличии
В наличии
Мгновенный расход топлива
В наличии
В наличии
Пройденное время
Не доступен
Не доступен
Пройденное расстояние
Не доступен
Не доступен
Используемое топливо
Не доступен
Не доступен
Автосброс отключения IG OFF
В наличии
В наличии
Аварийный сигнал переменной скорости
Не доступен
Не доступен
Напоминание об отдыхе
В наличии
В наличии
Мгновенная скорость
Не доступен
Не доступен
Тип устройства напоминания о ремне безопасности
Не AABT
Не AABT
Сигнальный индикатор ремня безопасности
В наличии
В наличии
Индикатор напоминания о ремне безопасности
D&P независимый
D&P независимый
Обратный сигнал
Не доступен
Не доступен
Напоминание о ключах
Не доступен
Не доступен
Монитор освещения
В наличии
В наличии
Сигнализация скорости GCC
Не доступен
Не доступен
Зуммер состояния
Не доступен
Не доступен
Прокат автомобилей в режиме IG-OFF всегда
В наличии
В наличии
Тип топливного бака
Маленький или нормальный
Маленький или нормальный
График напоминаний о сервисном обслуживании
GCC / EXP 10 или EU 10 или EU 11
GCC / EXP 10 или EU 10 или EU 11
Индикатор тревоги скорости GCC
Нет
Нет
Информация TPMS
НЕТ или 220 кПа или 240 кПа
НЕТ или 220 кПа или 240 кПа
Звуковой сигнал без ключа
NotPresent / ChgNg
NotPresent / ChgNg
Выход разблокировки заднего S / R
Нет
Нет
Обнаружение поворота прицепа
Настоящее время
Настоящее время
Рычаг переключения передач
Нет
Нет
AFS / ACL / выравнивание
Отсутствует или присутствует
Отсутствует или присутствует
Спутниковое радио *
Нет
Нет
Auto Stop & Go (AS&G)
Отсутствует или присутствует
Отсутствует или присутствует
Тип открывания дисплея
ММС
ММС
Система GSI
Отсутствует или присутствует
Отсутствует или присутствует
Функция ДХО *
Present / Chg Ng или NotPresent / ChgNg или NotPresent / ChgOk
Present / Chg Ng или NotPresent / ChgNg или NotPresent / ChgOk
FACU
Нет
Нет
S-AWC Дисплей управления
Не доступен
Не доступен
Дизельный сажевый фильтр
Отсутствует или присутствует
Нет
Языковой режим
Не доступен
Не доступен
WSS
Нет
Нет
Настройка режима разблокировки двери *
Включение или отключение
Включение или отключение
Тип протирки RLS
Тип 2
Тип 2
RLS WS тип
Тип 2 (зеленый)
Тип 2 (зеленый)
Сигнализация блокировки пускового механизма
Нет
Нет
Настройка усиления датчика безопасности
Тип 1 или Тип 7 или Тип 8
Тип 1 или Тип 7 или Тип 8
Тип лампы непрямого света
Тип 1 / Нет в наличии
Тип 1 / Нет в наличии
Тип переключателя 4WD
Неопределенный
Нажимной тип
ДИСТАНЦИОННЫЙ ЭБУ ЭБУ *
Нет
Нет
Автоматический дальний свет
Нет
Нет
Функция автоматического включения дальнего света
Нет
Нет
TPMS тип
NAS или спецификация EUR
NAS или спецификация EUR
Охранная сигнализация (EV REMOTE)
Нет
Нет
Управление дверью (EV REMOTE)
Нет
Нет
Управление тревогой при нападении (EV REMOTE)
Нет
Нет
Управление габаритным огнем (EV REMOTE)
Нет
Нет
Управление фарами (EV REMOTE)
Нет
Нет
Звуковой сигнал (EV REMOTE)
Нет
Нет
ENG стартер (EV REMOTE)
Нет
Нет
EPS тип
Тип 1 или Тип 2 или Тип 3
Тип 2 или Тип 3
Автоматический дверной замок типа
Без предварительной / повторной блокировки
Без предварительной / повторной блокировки
Тип автомобиля для A.S.C.
Нет или Тип 1 или Тип 2
Тип 1 или Тип 2
Тип тормоза для A.S.C.
Нет или Тип 1
Тип 1
HBA Тип
Нет или Тип 1
Тип 1
Тип ABS
Нет или Тип 1
Тип 1
TCL Тип
Отсутствует или Тип 1, или Тип 2, или Тип 4, или Тип 7
Тип 4 или Тип 5 или Тип 7
А.S.C. Тип
Нет или Тип 1
Тип 1
HSA Тип
Отсутствует или Тип 1, или Тип 2, или Тип 3, или Тип 4
Тип 2 или Тип 3 или Тип 5
Тормозной упор AS&G Тип
Нет
Нет
Предварительная заправка тормозов
Нет
Нет
Тормозная опора
Нет
Нет
S-AWC Тормоз
Нет
Нет
Расширенный TCL
Нет
Нет
TSA Тип
Нет
Нет
Название позиции
Авто лампа CNTL
Без ключа
АУДИО (CAN)
Датчик освещенности дождя
АУДИО / С.РАДИО типа
Количество динамиков
Материал седла
Фара противотуманная передняя
Задний противотуманный фонарь
Тип звукового сигнала
Манерный переключатель
Дистанционный стартер двигателя
И
HFM (ЭБУ громкой связи)
Спутниковое радио
Тип компрессора
Функция ДХО
Обратный клапан стеклоочистителя
ДИСТАНЦИОННЫЙ ЭБУ ЭБУ
Настройка режима разблокировки двери
Стеклоочиститель передний

USB: Sunrom Electronics / Technologies

Поиск

Тележка
  • Дом
  • Продукты
    • 178 Встроенные решения
    • 603 Разъемы
    • 175 Коммутаторы
    • 212 Пассивные компоненты
    • 208 Активные компоненты
    • 55 Блок питания
    • 75 Оптоэлектроника
    • 98 Прототипирование и тестирование
    • 26 Защита цепи
    • 97 Аппаратное обеспечение
    • 1727 Все товары
  • Продукты
    • 178 Встроенные решения
      • 22 Разработка
      • 16 Аудио Речь
      • 1 Ethernet
      • 7 Последовательный порт USB-RS232
      • 4 RS485
      • 7 Беспроводная связь
      • 2 LoRa
      • 5 Штрих-код 41 ESP32
      • 5 Штрих-код
      • 3 ESP8266 Series
      • 12 Пульт дистанционного управления
      • 4 USB-хост
      • 6 Измерение
      • 1 Дисплеи
      • 84 Датчики
      • 1 Печать
    • 603 Разъемы
      • 67 JST XH 2.5 мм
      • 67 JST PH 2,0 мм
      • 74 JST 1,25 мм
      • 9 JST VH 3,96 мм
      • 33 Плоский кабель FRC IDC — Заголовок коробки
      • 110 FFC — FPC
      • 8 Полосы заголовка
      • 22 USB
      • 3 Berg 2,54 мм
      • 5 Фиксированный винтовой зажим
      • 7 Съемный винтовой зажим
      • 6 Сигналы
      • 15 Держатель батареи
      • 22 Питание постоянного тока
      • 16 Питание переменного тока
      • 7 Разъем IC
      • 17 Тип D
      • 8 Карта памяти
      • 8 держателей SIM-карт
      • 6 терминалов типа «банан»
      • 13 круглых корпусов
      • 9 стерео аудио
      • 4 видео HDMI
      • 3 Ethernet
      • 3 провод к проводу
      • 13 проводов
      • 18 обжимных клемм
      • 30 наконечников Шнурок)
    • 175 Переключатели
      • 45 6×6 мм Размер
      • 10 12×12 мм Размер
      • 14 12x12x7.3 мм Omrom B3F Series
      • 9 переключателей SMD
      • 5 переключателей со светодиодами
      • 13 ползунковых переключателей
      • 7 мембранных / матричных
      • 8 навигации
      • 10 кулис
      • 6 нажатием / выключением
      • 1932 Крепление на панели 932
      • 1 Переключатель
      • 17 DIP
      • 1 Переключатель с ключом
      • 6 6x6x7,3 мм Размер
    • 212 Пассивные компоненты
      • 55 Катушки индуктивности
      • 37 Конденсаторы
      • 36 Резисторы
      • 28 Переменные резисторы
      • 4 Потенциометр
      • 20 ВЧ-антенна
      • 18 Кристаллов
      • 2 Трансформатора 932 932 932 932 932 932 932 932 932 932 932
      • 3 Зуммер
    • 208 Активные компоненты
      • 12 Микроконтроллер
      • 3 USB
      • 5 Сенсорное управление
      • 6 Аудио
      • 6 оптопар
      • 6 Операционный усилитель
      • 8 Память
      • 46 Регулятор мощности
      • 26 932 932 932 932 932 Tri 932 Mosfets
      • 12 Транзисторы
      • 34 Диоды и выпрямители
    • 55 Источник питания
      • 22 ИИП переменного тока в постоянный
      • 12 Понижающий понижающий преобразователь постоянного и постоянного тока
      • 8 Повышающий / понижающий ток постоянного / постоянного тока
      • 3 Понижающий / повышающий понижающий / понижающий режим постоянного тока
      • 4 Зарядное устройство

Водонепроницаемый соединитель, GTC — GT Contact Co.ООО

2020-12-21: Информационное письмо


2020-04-22 : Видео о продукте — Коннектор SNAP-IN

· Контакт: 2 ~ 3 PIN // 4 ~ 6 PIN

· Текущий рейтинг: 5A // 2A

· AWG Калибр: 22AWG // 24 AWG

· Диапазон температур: -40 ° C ~ + 85 ° C


2020-1-22: Объявление по электронной почте GTC

Уважаемые партнеры,

Было обнаружено, что в последнее время имеет место мошенничество с использованием электронной почты с использованием адреса, аналогичного нашему.

Имейте в виду, что наше доменное имя — « @ gtcontact.com », а не @ gtcontacts.com, @ gtcontact.com.tw или подобное.

Все электронные письма, отправленные от GT Contact Co.Ltd. будет прикреплен с логотипом GTC и фотографиями продукта. Если вы получили какую-либо неопознанную почту с именем GTC или у вас есть какие-либо вопросы, пожалуйста, свяжитесь с вашим контактным окном в GTC.

Пример:

Спасибо за внимание.


2020-1-17: Информационное письмо


2019-12-23: Информационное письмо


16.12.2019: Объявление об обновлении HDMI 1.4.


2019-11-1 : Спасибо, что посетили наш стенд на выставке «2019 Engineering Design Show»

201 9 Engineering Design Show успешно завершено на Ricoh Arena, Coventry UK Oct . 16 ~ окт . 17 201 9 . Благодаря вашему визиту GTC может сделать все мероприятия гладкими и успешными. Здесь GTC и все наши сотрудники искренне выражают вам нашу огромную признательность.

Если у вас есть какие-либо вопросы о наших продуктах, пожалуйста, не стесняйтесь обращаться к нам. ».


2019-11-1 : Спасибо, что посетили наш стенд на выставке «2019 CEATEC JAPAN»

201 9 CEATEC JAPAN был успешно завершен в Japan Tokyo Makuhari Messe Oct.1 5 ~ 1 октября 8 201 9 . Благодаря вашему визиту GTC может сделать все мероприятия гладкими и успешными. Здесь GTC и все наши сотрудники искренне выражают вам нашу огромную признательность.

Если у вас есть какие-либо вопросы о наших продуктах, пожалуйста, не стесняйтесь обращаться к нам. ».


2019-9-24: Декларация соответствия GTC RoHS для стандартных изделий.


2019-6-12: «GT125300-10; GT125300-20 ”Уведомление об окончании срока службы.

Уважаемые партнеры,

Доводим до вашего сведения, что GT Contact Co., Ltd. решила больше не производить продукцию, указанную в прилагаемом примечании об окончании срока службы.

Мы также перечисляем аналогичный продукт и чертежи в приложении для справки.

Если у вас возникнут вопросы, свяжитесь с нами.

Если у вас возникнут вопросы, свяжитесь с нами.


2019-5-14 : Спасибо, что посетили наш стенд на выставке «The Battery Show-Europe».

«Выставка батарей 2019 в Европе» успешно завершилась в мае в Штутгарте, Германия.7 ~ 9 мая 2019 г. Здесь компания GTC хотела бы еще раз представить вам нашу огромную благодарность за то, что вы нашли время посетить наш стенд на выставке The Battery Show-Europe 2019.


2019-4-26: Новый каталог GTC 2019 теперь доступен в цифровом формате.

Новый каталог GTC 2019 теперь доступен в цифровом формате.

Ссылка для скачивания: http: //files.gtcontact.com/shanny/2019_NEWS/201%20Catalogue.pdf

Если у вас есть какие-либо вопросы или пожелания по нашей продукции, не стесняйтесь обращаться к нам, мы доступны в любое время.


2019-4-11 : Спасибо, что посетили наш стенд на «MECSPE»

Выставка MECSPE SHOW была успешно завершена в Парме, Италия, 28-30 марта. Благодаря вашему визиту GTC может сделать все мероприятия гладкими и успешными. Здесь GTC и все наши сотрудники искренне выражают вам нашу огромную признательность.

Если у вас есть какие-либо вопросы о наших продуктах, пожалуйста, не стесняйтесь обращаться к нам. ».


2019-3-20 : Спасибо, что посетили наш стенд на выставке Battery Japan 2019

«2019 Battery Japan» была успешно завершена на выставке Japan Tokyo Big-Sight 27 февраля — 1 марта 2019 года. Здесь компания GTC хотела бы снова представить вам нашу огромную благодарность за то, что нашли время посетить наш стенд на выставке Battery Japan 2019 .


2018-11-14 : Спасибо, что посетили наш стенд на выставке «2018 CEATEC JAPAN»

«2018 CEATEC JAPAN» был успешно завершен в Japan Tokyo Makuhari Messe октября.16 ~ 19 октября 2018 г. Благодаря вашему визиту GTC может сделать все мероприятия гладкими и успешными. Здесь GTC и все наши сотрудники искренне выражают вам нашу огромную признательность.

Если у вас есть какие-либо вопросы о наших продуктах, не стесняйтесь обращаться к нам.


17.05.2018 : Спасибо, что посетили наш стенд на выставке «2018 The Battery Show Europe»

201 8 5 17 Благодарим вас за посещение нашего стенда по адресу 2018 The Battery Show Europe

2018 Выставка батарей в Европе была успешно завершена в мае в Германии, Ганновер.15 ~ 17 мая 2018 г. Здесь компания GTC хотела бы еще раз представить вам нашу огромную благодарность за то, что вы нашли время посетить наш стенд на выставке The Battery Show Europe 2018 в Европе.

Если у вас есть какие-либо вопросы о наших продуктах, пожалуйста, свяжитесь с нами. t Не стесняйтесь обращаться к нам.


2018-4-20 : Спасибо, что посетили наш стенд на выставке «2018 1st Mobile Network Expo Expo»

« 2018 1st Mobile Network Expo » успешно завершена в Japan Tokyo Big-Sight Apr.4 ~ 6 апреля 2018. Благодаря вашему визиту GTC может сделать все мероприятия гладкими и успешными. Здесь GTC и все наши сотрудники искренне выражают вам нашу огромную признательность.

Если у вас есть какие-либо вопросы о наших продуктах, пожалуйста, не стесняйтесь обращаться к нам. ».


2018-3-27 : Спасибо, что посетили наш стенд на выставке «2018 MECSPE»

2018 MECSPE было успешно завершено в Парме, Италия, марта.22. ~ мар. 24. Благодаря вашему визиту GTC может сделать все мероприятия гладкими и успешными. Здесь GTC и все наши сотрудники искренне выражают вам нашу огромную признательность.


2018-3-14 : Спасибо, что посетили наш стенд на выставке «2018 PV Expo»

« 2018 PV Expo » был успешно завершен на выставке Japan Tokyo Big-Sight 28 февраля — 2 марта 2018 г. Здесь компания GTC хотела бы снова представить вам нашу огромную благодарность за то, что вы нашли время посетите наш стенд на PV Expo 2018.


19.02.2018 : Выпуск новой продукции — Магнит Коннектор

  • Контакт: 2PIN
  • Текущий рейтинг: 5A
  • AWG Калибр: 18AWG
  • Диапазон температур: -20 ° C ~ + 50 ° C


24-11-2017 : Спасибо, что посетили наш стенд на выставке 2017 Paris milipol SHOW

Выставка Paris milipol SHOW 2017 успешно завершилась в выставочном центре Paris-Nord Villepinte 11 ноября.21 ~ 24. Благодаря вашему визиту GTC может сделать все мероприятия гладкими и успешными. Здесь GTC и все наши сотрудники искренне выражают вам нашу огромную признательность.

Если у вас есть какие-либо вопросы о наших продуктах, пожалуйста, не стесняйтесь обращаться к нам. ».


2017-10-06 : Новостное письмо — На выставке OSAKA Battery Show мы также анонсировали наши новейшие продукты, разъемы IP67 SNAP-IN (M6) и IP68 Micro USB SMT.

Уважаемый господин:

Выставка OSAKA BATTERY SHOW 2017 была успешно завершена на выставке INTEX в Осаке 22 сентября -го , 2017 в Японии.Многие клиенты из разных областей, включая производителей солнечной энергии, энергии ветра, аккумуляторов, электромобилей, освещения и другого сопутствующего оборудования, посетили наш стенд и предложили нам много важных отраслевых ноу-хау и предложений.

Здесь компания GTC хотела бы еще раз представить вам нашу огромную благодарность за то, что вы нашли время посетить наш стенд на выставке OSAKA BATTERY SHOW 2017.

На выставке OSAKA Battery Show мы не только представили текущие водонепроницаемые продукты GTC, но также анонсировали наши новейшие продукты, разъемы IP67 SNAP-IN (M6) и IP68 Micro USB SMT

Разъем SNAP-IN (M6)


Разъем SNAP-IN (M6)

Только что выпущенный разъем GTC Snap-In с его компактными размерами особенно подходит для систем электронных велосипедов, светодиодного освещения, портативных устройств и тех приложений, где требуется функция экономии места.

Благодаря максимальному количеству контактов 6, этот новый продукт с защелкой может использоваться для передачи сигнала или сигнала мощность + (2 мощности ядра + 2 пары сигнала). Механизм блокировки push-pull упрощает установку. После подключения он получает степень защиты IP67. Наружная оболочка кабеля и отливка разъема изготовлены из ТПУ, который обладает исключительной гибкостью и лучше противостоит старению, чем ПВХ. Таким образом, новый продукт — прекрасное решение для наружного применения.

  • Контакт: 4 ~ 6PIN
  • Текущий рейтинг: 2.0A
  • AWG Калибр: 24 AWG ~ 30 AWG
  • Диапазон температур: -40 ° C / + 105 ° C
  • Рейтинг IP: IP 67

Разъем Micro USB типа SMT

GTC Разъем Micro USB типа SMT разработан для повышения водонепроницаемости интерфейсов, встроенных в носимые устройства. Он имеет класс защиты IP68 и подходит для использования на открытом воздухе, например, для электровелосипедов, наушников и спортивной одежды со встроенным пульсометром.

  • Текущий рейтинг: 1.8А (контакты №1 и №5)

0,5А (контакты №2, №3 и №4)

  • Диапазон температур: -40 ° C / + 105 ° C
  • Рейтинг IP: IP 68

Если у Вас возникнут вопросы, обращайтесь к нам. Мы будем рады оказать вам оперативную помощь.

Мы ценим ваше внимание.

Контактная информация:
Тайвань, Гонконг, Китай : [email protected]
США, Канада : [email protected]
Japen : [email protected]
Европа и другие регионы : [email protected]

Отписаться

Адрес: 13F, № 800, Zhongzheng Rd., Zhonghe Dist, New Taipei City, 23586, Тайвань, R.O.C.
ТЕЛ: 886-2-7716-8136 ФАКС: 886-2-7716-8137

Авторские права © 2016 GT Contact Co., Ltd. (GTC) Все права защищены.


2017-10-06 : Новостное письмо — Новый продукт с водонепроницаемым разъемом SNAP-IN IP67 и водонепроницаемым разъемом Micro USB SMT типа IP68

Уважаемый господин:

Мы с гордостью сообщаем, что GTC только что выпустила новые изделия, включающие водонепроницаемый разъем SNAP-IN IP67 и водонепроницаемый разъем Micro USB SMT типа IP68.

Разъем SNAP-IN

Защелкивающаяся панель

Новый разъем GTC Snap-in с компактным размером, подходит для системы электронного велосипеда, светодиодного освещения, портативных устройств и любых приложений, требующих функции экономии места.

С макс. 6 контактами он может использоваться для передачи сигнала или сигнала мощность + (2 мощности ядра + сигнал 2 пары).Механизм двухтактной блокировки упрощает установку, поскольку после соединения он имеет степень защиты IP67. Наружная оболочка кабеля и отливка разъема изготовлены из ТПУ, он обладает хорошей гибкостью и устойчив к старению лучше, чем ПВХ, идеально подходит для наружного применения.

Конец кабеля с защелкой

  • Контакт: 4 ~ 6PIN
  • Текущий рейтинг: 2.0A
  • AWG Калибр: 24 AWG ~ 30 AWG
  • Диапазон температур: -40 ° C / + 105 ° C
  • Рейтинг IP: IP 67

Разъем Micro USB типа SMT

Разъем Micro USB типа SMT GTC разработан для повышения водонепроницаемости этих интерфейсов, встроенных в современные носимые устройства.Он имеет класс защиты IP68 и подходит для использования на открытом воздухе, например, для электровелосипедов, наушников, спортивной одежды со встроенным пульсометром и т. Д.

  • Номинальный ток: 1,8 А (контакты №1 и №5)

0,5А (контакты №2, №3 и №4)

  • Диапазон температур: -40 ° C / + 105 ° C
  • Рейтинг IP: IP 68

Если у Вас возникнут другие вопросы, обращайтесь к нам. Мы будем рады оказать вам оперативную помощь.

Мы ценим ваше внимание.

Контактная информация:
Тайвань, Гонконг, Китай : [email protected]
США, Канада : [email protected]
Japen [email protected]
Европа и другие регионы : jennifer .chung @ gtcontact.com


04.10.2017 : Спасибо, что посетили наш стенд на 217 OSAKA BATTERY SHOW

2017 OSAKA BATTERY успешно завершена в Японии, Осака, INTEX, сен.20 ~ 22 сентября 2017 г. Компания GTC хотела бы снова представить вам нашу огромную благодарность за то, что нашли время посетить наш стенд на OSAKA BATTERY 2017.

Если у вас есть какие-либо вопросы, пожалуйста, обращайтесь к нам. .


2017-09-06 : Выпуск новых продуктов — Водонепроницаемый разъем серии IP65 SNAP-IN

GTC с гордостью представляет свой новый продукт IP65 W Атербезопасный соединитель серии SNAP-IN.

It s IP65 водо- и пыленепроницаемый, подходит для коммерческих и промышленных операций в суровых условиях и на открытом воздухе.

Для получения подробной информации свяжитесь с нами по электронной почте или по телефону.


07.08.2017 : Выпуск новой продукции — Водонепроницаемый разъем Micro USB SMT Type

GTC с гордостью представляет свой новый продукт водонепроницаемый разъем типа Micro USB SMT.

It s IP68 водо- и пыленепроницаемый, подходит для носимого производства и оборудования, используемого в суровых условиях.

Для получения подробной информации свяжитесь с нами по электронной почте или по телефону.


2017-5-16- Уведомление об авторизации UL для серии GTC RJ45

Мы с гордостью сообщаем, что водонепроницаемые соединители GTC RJ45 IPX7 получили уведомление об авторизации UL-4787610859.

Если у Вас возникнут другие вопросы, обращайтесь к нам. Мы будем рады оказать вам оперативную помощь.

Контактная информация:
Тайвань, Гонконг, Китай
[email protected]
США, Канада
[email protected]
163 Япония, Корея
[email protected]
Европа и другие регионы
Дженнифер[email protected]


2017-4-25 : Благодарим вас за посещение нашего стенда на выставке Battery Show — Europe 2017 — Зиндельфинген Штутгарт, Германия

Выставка Battery Show Europe 2017 была успешно завершена в Зиндельфингене, Штутгарт, Германия, 4 апреля — 6 апреля. Здесь компания GTC хотела бы снова представить вам нашу огромную благодарность за то, что нашли время посетить наш стенд на выставке Battery Show. Европа 2017.

Если у вас есть какие-либо вопросы, пожалуйста, напишите ‘, не сомневайтесь, не теряйте связи с нами.

Best Rgds


22 марта 2017 г. : Информационное письмо — Министерство национальной обороны пригласило GTC принять участие в церемонии, состоявшейся в городе Гаосюн 21 марта 2017 г.

GTC был приглашен Министерством национальной обороны для участия в церемонии, состоявшейся в городе Гаосюн 21 марта 2017 года. Цель участия GTC — засвидетельствовать подписание меморандума, официально положившего начало внутренним усилиям Тайваня по строительству подводных лодок. .Документ подписали Министерство национальной обороны, Тайваньская судостроительная корпорация и Национальный институт науки и технологий Чжун-Шаня.

Церемонию провела президент Тайваня г-жа Цай Инь-вэнь. В своем выступлении она выразила свою решительную поддержку этому проекту и пожелала объединить все смежные отрасли для участия в этом проекте.

GTC рада принять участие в этом мероприятии и желает проекту больших успехов в обозримом будущем.

Контактная информация:
Тайвань, Гонконг, Китай : [email protected]
США, Канада : [email protected]
Japen [email protected]
Европа и другие регионы : jennifer .chung @ gtcontact.com


2017-2-3 : Спасибо за посещение нашего стенда на 2017 NEPCON JAPAN

2017 NEPCON JAPAN был успешно завершен в Japan Tokyo Big Sight в январе.18 ~ 20 января. Мы также анонсируем на этой выставке наш новый продукт «Водонепроницаемый USB TYPE C Series». Здесь компания GTC хотела бы еще раз представить вам нашу огромную благодарность за то, что вы нашли время посетить наш стенд на выставке NEPCON JAPAN 2017.

Если у вас есть какие-либо вопросы, пожалуйста, напишите ‘, не сомневайтесь, не теряйте связи с нами.

Лучшие результаты


2016-12-06 : Информационное письмо — Новый продукт с водонепроницаемым разъемом USB Type C

Уважаемый господин:

Мы с гордостью сообщаем, что GTC только что выпустила свой новый продукт — водонепроницаемые разъемы USB Type C IPX7.Мы считаем, что GTC является одним из пионеров, достигших этой цели в индустрии прочных соединителей на Тайване.

Новые разъемы типа C IPX7 удовлетворяют потребности клиентов в возможности полностью двустороннего подключения и соответствуют стандарту USB 3.1. Максимальная скорость передачи данных продукта может достигать 10 Гбит / с, а максимальный ток — 5 А.

Внешний вид USB Type C


Панель USB типа C

GTC USB Type C IPX7 не только соответствует спецификации USB Type C, но также соответствует стандарту защиты от пыли и влаги IP67.Таким образом, продукт подходит для коммерческих и промышленных операций в суровых условиях и на открытом воздухе.

Мы считаем, что производители портативных устройств, складского оборудования, оборудования для слабого электрического тока, медицинских инструментов, уличных светодиодных дисплеев, морской электроники, автоматики и IPC / военных NB будут очень заинтересованы в этом новом продукте.


Кабельный штекер USB типа C


Соединение USB типа C

Тем временем GTC также предлагает различные типы адаптеров USB типа C для работы с нашими новыми продуктами.Металлическая версия GTC USB Type C IPX7 находится в стадии разработки и, как ожидается, будет выпущена в начале 2017 года.


24-11-2016 : Благодарим вас за посещение нашего стенда на выставке Electronica 2016 — Gemany Messe Munich.

Электроника 2016 была успешно завершена в выставочном центре Мюнхена, Германия, ноября.8-11. Благодаря вашему визиту GTC может сделать все мероприятия гладкими и успешными. Здесь GTC и все наши сотрудники искренне выражают вам нашу огромную признательность.

Если у вас возникнут какие-либо вопросы о наших продуктах, не стесняйтесь обращаться к нам.


2016-11-02 : Выпуск новинки — водонепроницаемый разъем USB Type C

GTC с гордостью представляет свой новый продукт — водонепроницаемый разъем USB типа C и кабельные сборки

Водонепроницаемость и пыленепроницаемость IP67, подходит для оборудования, используемого в суровых условиях.

Для получения подробной информации свяжитесь с нами по электронной почте или по телефону.


14.10.2016 : Благодарим вас за посещение нашего стенда на TAITRONICS 2016 (Международная выставка электроники в Тайбэе)

2016 TAITRONICS была успешно завершена в выставочном центре Taiwan Taipei Nangang, зал 1 с 6 по 9 октября. Здесь компания GTC хотела бы снова представить вам нашу огромную благодарность за то, что нашли время посетить наш стенд. на ТАЙТРОНИКС 2016.

Если у вас есть какие-либо вопросы, пожалуйста, напишите ‘, не сомневайтесь, не теряйте связи с нами.


06.09.2016 : Благодарим вас за посещение нашего стенда на выставке Automation Show-Taipei 2016 (Международная выставка промышленной автоматизации в Тайбэе)

2016 Automation Show-Taipei успешно завершилась в выставочном зале Taiwan Taipei Nangang с 31 августа по сентябрь. 3 2016. Здесь компания GTC хотела бы еще раз представить вам нашу огромную благодарность за то, что вы нашли время посетить наш стенд на выставке Automation Show-Taipei 2016.

Если у Вас возникнут вопросы, не стесняйтесь обращаться к нам.


30.08.2016 : Новостное письмо — новая услуга литья пластин под низким давлением (LPIM).

Уважаемый господин,

Мы с гордостью сообщаем, что GTC только что запустила новую услугу по формованию пластин под низким давлением (LPIM). Мы считаем, что GTC является одним из пионеров на Тайване, который применил этот метод в производстве прочных соединителей.

Легко достигается стандарт водонепроницаемости IP68
Водонепроницаемый, эпоксидная смола не требуется
Соответствует стандарту RoHS (нетоксичный)

LPIM — это инновационный процесс, обеспечивающий эффективность производства:

  • Короткое время цикла и предотвращение длительного отверждения эпоксидной смолы улучшают стабильность продукта.
  • Низкое давление впрыска для предотвращения повреждения компонентов / проволоки и смещения полостей.
  • Более прочный фиксатор натяжения и втулка.
  • Одношаговое формование для замены двухслойной формы.

Герметизация хрупких электронных компонентов по стандарту водонепроницаемости IP68.

Инъекционная машина низкого давления

Гибкий на печатных платах различных форм и размеров

Более сильное разгрузочное устройство

Если вы заинтересованы в вышеперечисленных продуктах или у вас есть какие-либо требования к индивидуальным водонепроницаемым решениям, пожалуйста, свяжитесь с нами.Мы будем рады оперативно Вам ответить.

Контактная информация:
Тайвань, Гонконг, Китай : [email protected]
США, Канада : [email protected]
Japen : [email protected]
Европа и другие регионы : jennifer.chung @ gtcontact.com

28.07.2016 Выставка KE 2016 успешно завершена

Июльская выставка KE Show 2016 успешно завершилась в городе Куньшань провинции Цзянсу, Китай.12-15. Благодаря вашему визиту GTC может сделать все мероприятия гладкими и успешными. Здесь GTC и все наши сотрудники искренне выражают вам нашу огромную признательность.


15.07.2016 : Уведомление о переезде

Уважаемые покупатели и поставщики,

Сообщаем вам, что мы переезжаем на новое место 8 июля 2016 года.

Наш новый адрес будет:

13F, No.800, Zhongzheng Rd., Zhonghe Dist.

Нью-Тайбэй, 23586,

Тайвань, R.O.C.

Телефон: + 886-2-7716-8136 (остается прежним)

Номер факса: + 886-2-7716-8137 (остается прежним)

Все наши адреса электронной почты остаются прежними. Пожалуйста, свяжитесь с соответствующими представителями через оригинальные электронные письма или вы можете связаться с нами через наш общий офисный адрес электронной почты: sales @ gtcontact.com

Мы очень ценим ваше внимание и постоянную поддержку. Мы с нетерпением ждем вас в ближайшее время.


24.06.2016 : Благодарим вас за посещение нашего стенда на MEDICARE TAIWAN 2016 (Тайваньская международная выставка медицины и здравоохранения).

Международная выставка медицины и здравоохранения MEDICARE TAIWAN — Тайвань 2016 была успешно завершена в Тайбэе, Тайвань, 16-19 июня. Благодаря вашему визиту GTC может сделать все мероприятия гладкими и успешными.Здесь GTC и все наши сотрудники искренне выражают вам нашу огромную признательность.


04.05.2016 : Информационное письмо — S.E.E. 2016 г.



04.05.2016 : Информационное письмо — Тайваньская международная выставка электромобилей 2016



22-04-2016 : Спасибо, что посетили наш стенд в S.E.E.2016 (мероприятие по скандинавской электронике)

S.E.E.2016 успешно завершено в Швеции, Кистамассан, 19 апреля — апр. 21 2016. Здесь компания GTC хотела бы еще раз представить вам нашу огромную благодарность за то, что вы нашли время посетить наш стенд на S.E.E.2016.

Если у Вас возникнут вопросы, не стесняйтесь обращаться к нам.



2016-04-12 : 6-я Тайваньская международная выставка электромобилей успешно завершилась

6-я Тайваньская международная выставка электромобилей успешно завершилась в Тайбэе, Тайвань, апрель.6-9. Благодаря вашему визиту GTC может сделать все мероприятия гладкими и успешными. Здесь GTC и все наши сотрудники искренне выражают вам нашу огромную признательность.



16.03.2016 : Тайваньское международное бот-шоу 2016 успешно завершено

Taiwan Int’l Boat Show 2016 успешно завершилась в Гаосюне, Тайвань, 10 марта. Благодаря вашему визиту GTC может сделать все мероприятия гладкими и успешными.Здесь GTC и все наши сотрудники искренне выражают вам нашу огромную признательность.



15.03.2016 : 6-я Международная выставка SMART GRID EXPO успешно завершилась

SMART GRID EXPO 2016 успешно завершилась в Токио, Япония, 1 марта. Благодаря вашему визиту GTC смогла сделать все мероприятия гладкими и успешными. Здесь GTC и все наши сотрудники искренне выражают вам нашу огромную признательность.



07.12.2015 : Компания GTC выпустила серию металлических винтов C3 USB-A 3.0.

GTC выпустила серию металлических винтов C3 USB-A 3.0. T его модель разработана с применением водонепроницаемой техники GTC и соответствует спецификациям IP67. Если у вас есть вопросы, не стесняйтесь обращаться к нам.



25.11.2015 : Компания GTC выпустила серию пластиковых замков HDMI C4 Lock Type.

GTC выпустила серию пластиковых замков HDMI C4 Lock Type. T его модель разработана с применением водонепроницаемой техники GTC и соответствует спецификациям IP67. Если у вас есть вопросы, не стесняйтесь обращаться к нам.



23.11.2015 : Спасибо, что посетили наш стенд на выставке Milipol Paris 2015

Milipol Paris 2015 успешно завершен по адресу Paris Nord Villepinte Nov.17 ~ ноя. 20. Здесь компания GTC хотела бы еще раз представить вам нашу огромную благодарность за то, что вы нашли время посетить наш стенд на выставке Milipol Paris 2015.



11-11-2015 : GTC выпустила защитную крышку C4 для USB-накопителя (San Disk CZ55)

GTC выпустила защитную крышку C4 для USB-накопителя (San Disk CZ55). Крышка изготовлена ​​по водонепроницаемой технологии GTC и позволяет водонепроницаемой флешке сделать ее водонепроницаемой, просто надев на нее крышку.Флэш-накопитель с защитной крышкой предназначен для соединения с разъемом панели GTC C4 USB с замком, GT111200-10. Для получения дополнительной информации об этом продукте, пожалуйста, свяжитесь с нами.

Если у вас возникнут вопросы, не стесняйтесь обращаться к нам.



09.11.2015 : GTC выпустила водонепроницаемую защитную оболочку и крышку для модуля SFP

GTC выпустила водонепроницаемую защитную оболочку и крышку для модуля SFP.Защитный кожух из металлической панели и крышка, устанавливаемая на стыковочное поле, разработаны с использованием водонепроницаемой технологии GTC. Их можно установить на SFP или медный модуль, а также на разъемы USB и RJ45.

Для получения дополнительной информации о продуктах, пожалуйста, свяжитесь с нами.



GTC рада представить новый пластиковый устанавливаемый разъем USB2.0.

GTC рада представить свой пластиковый USB2.0 поданный разъем устанавливаемого типа. Эта модель разработана с использованием водонепроницаемой технологии GTC и может быть собрана самими пользователями.

Чтобы узнать о способе сборки и получить дополнительную информацию о продукте, свяжитесь с нами напрямую.



27.10.2015 : GTC с гордостью представляет новый разъем Dual USB с пружинной крышкой

GTC с гордостью представляет новый разъем Dual USB с пружинной крышкой.

Коннектор изготовлен по водонепроницаемой технологии GTC, его основными особенностями являются двухслойные USB-разъемы и пружинный колпачок. Пружинный колпачок позволяет автоматически закрывать соединитель, а двухуровневые USB-разъемы могут помочь сэкономить место, что очень подходит для использования вне помещений и в суровых условиях.



12.10.2015: Спасибо за посещение нашего стенда на CEATEC JAPAN 2015

CEATEC JAPAN 2015 было успешно завершено в Макухари Мессе, Япония, 10 октября.7 Здесь компания GTC хотела бы еще раз представить вам нашу огромную благодарность за то, что вы нашли время посетить наш стенд на выставке CEATEC JAPAN 2015.



12.10.2015: Спасибо, что посетили наш стенд на TAITRONICS 2015 в Тайбэе.

TAITRONICS 2015 (41-я Международная выставка электроники в Тайбэе) успешно завершилась 6 октября в выставочном центре Taipei Nangang, зал 1, Тайвань Тайбэй. Здесь компания GTC хотела бы снова представить вам нашу огромную признательность за то, что нашли время. посетить наш стенд на TAITRONICS 2015.



18.08.2015: Спасибо, что посетили наш стенд на выставке TADTE 2015 в Тайбэе.

Тайбэйская выставка аэрокосмических и оборонных технологий (TADTE) была успешно завершена в зале 1 Всемирного торгового центра Тайбэя, Тайвань Тайбэй 16 августа. Здесь компания GTC хотела бы снова представить вам нашу огромную признательность за то, что вы нашли время посетите наш стенд на выставке TADTE 2015.


09.03.2015: Поздравляю! Металлический соединитель GT Contact C1 приобрел U.S. Патент

Поздравляю GT Contact C1 Металлический кабельный соединитель получил патентный сертификат США.


27.02.2015: Спасибо, что посетили наш стенд на SMART GRID EXPO 2015 в Токио.

Пятая INT’L SMART GRID EXPO была успешно завершена 27 февраля в Tokyo Big Sight, Токио. Компания GTC хотела бы еще раз представить вам нашу огромную благодарность за то, что нашли время посетить наш стенд на SMART GRID. ЭКСПО 2015.


26.02.2015: Благодарим вас за посещение нашего стенда на выставке Embedded World 2015 в Нюрнберге.

Embedded world 2015 был успешно завершен 26 февраля в выставочном центре Нюрнберга, Германия. Здесь компания GTC хотела бы еще раз представить вам нашу огромную благодарность за то, что вы нашли время посетить наш стенд на Embedded world 2015.


30.09.2014: Поздравляем! GT Contact Push Lock приобрел U.S. Патент

Поздравляем GT Contact Push Lock — штекерный соединитель и узел соединителя получили патентный сертификат США.


04.08.2014: Электроника / Стенд № B4 653

Приглашаем вас посетить нас на выставке Electronica 2014 в выставочном центре Мюнхена, Германия

Дата: 11–14 ноября 2014 г.

Стенд № B4 653 http: //www.electronica.de / en / home


2014-08-01: Выставка батарей 2014 / стенд B1312

Приглашаем посетить нас на выставке Battery Show 2014 в Нови, штат Мичиган, США

Дата: 16–18 сентября 2014 г.

Стенд № B1312

http://www.thebatteryshow.com/


2014-08-01: CEATEC JAPAN 2014 / Booth No.6K 134

Добро пожаловать к нам в гости на CEATEC JAPAN 2014

Дата: 7 ~ 11 октября 2014 г.

Номер стенда 6K 134

http://www.ceatec.com/en/


21.05.2014: IFSEC International 2014 / Стенд № E2252

Добро пожаловать к нам в гости на IFSEC International 2014 в ExCel London, UK

Дата: июн.17 — 19 июня 2014 г.

Стенд № E2252

http://www.ifsec.co.uk/


14.05.2014: Благодарим вас за посещение нашего стенда на Taiwan Int’l Boat Show 2014 в выставочном центре Гаосюн

Тайваньское международное бот-шоу 2014 было успешно завершено 11 мая в выставочном центре Гаосюн, Тайвань. Здесь компания GTC хотела бы еще раз представить вам нашу огромную благодарность за то, что нашли время посетить наш стенд на Тайваньском международном выставочном центре. l Бот-шоу 2014.


12.05.2014: Спасибо за посещение нашего стенда на AeroCon Texas 2014 в Форт-Уэрте.

AeroCon Texas 2014 был успешно завершен в Форт-Уэрте, штат Техас, 8 мая. Здесь компания GTC хотела бы еще раз представить вам нашу огромную благодарность за то, что вы нашли время посетить наш стенд на AeroCon Texas 2014.


08.05.2014: Тайваньское международное бот-шоу 2014 / стенд № B2639

Приглашаем посетить нас на Taiwan Int’l Boat Show 2014 в Гаосюне, Тайвань

Дата: 8 — 11 мая 2014 г.

Стенд No.B2639

http://www.boatshow.tw/en_US/index.html


16.04.2014: Спасибо, что посетили наш стенд на выставке AeroCon South 2014 в Шарлотте.

AeroCon South 2014 был успешно завершен 16 апреля в Шарлотте, Северная Каролина, штат Северная Каролина. Здесь компания GTC хотела бы снова представить вам нашу огромную благодарность за то, что вы нашли время посетить наш стенд на AeroCon South 2014.


07.05.2014: AeroCon Texas 2014 / Стенд №936

Приглашаем вас посетить нас на AeroCon 2014 в Форт-Уэрте, Техас, США
(Тема: Аэрокосмическая промышленность, оборона и приборы)

Дата: 7 мая — 8 мая 2014 г.

Стенд № 936

http://aerocontexas.designnews.com/


14-03-2014: Поздравляем! GT Contact Push Lock получил патент США.

Поздравляем GT Contact Push Lock — штекерный соединитель и узел соединителя приобрели U.S. Патент, выданный USPTO (Ведомство США по патентам и товарным знакам) в марте 2014 г., после полуторагодичного периода подачи заявок!


2014-04-15: Aerocon 2014 / Стенд № 949

Приглашаем вас посетить нас на выставке Aerocon 2014 в Шарлотте, Северная Каролина, США
(Тема: Аэрокосмическая промышленность, оборона и приборы)

Дата: 15 — 16 апреля 2014 г.

Стенд № 949
http: //www.aeroconshow.ком /


28.02.2014: Спасибо за посещение нашего стенда на BATTERY JAPAN 2014 в Токио

Пятая международная выставка аккумуляторных батарей успешно завершилась 28 февраля в Tokyo Big Signt, Япония. Благодарим вас за посещение GTC на Battrery Japan 2014! Компания GTC рада продемонстрировать наши водонепроницаемые соединители серии I / O со степенью защиты IP67 / IP68 для рынка возобновляемых источников энергии, такого как интеллектуальные сети и аккумуляторы для электромобилей, на выставке Battrery Japan 2014.Здесь компания GTC хотела бы еще раз представить вам нашу огромную благодарность за то, что вы нашли время посетить наш стенд.


26.02.2014: 5-я Международная выставка аккумуляторов (BATTERY JAPAN 2014) // Стенд № Taiwan Pavilion / W9-7

Приглашаем вас посетить нас на выставке BATTERY JAPAN 2014 в Токио

Дата: 26 — 28 февраля 2014 г.

Стенд № Тайвань Павильон / W9-7

http: // www.batteryjapan.jp/en/


2014-01-15: 43-я выставка по исследованиям, разработкам и технологиям производства электроники (NEPCON JAPAN 2014) / стенд № East 32-9

Добро пожаловать к нам в гости на NEPCON JAPAN 2014 в Токио

Дата: 15–17 января 2014 г.

Номер стенда Восток 32-9

http://www.ele-expo.jp/


08.11.2013: Делегация Тайваньской зеленой промышленности в Японии, 2013 г.

Приглашаем вас посетить делегацию Тайваньской зеленой промышленности в Японии, 2013 г., Япония

Дата: 18 ноября (в Фукуоке, ) 20 (в Осаке, ) 22 (в Токио), 2013 г.

Стенд No.N0. 12

http://www.taitra.gr.jp/event/ts/2013green.html


09.10.2013: Поздравляю! Компания GT Contact получила новую версию сертификата ISO от TUV NORD.


Поздравляет GT Contact с получением нового сертификата ISO 9001: 2008 и ISO 14001: 2004 от TUV NORD, одной из самых строгих международных организаций по сертификации аудита ISO, основанных на нашей строгой системе контроля качества и духе качества, оперативность и сервис.


16.09.2013: Сравнение 2013 / Стенд № C09E

Приглашаем посетить нас на выставке COMPAMED 2013 в Германии

Дата: 20-22 ноября 2013 г.

Стенд № C09E

http://www.compamed-tradefair.com/


06.09.2013: CEATEC Japan 2013 / Стенд № 3D07

Добро пожаловать в гости к нам на Ceatec Japan в Токио

Дата: 1-5 октября 2013 г.

Стенд No.3D07

http://www.ceatec.com/2013/en/application/index.html


03.09.2013: New Open !! GTC Shenzhen, Inc.

Мы с гордостью сообщаем, что торжественное открытие GTC Shenzhen Inc. состоялось в июле 2013 года. GTC Shenzhen Inc. на 100% принадлежит GT Contact Co., Ltd. Тайвань.

Это новое предприятие будет предлагать местные услуги и расширять наше присутствие на территории Большого Китая.
Мы ценим постоянную поддержку со стороны наших клиентов, поставщиков и партнеров.Мы будем рады вашим комментариям и запросам по электронной почте: [email protected].


16.08.2013: Выставка батарей 2013 / стенд № B1321

Приглашаем посетить нас на выставке Battery Show

Дата: 17-19 сентября 2013 г.

Номер стенда B1321

http://www.thebatteryshow.com/exhibitor- list-2013 № G


2013-03-22: Промышленная автоматизация / HANNOVER MESSE / Booth No.G78

Добро пожаловать к нам в гости в HANNOVER MESSE


Дата: 8-12 апреля 2013 г.

Зал: 009 Стенд № G78

http://www.hannovermesse.de/en/about-the-trade-show/facts-figures/ профиль / hannover-messe-2013-обзор



01.03.2013: 4-я Международная выставка аккумуляторов (Battery Japan)

4-я Международная выставка аккумуляторов успешно завершилась в Tokyo Big Signt, Япония, марта.1. Благодаря вашему визиту GTC может сделать все мероприятия гладкими и успешными. Здесь GTC и все наши сотрудники искренне выражают вам нашу огромную признательность.



20.02.2013: УВЕДОМЛЕНИЕ О ПЕРЕМЕЩЕНИИ ОФИСА

Сообщаем вам, что мы переедем в новое место 27 февраля 2013 года.

Наш новый адрес: 12F, №111-2, XingDe Rd., Район Санчонг, город Нью-Тайбэй, 24158, Тайвань, R.O.C.
Новый номер телефона: + 886-2-7716-8136
Новый номер факса: + 886-2-7716-8137

Все наши адреса электронной почты остаются прежними. Пожалуйста, свяжитесь с соответствующими представителями через оригинальные электронные письма. Мы очень ценим ваше внимание и постоянную поддержку. Мы с нетерпением ждем вас в ближайшее время.


21.01.2013: 4-я Международная выставка аккумуляторов (Battery Japan) / стенд №W8-7

Приглашаем Вас посетить нас на выставке Battery Japan Show

Дата: 27 февраля — 01 марта 2013 г.

Стенд № W8-7

http://www.batteryjapan.jp/en/Home/


22.11.2012 : Электроника-Мюнхен 2012 успешно завершена

Electronica — Международная выставка электронных компонентов, систем и приложений успешно завершилась в Мюнхене ноября.16. Благодаря вашему визиту GTC может сделать все мероприятия гладкими и успешными. Здесь GTC и все наши сотрудники искренне выражают вам нашу огромную признательность.



20-11-2012 : Выставка батарей 2012 успешно завершена

Выставка Battery Show 2012 успешно завершилась в Детройте 15 ноября. Благодаря вашему визиту GTC смогла сделать все мероприятия гладкими и успешными.Здесь GTC и все наши сотрудники искренне выражают вам нашу огромную признательность.



18.10.2012: Выставка аккумуляторов DETROIT 2012 / стенд № B817

Приглашаем вас посетить нас на выставке батарей DETROIT

Дата: 13-15 ноября 2012 г.

Стенд № B817
http://www.thebatteryshow.com


09.10.2012: GTC анонсирует совершенно новую серию 41 Amps Power

Водонепроницаемые разъемы питания серии GT1E1 — это лучшие характеристики GT Contact из представленных.Они разработаны для удовлетворения высоких требований промышленного применения в суровых условиях окружающей среды. Конструкция ввинчиваемых контактов обеспечивает простую, но надежную заделку, что дает качественные, технические и экономические преимущества. Полностью термопластичная конструкция обеспечивает снижение веса на 50% по сравнению с аналогичной металлической конструкцией, но при этом обладает высокой ударопрочностью, позволяющей выдерживать жесткие нагрузки как в помещении, так и на улице. Это будет ваше лучшее решение с высоким энергопотреблением. Свяжитесь с нами для получения более подробной информации.



20.07.2012: GTC анонсирует новые мини-разъемы

GTC предлагает совершенно новую серию GT272 для приложений с текущими требованиями к 13/10 ампер. Прочная цельнометаллическая конструкция может использоваться в разнообразном открытом промышленном оборудовании с выдающейся прочностью. Он разработан в соответствии со спецификацией NMEA 2000 и уже прошел сертификацию UL 2238 (наружный стандарт). Если вас интересует серия GT272, немедленно свяжитесь с нами.



18.05.2012: GTC представляет новые металлические круглые соединители

GTC (GT Contact) представляет новые металлические водонепроницаемые круглые соединители. Эта серия является самым маленьким водонепроницаемым круглым соединителем, разработанным по технологии прочной водонепроницаемости, принадлежащей GTC. Его внешний компонент изготовлен из сплава цинка с никелевым покрытием. Он очень прочный и подходит для использования в мобильных водонепроницаемых устройствах или в устройствах ограниченного пространства на открытом воздухе.Для получения дополнительной информации об этой серии металлических круглых разъемов, пожалуйста, немедленно свяжитесь с нами.



20-03-2012: GTC разрабатывает одно уникальное комплексное решение серии металлических RJ45.

GTC (GT Contact) рада объявить о совершенно новом комплексном решении серии металлических RJ45. Это решение включает в себя соединитель панели RJ45, концевой соединитель кабеля, устанавливаемый на месте, водонепроницаемую крышку и защитный кожух для защиты от столкновений и соответствует классу IP68 (отсутствие проникновения пыли; защита от воздействия непрерывного погружения в воду на глубину 1 м в течение 24 часов).Все внешние компоненты этого решения выполнены из металлических материалов. Это лучший выбор для использования в приложениях Ethernet для внешних погодоустойчивых устройств.



02.01.2012 : Требуется дистрибьютор

Мы ищем дистрибьюторов в Европе, США и Азии. Если вы заинтересованы в том, чтобы стать новым дистрибьютором, который будет хранить и продавать нашу продукцию, отправьте электронное письмо по адресу sales @ gtcontact.com для дальнейших контактов. Мы с нетерпением ждем вашего участия в будущем беспроигрышном росте бизнеса.


22.09.2011: BIOMEDevice — Сан-Хосе (6-7 декабря) / стенд № 942


Добро пожаловать в гости к нам в BIOMEDevice- San Jose

Дата: 6-7 декабря 2011 г.

Стенд № 942



04.08.2011: Поздравляем! Компания GT Contact получила новую версию сертификата ISO от TUV NORD.

поздравляет GT Contact с получением нового сертификата ISO 9001: 2008 и ISO 14001: 2004 от TUV NORD, одной из самых строгих в мире организаций по сертификации аудита ISO, основанных на нашей строгой системе контроля качества и духе качества, эффективности и обслуживания.


2011-04-12 : Hannover Messe 2011 успешно завершен

Hannover Messe 2011 — Промышленная автоматизация была успешно завершена в Ганновере, Германия, апрель.8. Благодаря вашему визиту GTC может сделать все мероприятия гладкими и успешными. Здесь GTC и все наши сотрудники искренне выражают вам нашу огромную признательность.


2011-03-10 : GTC выпускает первый в мире водонепроницаемый разъем USB 3.0

GTC (GT Contact) рада объявить о разработке первого в мире водонепроницаемого разъема USB 3.0 (GT118300-xx) с высочайшей производительностью. GT118300-xx может обеспечить максимальную скорость передачи USB 3.0 для 4800 Мбит / с, и это рейтинг IP67 в соответствии со стандартом IEC 60529. Этот продукт будет широко применяться в промышленных компьютерах, морских компьютерных системах, солнечном энергетическом оборудовании и т. Д.


18.02.2011 : Hannover Messe 2011 (4-8 апреля) / стенд № Холл 011 / F59

Приглашаем вас посетить нас на выставке Hannover Messe 2011 — Industrial Automation

Номер стенда Зал 011 / F59


http: // www.hannovermesse.de/ru/industrialautomation


15.10.2010 : Выставка батарей 2010 успешно завершена

Выставка Battery Show 2010 была успешно завершена в Сан-Хосе 7 октября. Благодаря вашему визиту GTC смогла сделать все мероприятия гладкими и успешными. Здесь GTC и все наши сотрудники искренне выражают вам нашу огромную признательность.


Драйвер системного программного интерфейса USB Type-C Connector (UCSI) — драйверы для Windows

  • 6 минут на чтение

В этой статье

Сводка

  • Поставляемый Microsoft драйвер UCSI для системы USB Type-C со встроенным контроллером.

Последнее обновление

Версия Windows

  • Windows 10 для настольных выпусков (Home, Pro, Enterprise и Education)
  • Windows 10 Mobile

Официальные характеристики

Microsoft предоставляет совместимый со спецификацией системный программный интерфейс USB Type-C Connector (UCSI) для транспорта ACPI. Если ваша конструкция включает встроенный контроллер с транспортом ACPI, внедрите UCSI в BIOS / EC вашей системы и загрузите встроенный драйвер UCSI (UcmUcsiCx.sys и UcmUcsiAcpiClient.sys).

Если ваше UCSI-совместимое оборудование использует транспорт, отличный от ACPI, вам необходимо написать драйвер клиента UCSI.

Драйверы для поддержки компонентов USB Type-C для систем со встроенными контроллерами

Вот пример системы со встроенным контроллером.

В предыдущем примере переключение ролей USB обрабатывается во встроенном ПО системы, а стек драйверов переключателя ролей USB не загружен. В другой системе стек драйверов может не загружаться, поскольку двойная роль не поддерживается.

На предыдущем изображении

  • Драйверы на стороне устройства USB

    Драйверы на стороне устройства USB обслуживают функцию / устройство / периферийное устройство. Расширение класса функционального контроллера USB поддерживает MTP (протокол передачи мультимедиа) и зарядку с помощью зарядных устройств BC 1.2. Microsoft предоставляет встроенные клиентские драйверы для контроллеров Synopsys USB 3.0 и ChipIdea USB 2.0. Вы можете написать собственный клиентский драйвер для вашего функционального контроллера, используя программные интерфейсы клиентского драйвера функционального контроллера USB.Дополнительные сведения см. В разделе «Разработка драйверов Windows для контроллеров функций USB».

    Поставщик SoC может предоставить вам драйвер нижнего фильтра функции USB для обнаружения зарядного устройства. Вы можете реализовать собственный драйвер фильтра, если используете встроенный клиентский драйвер Synopsys USB 3.0 или ChipIdea USB 2.0.

  • Драйверы USB на стороне хоста

    Драйверы хоста USB — это набор драйверов, которые работают с хост-контроллерами USB, совместимыми с EHCI или XHCI.Драйверы загружаются, если драйвер переключателя ролей перечисляет роль хоста. Если ваш хост-контроллер не соответствует спецификации, вы можете написать собственный драйвер, используя программный интерфейс расширения хост-контроллера USB (UCX). Дополнительные сведения см. В разделе «Разработка драйверов Windows для хост-контроллеров USB».

    Примечание Не все классы USB-устройств поддерживаются в Windows 10 Mobile.

  • Устройство управления разъемами USB

    Microsoft предоставляет встроенный драйвер UCSI с Windows (UcmUcsiCx.sys), который реализует функции, определенные в Спецификации программного интерфейса системы разъемов USB Type-C. Спецификация описывает возможности UCSI и объясняет регистры и структуры данных для проектировщиков аппаратных компонентов, сборщиков систем и разработчиков драйверов устройств.

    Этот драйвер предназначен для систем со встроенными контроллерами. Этот драйвер является клиентом предоставленного Microsoft драйвера расширения класса диспетчера разъемов USB (Ucmcx.sys). Драйвер обрабатывает такие задачи, как инициирование запроса к встроенному ПО для изменения ролей данных или питания и получение информации, необходимой для предоставления пользователю сообщений об устранении неполадок.

Команды UCSI, требуемые Windows

См. «Обязательные» команды во всех реализациях UCSI в спецификации UCSI.

В дополнение к командам, помеченным как «Обязательные», Windows требует следующих команд:

  • GET_ALTERNATE_MODES
  • GET_CAM_SUPPORTED
  • GET_PDOS
  • SET_NOTIFICATION_ENABLE: система или контроллер должны поддерживать следующие уведомления в SET_NOTIFICATION_ENABLE:
    • Изменение поддерживаемых возможностей провайдера
    • Согласованное изменение уровня мощности
  • GET_CONNECTOR_STATUS: система или контроллер должны поддерживать эти изменения статуса соединителя в GET_CONNECTOR_STATUS:
    • Изменение поддерживаемых возможностей провайдера
    • Согласованное изменение уровня мощности

Для получения информации о задачах, необходимых для реализации UCSI в BIOS, см. Intel BIOS. Реализация UCSI.

Пример потока для UCSI

Примеры, приведенные в этом разделе, описывают взаимодействие между оборудованием / прошивкой USB Type-C, драйвером UCSI и операционной системой.

Обнаружение роли DRP

  1. Аппаратное обеспечение / микропрограмма USB Type-C обнаруживает событие подключения устройства, и система DRP Windows 10 изначально становится ролью UFP.
    1. Прошивка отправляет уведомление об изменении разъема.
    2. Драйвер UCSI отправляет запрос GET_CONNECTOR_STATUS.
    3. Микропрограмма отвечает, что ее статус подключения = 1 и тип партнера по соединителю = DFP.
  2. Драйверы в стеке функций USB отвечают на перечисление.
  3. Расширение класса диспетчера разъемов USB распознает, что стек функций USB загружен и, следовательно, система находится в неправильном состоянии. Он сообщает драйверу UCSI о необходимости отправки запросов Set USB Operation Role и Set Power Direction Role микропрограммному обеспечению.
  4. Аппаратное / микропрограммное обеспечение
  5. USB Type-C инициирует операцию обмена ролями с DFP.

Обнаружение состояния ошибки несоответствия зарядного устройства

  1. Аппаратное обеспечение / прошивка USB Type-C обнаруживает, что зарядное устройство подключено, и согласовывает договор питания по умолчанию. Он также отмечает, что зарядное устройство не обеспечивает достаточную мощность для системы.

  2. Аппаратное обеспечение / прошивка USB Type-C устанавливает бит медленной зарядки.

    1. Прошивка отправляет уведомление об изменении разъема.
    2. Драйвер UCSI отправляет запрос GET_CONNECTOR_STATUS.
    3. Микропрограмма отвечает статусом подключения = 1, типом партнера по коннектору = DFP и статусом зарядки аккумулятора = медленная / непрерывная.
  3. Расширение класса диспетчера соединителей USB отправляет уведомление пользовательскому интерфейсу, чтобы отобразить сообщение об устранении неполадок при несовпадении зарядного устройства.

Как проверить UCSI

Есть несколько способов протестировать вашу реализацию UCSI. Чтобы проверить отдельные команды в вашей реализации UCSI BIOS / EC, используйте UCSIControl.exe, который предоставляется в пакете программного обеспечения MUTT.Чтобы протестировать вашу полную реализацию UCSI, используйте как тесты UCSI, которые можно найти в Windows Hardware Lab Kit (HLK), так и шаги в ручных процедурах взаимодействия Type-C.

UCSIControl.exe

Вы можете протестировать отдельные команды в вашей реализации UCSI BIOS / EC с помощью UCSIControl.exe. Этот инструмент позволяет отправлять команды UCSI в прошивку через драйвер UCSI. Для этого требуется, чтобы драйвер был загружен и запущен, а также был включен тестовый интерфейс для драйвера.По умолчанию этот интерфейс не включен, чтобы предотвратить доступ к нему неавторизованных пользователей в розничной системе.

  1. Найдите узел устройства в диспетчере устройств (devmgmt.msc) с именем UCSI USB Connector Manager . Узел относится к категории контроллеров универсальной последовательной шины .

  2. Выберите и удерживайте (или щелкните правой кнопкой мыши) устройство, выберите Свойства и откройте вкладку Подробности .

  3. В раскрывающемся списке выберите Путь к экземпляру устройства и запишите значение свойства.

  4. Откройте редактор реестра (regedit.exe).

  5. Перейдите к пути экземпляра устройства под этим ключом.

    HKEY_LOCAL_MACHINE \ System \ CurrentControlSet \ Enum \ \ Параметры устройства

  6. Создайте значение DWORD с именем TestInterfaceEnabled и установите значение 0x1.

  7. Перезагрузите устройство, выбрав параметр Отключить на узле устройства в диспетчере устройств, а затем выбрав Включить .В качестве альтернативы вы можете просто перезагрузить компьютер.

Справку можно просмотреть, запустив UcsiControl.exe /? .

Вот общие команды:

Команда UCSI Команда UcsiControl.exe
PPM Сброс UcsiControl.exe Отправить 0 1
Сброс разъема

Мягкий сброс: UcsiControl.exe Отправить 0 10003

Аппаратный сброс: UcsiControl.exe Отправить 0 810003

Установить включение уведомления

Все уведомления: UcsiControl.exe Отправить 0 ffff0005

Завершение только команды: UcsiControl.exe Отправить 0 00010005

Нет уведомления: UcsiControl.exe Отправить 0 00000005

Получить возможность UcsiControl.exe Отправить 0 6
Получить возможность разъема UcsiControl.exe Отправить 0 10007
Установить ЕД

DFP: UcsiControl.exe Отправить 0 810008

UFP: UcsiControl.exe Отправить 0 1010008

DRP: UcsiControl.exe Отправить 0 2010008

Комплект УОР

DFP: UcsiControl.exe Отправить 0 810009

UFP: UcsiControl.exe Отправить 0 1010009

Принять: UcsiControl.exe Отправить 0 2010009

Комплект PDR

Провайдер: UcsiControl.exe Отправить 0 81000B

Потребитель: UcsiControl.exe Отправить 0 101000B

Принять: UcsiControl.exe Отправить 0 201000B

Получить PDO

Локальный источник: UcsiControl.exe Отправить 7 00010010

Локальный приемник: UcsiControl.exe Отправить 3 00010010

Удаленный источник: UcsiControl.exe Отправить 7 00810010

Удаленный приемник: UcsiControl.exe Отправить 3 00810010

Получить статус коннектора UcsiControl.exe Отправить 0 010012
Получить статус ошибки UcsiControl.

Добавить комментарий

Ваш адрес email не будет опубликован. Обязательные поля помечены *