Схемы лучших самодельных детекторов скрытой проводки
Иногда возникает необходимость просверлить стену, забить гвоздь или дюбель, но как знать не находится ли в том месте в стене электрический провод? Согласитесь, если гвоздь или сверло перфоратора продырявит электрический провод в стене, то как минимум одна электроточка в доме работать не будет, а возможно и вовсе проедется переделывать ремонт.
Точно также при ремонте или обрыве электропровода в стене, возникает необходимость точного определения места где проложены провода.
Один из вариантов определения местонахождения провода под напряжением или без… – прибор (детектор — индикатор) для поиска скрытой проводки.
Существуют множество моделей таких специфических устройств различного ценового сегмента.
Модели таких топовых производителей как Bosсh, Stanley, Garrett, Skil и др.
Так же и более дешевые их аналоги отечественных и китайских производств.
Дешёвые приборы могут находить провода только под напряжением.
По принципу работы все «электродетекторы» можно поделить на такие виды:
- электромагнитные
- электростатические
- детектор металлов (материалов)
- комбинированные
Для начинающего электрика или просто хозяйственного человека который не желает тратить от 100 долларов и больше, на хороший профессиональный детектор скрытой проводки, я предложу два самодельных устройства которые по своей эффективности и практичности (проверенной на практике) могут сравнится с дорогими моделями.
В поисках «идеального» устройства для поиска скрытых проводов, было перепробовано много заводских детекторов дешевой ценовой категории, было спаяно и собрано много популярных в интернете схем.
В результате одна из схем оказалась достойной повторению, а другое устройство было переделкой и по большой мере модификацией которой в интернете негде не было.
Данный детектор может быть полезен при ремонте или например когда требуется просверлить стену, особенно в том случае когда разводка трасс проводов в доме заведомо не известна.
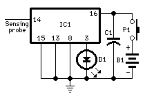
Устройство имеет мало количество деталей. Основой схемы служит популярная микросхема — таймер NE555
В большинстве схем этой микросхемы, ее 5й вывод не используется и часто просто соединяется на минус питания через конденсатор.
Но если подать на этот вывод небольшое напряжение то можно сдвинуть пороги срабатывания компараторов самой микросхемы.В данной схеме величину подаваемого напряжения, на 5й вывод микросхемы, будет регулировать полевой транзистор который будет выполнять роль датчика электромагнитного поля.
Для этой цели отлично подойдет отечественный полевой транзистор КП103 так как он имеет хорошую чувствительность, но его трудно найти так как он довольно старинный и уже не производится, но ему можно найти аналог — другой p-канальный полевой транзистор (не мосфет), например 2n3329.
Между 5м выводом и плюсом питания, стоит построечный резистор, так как разные транзисторы имеют разные параметры и с помощью данного подстроечного резистора можно настроить чувствительность при поиске проводки с разной толщиной стен.
Затвор транзистора выполняет роль антенны, которой служит кусок толстого медного провода.В роли индикации служат светодиод (любого цвета) и пэзоизлучатель, который обязательно должен быть с встроенным генератором, то есть при подаче напряжения он должен пищать и быть росчитаным на 12 вольт.
В дали от источников электромагнитного поля, детектор производит звук и мигания с одинаковым интервалом, но при приближение к токопроводящим проводам — звук (интервал) меняется и становится более частым по мере приближения.
Как настроить прибор. В непосредственной близости с кабелем или розеткой устанавливаем максимальную чувствительность то есть чтоб частота звуковых интервалов была наиболее частой.
В других случаях, например если нужно определить прохождения провода в стене с большей точностью (до 0.
5 см), чувствительность можно уменьшить.
Данный детектор обладает более высокой чувствительностью и может находить провода на большей глубине чем предыдущее устройство.
С помощью такого детектора можно находить не только провода под напряжением, но и без напряжения, а так же искать места обрывов провода, и это становится возможным в виду того что устройство можно использовать в паре с «звуковым» генератором.В паре эти два устройства дают возможность найти провод даже на глубине до 10-20 см в бетоне, при определенной настройке чувствительности и мощности работы генератора.
Первое устройство — плата от обычного кассетного плеера.
Для удобства можно снять все лишнее, оставив лишь плату или можно собрать в другом небольшом корпусе (желательно металлическом)
Вместо магнитной головки плеера, его вход выведен на гнездо установленное на корпусе детектора. Через аналогичный штекер, к гнезду можно подключать различные датчики поля.
Экспериментальным путем было найдено 3 таких «датчика»:
1. Небольшой дроссель на феросердечнике с тонкого провода
2. Электромагнитный «телефон» ТК — 67
3. Красный светодиод В каждого датчика свои особенности, которые в различие материалов стены, глубины и ситуации дают возможность с большей точностью определить где находится провод. В качестве питания служит небольшая батарея от любого мобильного телефона напряжением 3.7 вольт В качестве индикации в детекторе служит выходной каскад усилителя звука в плате плеера. На выходе стоит гнездо подключения наушников, но когда наушники не подключены звук воспроизводится встроенным в детектор малогабаритным динамиком.В несильно шумных местах звук динамика недостаточен, тогда с помощью наушников можно достаточно точно определять неоднородность звуковой частоты. Это может быть или звук сети частотой 50 герц или звук подаваемый устройством генератора.
Второе устройство — генератор звуковой частоты, с умощненным выходом способный выдавать мощность в нагрузке где то примерно до 5 — 10 ватт.
Данный генератор дает возможность с помощью приемника находить не только местонахождения трасс проводки которая под напряжением, но и обесточенных проводов, а так же искать места обрывов.
Ниже представлены несколько способов работы генератора в паре с приемником.Поиск провода в обесточенной комнате:
Поиск обрывов провода в стене или на полу, с помощью общего (естественного) заземления: Практика показала что для нахождения провода на глубине 1-1.
5 см в бетоне, достаточно тока в нагрузке в 0.15 — 0.3 ампера. Для этого резистор был подобран сопротивлением в 22 Ом. При большой протяжности трассы провода в стене — сопротивление «нагрузки» возрастает и возможно придется уменьшить ограничивающий резистор в плоть до подключения на прямую (без резистора) Работа генератора на большой мощности (с малым сопротивлением резистора) будет быстро садить аккумуляторы и не даст точно определить центр прохождения провода, поэтому резистор нужно подбирать в зависимости от ситуации.В качестве защиты устройства генератора установлено предохранитель и супрессор который должен защитить устройство от случайного попадания сетевого напряжения на вход генератора.
Супрессор должен быть двунаправленным, на напряжение примерно 30 вольт
Напряжение питания схемы должно быть не меньше 5 вольт и не больше 12.
Как показывает многолетняя практика, совсем не обязательно покупать профессиональные детекторы скрытой проводки и трассоискатели, как и дешевые индикаторы скрытой проводки которые годятся лишь для индикации напряжения в открытом кабеле.
Протестировав множество схем которые блуждают в интернете, а также различных способов нахождения проводов в стене были созданы вполне работоспособные, надежные и эффективные устройства которые отлично справляются как с поиском провода под напряжением, так и без, а так же определением обрывов в стене или под полом.
Детекторы скрытой проводки.
Детекторы скрытой проводки.
> Тестер
«карандашного» типа S48NS
> Сигнализатор скрытой проводки Е121
> Логический пробник
Выпускаемые
промышленно детекторы часто комбинированы – в них содержится несколько
типов
обнаружителей:
Против – не работают на влажных стенах (показывают, что проводка везде). Требуют наличия напряжения в проводке.
· Электромагнитные.
За – просты, хорошая точность
обнаружения.
Против – требуют не только напряжения в сети, но и того, чтобы провод
был
нагружен на мощную нагрузку, обычно порядка киловатт.
· Металлодетекторы.
Просто ищут, метал в стенах. За – можно искать без напряжения
в сети.
Против – сложны, мешают посторонние металлы. Если где-то рядом
забит гвоздик, то ничего хорошего не получится.
Индикаторы
скрытой
проводки
Резистор
R1 нужен для защиты микросхемы К561ЛА7 от повышенного напряжения
статического
электричества (как показала практика, его можно и не ставить). Антенной
является кусок медного провода любой толщины. Главное, чтобы он не
прогибался
под собственным весом, т.е. был достаточно жестким. Длина антенны
определяет чувствительность
устройства. Наиболее оптимальной является величина 5…15 см. При
приближении
антенны к электропроводке детектор издает характерный треск.
Устройством удобно определять местоположение перегоревшей лампы в елочной гирлянде — возле нее треск прекращается. Пьезоизлучатель типа ЗП-3 включен по мостовой схеме, что обеспечивает повышенную громкость.
На рис.2
изображен детектор, имеющий
звуковую и световую индикацию.
Сопротивление резистора R1 должно быть не менее 50 МОм. В цепи светодиода VD1 нет токоограничивающего резистора, микросхема DD1 (К561ЛА7) с этой функцией хорошо справляется сама.
СХЕМА ИНДИКАТОРА СКРЫТОЙ ПРОВОДКИ.
Детали:
— C1…С5 — 10 мкФ;
— VT1 — KT209х или КТ361х;
— VT2 — KП103х;
— VT3 — КТ315х, КТ503х или КТ3102х;
— R1 — 50К…1,2 М;
— R2 — 150…560 Ом;
— Антенна 80…100мм.
Прибор для обнаружения скрытой проводки
Питается схема от 3 -5 В. Схема на двух батарейках от часов беспрерывно работает около 6 часов. Антенной служит катушка, намотана проводом 0.3 или 0.5 мм на каркасе 3 мм. Катушку можно использовать как на каркасе, в виде штанги, так и в бескаркасном виде.
В зависимости от толщины провода, наматывается определённое количество витков при проволоке 0.3 мм — 25 вт., 0.5 мм — 50 вт.
Настройка сводится к подбору резистора R1*, им настраивается максимальная громкость главного телефона, в зависимости от его сопротивления.
В схеме вместо полевого транзистора КП103 можно использовать КП303Д.
Прибор для обнаружения обрыва в электропроводке.
Следующий
прибор можно легко поместить в маркер, антенну
вытянуть
через отверстие для стержня, длина антенны 5-10 См, если
нужна
чувствительность не более 5 — 10см, то для антенны достаточно
и длины
затвора
полевого транзистора.
Полевой
транзистор VT1 (рис.1) выполняет роль
датчика
«улавливающего» даже очень слабую напряженность электрического поля.
Поэтому когда рядом с
фазовым проводом
осветительной сети окажется полевой транзистор искателя, сопротивление
его
участка сток-исток уменьшится настолько, что транзисторы VT2, VT3
откроются.
Вспыхнет светодиод HL1. Полевой транзистор может быть любой из серии
КП103, а
светодиод — из серии АЛ307. Биполярные транзисторы могут быть
любые маломощные кремниевые
или
германиевые указанной на схеме структуры и с возможно большим
коэффициентом
передачи тока. Резисторы — МЛТ-0,125. Транзистор VT2 (КТ203) можно
заменить на
КТ361. При монтаже полевого транзистора его располагают горизонтально
на плате,
а вывод затвора отгибают так, чтобы он находился над корпусом
транзистора. Если
при работе искателя выявится его излишняя чувствительность, вывод
затвора
укорачивают.
Простой бесконтактный пробник.
Всего два элемента — микросхема DD1 и светодиод HL1 — составляют схему этого пробника, микросхема К176ЛП1 содержит три p и три n-канальных КМОП транзистора. Соединив выводы микросхемы таким образом, чтобы образовалась цепочка из трех инверторов, можно получить устройство, которое достаточно хорошо усиливает токи, наводимые полем переменного напряжения в фазовом проводе электросети.
Между выходом последнего инвертора — вывод 12 DD1 и плюсом источника питания пробника включен светодиод. Он загорается, когда близко от вывода 6 микросхемы расположить фазный сетевой провод.
Светодиод погаснет, если, проводя пробником вдоль подключенного к электросети неисправного провода, дойти до места разрыва.
Объединение инверторов в цепочку нужно производить, соединяя между собой следующие выводы DD1:
1.
Вариант
соединения выводов микросхемы: 3, 8 и 13; 2 и 10; 4, 7 и 9;1 и 5; 11 и
14.
2. Вариант соединения выводов микросхемы: 3,8,10 и 13; 1, 5 и 12; 2,11 и 14; 4,7 и 9.
Чувствительность пробника такова, что касаться изоляции проверяемых проводов им вовсе не обязательно. Потребляемый ток не превышает 3 мА — при напряжении элементов питания 4 -5В.
Длина проводника — «щупа» пробника, ведущего к выводу 6 микросхемы, должна быть не более 15 — 20 мм. Выключатель в пробнике необязателен, так как в нерабочем режиме схема потребляет пренебрежительно малый ток, обусловленный лишь статическим током в КМОП — транзисторах инверторов микросхемы.
Схема
искателя
скрытой проводки — индикатор переменного
электрического поля
Простой
индикатор переменного электрического поля скрытой проводки может быть
собран с
использованием в качестве регулируемого внешним электрическим полем
делителя
напряжения — резистора R1 и канала полевого транзистора.
В
качестве
управляемого генератора импульсов использован генератор на микросхеме
К122ТЛ1.
Нагрузкой генератора для индикации являются высокоомные головные
телефоны типа
ТОН-1 (ТОН-2)
При
наличии внешнего переменного электрического поля сигнал, наводимый на
антенну,
поступает на управляющий электрод полевого транзистора (затвор), что
вызывает
модуляцию сопротивления канала полевого транзистора. В итоге, падение
напряжения на делителе изменяется, что, в свою очередь, вызывает
появление
генерации с изменяющейся частотой.
Индикатор скрытой
проводки на микросхемах
Схема
состоит из усилителя напряжения переменного тока, основой
которого служит операционный усилитель DA1, и генератора
колебаний
звуковой
частоты, собранного на триггере Шмитта DD1.1 (К561ТЛ1),
частотозадающей цепи R7C2 и пьезоизлучателе BF1.
При расположении антенны WA1 вблизи от фазового провода электросети
наводка ЭДС
промышленной частоты 50 Гц усиливается микросхемой DA1, в результате
чего
зажигается светодиод HL1.
Это же выходное напряжение операционного
усилителя,
пульсирующее с частотой 50 Гц, запускает генератор звуковой частоты.
Ток, потребляемый микросхемами прибора при питании их от источника
напряжением
9V, не превышает 2 мА, а при включении светодиода HL1 — 6…7 мА.
Антенной WA1 служит площадка фольги на плате размером примерно 55х12 мм.
Монтажную плату размещают в корпусе из диэлектрического материала так, чтобы антенна оказалась в головной части и была максимально удалена от руки оператора. На лицевой стороне корпуса располагают выключатель питания SA1, светодиод HL1 и звукоизлучатель BF1.
Начальную чувствительность прибора устанавливают подстроечным резистором R2. Безошибочно смонтированный прибор в налаживании не нуждается.
Искатель скрытой проводки
Сигнал
с антенны
длиной 200 мм подается на операционный усилитель DA1 К140УД7.
С выхода
6 DA1
усиленный сигнал подается на формирователь прямоугольных импульсов DD1
К561ЛА7
и затем на выходной каскад VT1, зажигая светодиод HL1. Желательно не
только
видеть, но и слышать этот сигнал. Подключать звуковой излучатель
параллельно
R5, HL1 нежелательно. Для звука
применен
мультивибратор, на таймере КР1006ВИ1. Конденсаторами С1, С2 подбирается
приятное звучание и его длительность, а также свечение светодиода HL2.
В этом
варианте частота звучания составляет 1,7 кГц.
В зависимости от изоляции и глубины залегания проводов в стене, чувствительность можно менять касанием руки общего провода через конденсатор малой емкости СЗ 27…33 пФ, не доводя прибор до самовозбуждения. При большей емкости прибор возбудится.
Питается
прибор от
3-х пальчиковых батареек, соединенных последовательно, с общим
напряжением 4,5
В. При пользовании прибором необходимо отключать мощные источники
электрического поля: трансформаторы, телевизоры, лампы дневного света.
В
качестве звукоизлучателя используются пьезоизлучатель от телефонных
аппаратов.
Светодиоды HL1 - зеленого, HL2 — красного свечения.
Прибор
для
обнаружения повреждений скрытой электропроводки
Прибор питается от автономного источника напряжением 9v и заключен в алюминиевый корпус размером 80x38x27 мм.
Принцип работы:
На один из проводов скрытой электропроводки подается переменное напряжение 12V от понижающего трансформатора. Остальные провода заземляют. Приспособление включается и перемещается параллельно поверхности стены на расстоянии 5…40 мм. В местах обрыва или окончания провода индикатор гаснет. Приспособление может быть также использовано для обнаружения повреждений жил в гибких переносных и шланговых кабелях.
Детектор
скрытой проводки
Устройство избавит вас от возможного риска попадания сверлом в
провод при
сверлении отверстия в стене, позволит проследить путь провода и во
многих
других случаях, когда необходимо обнаружить скрытые провода.
В качестве датчика используется отрезок провода или металлический
стержень
диаметром около 5 мм и длинной 70…90 мм.
Принцип работы схемы.
На биполярных
транзисторах VT1 и
VT3 собран низкочастотный мультивибратор. Его рабочая частота
определяется в
основном номиналами конденсаторов, в качестве которых используют
алюминиевые,
ниобиевые или танталовые электролитические конденсаторы.
В исходном состоянии, когда щуп антенны прибора удален на значительное
расстояние от скрытой проводки, полевой транзистор VT2 находиться в
режиме
отсечки. При этом на резисторе R4, который включен в цепь истока
транзистора
VT2 (КП103Д), падает напряжение примерно равное 3,5 вольт. При этом
фиксируется
потенциал базы VT3 на уровне, который удерживает VT3 в насыщенном
состоянии и светодиод
светится непрерывно. Транзистор VT1 в это время находиться в режиме
отсечки.
Когда щуп антенны приближается к месту скрытой прокладки провода, где
поддерживается переменный потенциал 220В, электрическая составляющая
электромагнитного поля сетевого провода наводит на входе антенны
переменный
потенциал, равный сотням милливольт-единицам вольт.
В этом случае
соответствующие полупериоды входного сигнала открывают VT2, ток через
резистор
R4 увеличивается, а значит, увеличивается и падение напряжения на нем.
Потенциал базы VT3 относительно эмиттера VT3 становиться низким,
переводя VT3 в
режим отсечки.
В результате светодиод начинает мигать, сигнализируя о наличии в этом
месте
скрытой проводки.
РАДІОАМАТОР 11’2001
ИСКАТЕЛЬ
СКРЫТОЙ ПРОВОДКИ
При обнаружении сигнала частотой 50 Гц cветодиод будет мигает с частотой примерно 1,56 Гц, с такой же частотой прерывается звуковой сигнал.
Рассмотрим схему (рис.1).
Антенна
W1 -кусок монтажного провода длиной около 25
см, расположенный по периметру узкой боковой части корпуса прибора. На
транзисторах VT1 и VT2
сделан простой усилитель — формирователь
логических импульсов. Он усиливает наведенный в антенне сигнал и
подает его
на счетчик D1 (вход «С»).
Из
числа выходов
многоразрядного счетчика К561ИЕ16
аналог 4020BEY (D1)
используется выход только с весовым коэффициентом «16». То есть,
изменение
состояния этого выхода происходит через каждые 16 входных импульсов,
значит,
деление частоты составляет 32. Таким образом, при приеме сигнала
частотой 50 Гц
здесь будет частота 1,5625 Гц. С этой частотой и будет мигать светодиод
HL1, подключенный к данному выходу счетчика
через промежуточный транзисторный ключ — усилитель тока (VT3),
чтобы облегчить работу с прибором есть
звуковой сигнализатор, сделанный на микросхеме D2.
Это
схема
мультивибратора,
выдающего импульсы частотой около 2000 Гц.
На элементах D2.1 и D2.2
сделан собственно мультивибратор, а
элементы D2.3 и D2.4
образуют усилитель напряжения,
поднимающий разность потенциалов между выводами пьезоэлектрического
звукоизлучателя BF1
в два раза, по сравнению с номинальным
напряжением уровня логической единицы.
Мультивибратор управляемый, — чтобы он работал нужно подать напряжение логической единицы на вывод 13 элемента D2.1. Таким образом, включение звука происходит одновременно с включением индикаторного светодиода. Питается приборчик от 9-вольтовой батарейки типа «Крона». Выключатель S1 - кнопка без фиксации. Когда вы ищите проводку нужно держать его нажатым, - отпустили, и выключился (так сделано с целью экономии батареи). Звуокоизлучатель BF1 — от прозвонки неисправного мультиметра. На печатной плате он располагается над микросхемой D2 (приклеен).
Счетчик К561ИЕ16 можно заменить практически любым двоичным КМОП-счетчиком, у которого есть выход с весовым коэффициентом «16». Это может быть К561ИЕ20, К176ИЕ1, или два включенных последовательно счетчика микросхемы К561ИЕ10. Но в любом случае потребуется переделка печатной платы.
Печатная плата показана на рисунке 2.
На плате размещены все детали кроме антенны и источника питания. Никакого налаживания не требуется.
ДВОИЧНЫЙ ИСКАТЕЛЬ СКРЫТОЙ ПРОВОДКИ
Схема пробника состоит из щупа-антенны, транзисторного усилителя-формирователя импульсов и счетчика с индикаторным светодиодом на выходе.
Антенна улавливает электромагнитное поле, и на выходе усилительного каскада на VT1 и VT2 появляются импульсы, частота которых равна частоте входного сигнала. Если это сигнал электропроводки, то, понятно, частота импульсов будет равна 50 Гц. Если радиосигнал, то и частота импульсов будет много выше.
Далее, импульсы поступают на счетчик, который делит их частоту на 32. А на выходе счетчика включен индикаторный светодиод.
Работает пробник так:
Когда
на антенну поступает электромагнитное поле, излучаемое
электропроводкой, на выходе счетчика возникают импульсы частотой около
1,56 Гц, и индикаторный светодиод мигает равномерно с такой же
частотой.
Если же, на антенну
поступает
радиосигнал, частота которого значительно выше 50 Гц, — светодиод
мигает
значительно быстрее и это зрительно воспринимается как его постоянное
свечение
с несколько пониженной яркостью. Либо, он вообще не горит, так как
микросхема
серии К561 может и не пропустить сигнал слишком высокой частоты.
Для отстройки от слабых, но сильно мешающих радиосигналов есть переменный резистор R1, которым можно регулировать чувствительность входа пробника.
Питается прибор от «Кроны», малогабаритной батареи напряжением 9V.
Пробник сделан в виде миниатюрного устройства, размещенного в подходящем корпусе.
Антенной служит отрезок обмоточного провода диаметром около 1 мм длиной около 30 см, который виток к витку намотан на передней части корпуса и закреплен.
Переменный резистор R1 сделан из подстроечного резистора, с самодельной рукояткой (из пластмассового винта-барашка).

Налаживания практически не требуется, только если подбор размеров антенны.
ИСКАТЕЛЬ ПРОВОДКИ
Особенность этого искателя проводки в том, что он не только показывает расположение электропроводки, но и может оценить её глубину расположения, а так же, позволит обнаружить радиожучок или другое передающее или излучающее радиоволны устройство. С его помощью можно определить и то, какая часть проводки более нагружена, а какая менее.
Принципиальная схема показана на рисунке.
Антенна W1 представляет собой жестяную пластинку размерами примерно 60×60 мм. Пластинка связана со входом через переменный резистор R1, которым можно регулировать уровень чувствительности прибора. На транзисторе VT1 выполнен каскад, повышающий входное сопротивление прибора. Переменное напряжение наводок с его выхода через конденсатор С1 поступает на измеритель уровня переменного напряжения, выполненный на микросхеме DА1-AN6884 (KA2284), включенной по типовой схеме.
Уровень величины напряжения сетевых наводок индицируется на шкале из пяти светодиодов HL1-HL5 — AЛ307.
Прибор собран в корпусе неисправного пульта дистанционного управления видеоплейером «Orion-688». Батарея питания состоит из трех элементов «АА» общим напряжением 4,5V. Два элемента размещены в батарейном отсеке пульта, и еще один непосредственно в корпусе пульта. Рядом с этим элементом расположена микросхема DА1 со светодиодами. Антенная пластина расположена в передней части корпуса и изогнута по форме.
СТРОИТЕЛЬНЫЙ МЕТАЛЛОИСКАТЕЛЬ
Поможет обнаружить электропроводку, замурованные в стену трубы и даже гвоздик под обоями. Глубина действия его не велика, гвоздик он найдет, если слой обоев или штукатурки над ним не более 5 мм, водопроводную трубу на глубине до 200мм, а электропроводку на глубине до 20-30 мм.
Металлоискатель состоит из генератора высокой частоты на транзисторе VT1, работающего на частоте около 100 кГц, детектора этого ВЧ напряжения на транзисторе VT2 и схемы индикации на транзисторах VT3-VT4 и светодиоде HL1.
Катушки генератора ВЧ намотаны на ферритовом стержне (как для магнитной антенны АМ-приемника). Режим работы генератора устанавливают на краю срыва, но так, чтобы при наличии всех металлических предметов, которые входят в состав металлоискателя, он работал. При этом, транзистор VT2 под действием ВЧ напряжения, поступающего на его базу, открыт и напряжение на его коллекторе мало на столько, что транзисторы VT3 и VT4 закрыты и светодиод HL1 не горит.
При приближении к магнитной антенне металлического предмета начинается понижение амплитуды генерации ВЧ-генератора с его дальнейшим срывом. ВЧ напряжение на базе VT2 снижается или перестает поступать и транзистор VT2 закрывается. Постоянное напряжение на его коллекторе возрастает (через резистор R4) и достигает такого уровня, при котором происходит открывание транзисторов VT3 и VT4 и загорается светодиод HL1.
Таким образом, перемещения прибора относительно металлического предмета будут индицироваться миганиями этого светодиода, и более того, малые перемещения будут так же влиять и на яркость свечения светодиода. Но, это, разумеется, будет возможно только при точной настройке прибора, которую нужно время от времени повторять (для этого есть два подстроенных резистора регуляторы, которых выведены на верхнюю панель пластмассового корпуса).
Катушки L1 и L2 намотаны на ферритовом стержне диаметром 8 мм и длиной около 100 мм. Они расположены рядом. L1 содержит 120 витков, a L2 — 45 витков. Провод типа ПЭВТЛ 0,35.
Питается металлоискатель от импортного аналога батареи «Крона».
Налаживание.
Расположив прибор вдали от металлических предметов (снимите часы с руки) подстраивают резисторы R3 и R5 (методом последовательного приближения) так, чтобы прибор был на грани срыва генерации (светодиод светит на пониженной яркостью и неравномерно). Затем, оставив в покое R5 продолжают подстройку R3, так чтобы светодиод погас. Далее, испытывают прибор на пятикопеечную моменту, добиваясь подстройкой R3 и R5 наибольшей чувствительности.
ИСКАТЕЛЬ СКРЫТОЙ ПРОВОДКИ БЕЗ ИСТОЧНИКА
ПИТАНИЯ.
От множества аналогичных отличается тем, что не требует ни
собственного
источника питания, ни каких либо других приспособлений и измерительных
приборов.
Схема прибора показана на рис. 1.
В качестве источника энергии выступает та самая сеть переменного тока, которую мы и опасаемся повредить гвоздём, электродрелью или перфоратором. Когда на устройство подано напряжение питания сети переменного тока 220 В, накопительный конденсатор большой ёмкости быстро заряжается до напряжения открывания стабилитрона VD1. После зарядки конденсатора С1 устройство можно вынуть из розетки. Поиск места закладки проводки ведётся обычным способом. Когда антенна WA1 находится вблизи места пролегания электропроводки, полевой транзистор VT2 открывается с частотой сети переменного тока, светодиод HL1 начинает светиться. Чем ближе расположена электропроводка, тем ярче он светит. Транзистор VT1 работает как микромощный стабилитрон с напряжением стабилизации 6…10В. Дополнительно он выполняет функцию высокоомного разрядного резистора для перехода затвор-исток транзистора VT2. Кнопка SB1 без фиксации положения предназначена для проверки наличия достаточного заряда на обкладках конденсатора С1. С понижением напряжения на конденсаторе С1 чувствительность прибора не изменяется, но снижается яркость свечения светодиода. Сенсор Е1 предназначен для того, чтобы при необходимости можно было увеличить чувствительность прибора, для чего нужно прикоснуться к нему пальцем. Резисторы R3, R4 ограничивают импульсный ток, протекающий через диоды выпрямительного моста в момент включения устройства в сеть. Детали: Вместо транзистора КП504А можно применить любой из серий КП501, КП502, КП504, КР1064КТ1, КР1014КТ1, ZVN2120, BSS88, BSS124.
Цоколёвка
некоторых транзисторов приводится на рисунке.
Светодиод HL1 должен быть суперярким, например, «красные» L-1503SRC/F, L-1503SRC/E, L-1513SRC/F. Неплохие результаты были получены и с современными суперяркими светодиодами голубого и белого цвета свечения. Стабилитрон VD1 любой маломощный на напряжение стабилизации 18…20 В, например, 1N4747A, КС218Ж, КС520В. При отсутствии
таких стабилитронов можно установить два, включенных последовательно Д814Б1 или 1N4739A. Вместо диодного моста VD2 можно применить любой малогабаритный из серий КЦ422, КЦ407, DB101… DB107, RB151… RB157. Конденсатор С2 плёночный типов К73-17, К73-24, К73-39 на рабочее напряжение 630 В и ёмкостью 0,1…0,25 мкФ Оксидный конденсатор С1 — самая крупная деталь устройства, автор использовал относительно малогабаритный фирмы «Philips». Этот конденсатор должен иметь как можно меньший ток утечки. Конденсаторы с большим рабочим напряжением обычно имеют меньший ток утечки среди конденсаторов одной ёмкости и фирмы. Сенсор можно изготовить из металлического корпуса неисправного транзистора, например, КТ203, МП16… МП42.
Если прибор будет работать неустойчиво, то следует к выводам затвора и истока VT2 подключить высокоомный резистор сопротивлением 100… 200 МОм. При желании устройство можно модернизировать. Например, следующим образом. Если последовательно со стабилитроном VD1 установить светодиод, (анодами вместе), то этот светодиод будет сигнализировать о полной зарядке конденсатора С1. Если последовательно со светодиодом HL1, соблюдая полярность, установить пьезокерамический излучатель звука со встроенным генератором, например, НРА17АХ, то совместно со свечением светодиода HL1 звукоизлучатель будет генерировать прерывистый тон — прибор станет информативнее. При настройке устройства не забывайте отключать его от сети.
Следующая схема
содержит электростатический тип
обнаружения проводки.
Схема:
На антенну наводится напряжение от проводки. Оно детектируется диодом на U1A и C5. На U1D собран генератор, управляемый напряжением, U1C и Q3 – это усилитель для пьезопищалки.
Работаем так – прислоняем к стене, где точно нет проводки, регулируем чувствительность так, чтобы детектор слегка кряхтел. Двигаем и там, где тон становится выше, там и есть наша проводка.
*Функциональные аналоги: K544УД14, КМ1401УД4, 1435УД4, LF347, TLO84
Источник: http://bsvi.ru/
Тестеры
напряжения «карандашного»
типа: S-Line GK2, MEET MS-48NS, YADITE 8848
|
Технические характеристики | |
|
Параметр |
Значение |
|
Измеряемые параметры |
· напряжение
постоянное · прозвон цепи |
|
Определение переменного напряжения | |
|
Контактным методом |
70 … 250 В |
|
Бесконтактным |
70 … 1000 В |
|
Тест постоянного напряжения |
до 250 В |
|
Тест полярности |
1.2 … 36 В |
|
Испытание презвонкой |
«O»
= 0.5 МОм; |
|
Тест батарей |
есть |
· Частота переменного тока 50 … 500 Гц
· Питание: две батареи SR 1.5 В (типоразмер «AAA»)
|
Условные обозначения
«0» — контактный тест сети переменного тока. «L» — бесконтактный тест, низкая чувствительность. «H» — бесконтактный тест, высокая чувствительность. |
НАЗНАЧЕНИЕ: контактное и бесконтактное обнаружение переменного напряжения; определение фазы переменного напряжения; определение полярности постоянного напряжения; позвонка непрерывности цепи; проверка диодов, транзисторов и конденсаторов.
Устройство:
Схема прибора YADITE 8848:
Сигнализатор
скрытой проводки Е121 (ДЯТЕЛ)
Назначение:
• проверка правильности фазировки (подключения) бытовых электросчетчиков без снятия пломбы и защитной крышки;
• обнаружение скрытой проводки;
• обнаружение фазного провода на изолированных и неизолированных токоведущих частях электрических сетей переменного тока без непосредственной связи с этими частями;
• проверка исправности предохранителей, плавких вставок, обрывов в проводах находящихся под напряжением;
• индикация с поверхности земли наличия напряжения на ВЛ 10 кВ и выше;
• индикация с поверхности земли наличия напряжения контактной сети троллейбусов и трамваев;
• обнаружение электромагнитных полей ПК, телевизоров и др. бытовой техники;
• обнаружение утечек СВЧ-печей.
Основная область применения — при обслуживании электросчетчиков, электроустановок и электрических сетей. Принцип действия сигнализатора основан на использовании электростатической индукции в переменном электрическом поле, возникающем вокруг токоведущего проводника.
Сигнализатор обеспечивает проверку наличия напряжения в цепях переменного тока номинальным напряжением 380 В промышленной частоты без электрического контакта с проводником
Сигнализатор имеет четыре диапазона чувствительности к электрическому полю, создаваемому проводником
«1» — 0…10 ±5 мм, «2» — 0…100 ±50 мм, «3» — 0…300 ±150 мм, «4» — 0…700 ±350 мм.
Сигнализатор имеет режим самоконтроля. Габаритные размеры — 210x80x45 мм. Масса прибора — 250 г.
Схема
прибора аналогичного промышленному Е121.
вариант самостоятельного изготовления.
Детали:
ВЧ кабель сплошной экран и кнопки без фиксации (тип 304,
8*8mm push ON).
Полевой транзистор N-JFET типа, BF-245 затвор транзистора G подпаян к
навесному монтажу,
на фото видно показанно как это сделать.
Потом, эту часть навесного монтажа полевого транзистора, экранируем, на
общий провод.
Внимание, экран ВЧ
кабеля на общий провод не припаивается, соблюдайте точность подключения
по схеме!
Общий вид печатной платы.
Настройка схемы сводится только к подбору порога чувствительности подстроечным резистором 47 ком.
Файл печатной платы в архиве —
Plata_«D».
Схема встраивается в подходящий корпус, например от пульта ДУ
телевизора.
Источник: http://radiomaster.com.ua/
Логический пробник
для статических и динамических режимов
При подаче на вход пробника импульсов с частотой до 25 Гц чередование цифр «О» и «1» на индикаторе можно различить, при частотах свыше 25 Гц начинает сказываться влияние конденсатора С1. В результате яркость свечения сегмента d резко уменьшается и индицируется буква «П», что означает присутствие на входе пробника импульсов с относительно высокой частотой.
При
отсутствии сигнала
на входе элемента D1.1 низкий логический уровень, на входах D1.2 — D1.4
-
высокий. Сегменты индикатора не светятся.
Если на вход пробника поступает уровень, соответствующий логической «1», на выходе элемента D1.1 будет логический «0», на выходе D1.2 — логическая «1», элементы D1.3 и D1.4 остаются в первоначальном состоянии.
При этом светятся сегменты b и с и индицируется цифра «1».
Когда на входе пробника будет логический «0», на выходе элементов D1.2-D1.4 появится высокий логический уровень и будут светиться сегменты а, b, с, d, e и f, т е будет индицироваться «О».
Логический пробник на NE556
Выполнен на базе микросхемы NE556 и имеет индикацию на светодиодах. При наличии логической единицы на входе устройства светодиод D2 светится ярко, если же присутствует логический ноль, то светодиод не горит. Светодиод D2 пульсирует с частотой входного сигнала
Микросхема NE555 (отечественный аналог КР1006ВИ1)Микросхема NE556 представляет собой те же таймеры, но сдвоенные (два в одном корпусе)
Copyright ©2011 SHC Odessa.
Простой детектор скрытой проводки своими руками
Детектор переменного напряжения — это устройство, которое определяет наличие переменного тока, на небольшом расстоянии без каких-либо электрических подключений к линии.Этот простой прибор поможет определить вам наличие опасного для жизни напряжения в сети и проводах, поможет найти место прокладки кабеля в бетонной или кирпичной стене.
Схема очень простая и из минимального количества деталей. Схема устройства представляет собой составной транзистор, состоящий из трех обычных. В итоге получается чувствительный усилитель (с коэффициентом передачи по постоянному току более 100000), нагрузкой которого служит светодиод.
При наличии всех компонентов на сборку уйдет не более часа. Эта схема, наверное, самая распространенная и самая действенная для начинающих радиолюбителей.
Требуемые компоненты
- Батарея типа «Крона» — 1 штука.
- Светодиод — 1 штука.
- Транзистор 2N3704 (или отечественные кт3102 или кт315) — 3 штуки.
Резисторы: - -1MOhm — 1 штука.
- -100 кОм -1 штука.
- -330 Ом — 1 штука.
- -220Ом — 1 штука.
- Переключатель — 1 штука.
Алюминиевая или медная сплошная тонкая проволока — 5 см
Конструкция детектора
Я травил плату и припаял все элементы как полагается, но можно собрать и на макетной плате, запаяв перемычки обычным проводом. Схема получилась очень чувствительной.
После сборки детектор готов к работе и в настройке не нуждается. Если по какой-то причине устройство не реагирует ни на что – проверьте правильность включения всех элементов и работоспособность транзисторов.
Строительство детектора и тестирование на видео:
РадиоКот :: Детектор скрытой проводки
РадиоКот >Схемы >Цифровые устройства >Защита и контроль >Детектор скрытой проводки
Добрый день, уважаемые любители электроники! Хотелось бы поделиться с вами одним из моих изделий. Недавно захотелось поставить в квартиру реле напряжения для защиты аппаратуры от пере и недонапряжения. Ибо, вытянуть счастливый билет в качестве 380в не хотелось бы. Вначале у меня просто в розетке стоял варистор, но позже я решил поставить РН. Тем более, что схема реле у меня была от некогда пришедшего в негодность переходника со всроенным реле напряжения. Итак, схема была вставлена в подходящий корпус от бывшего адаптера. Выведены нужные провода.
Но, 3 кВт на квартиру мне показалось мало, поэтому был сделан контактор из 3-х давно валявшихся дома реле РПУ-0-УХЛ4 на 220в. Все коммутирующие контакты были соеденины параллельно, что обеспечило гораздо больший ток коммутации, чем в родном реле. Припаял конденсатор 2200 пф на 5 кв. от возможной дуги.
Настало время сверления стен, но меня всегда при этой процедуре волнует вопрос, а не встретимся ли мы с проводкой в стене, тем более возле электросчетчика? Итак, было принято решение собрать детектор скрытой проводки. После просмотра схем на просторах интернета была выбрана эта, да и эти детали давненько лежат у всякого любителя электроники:
Так же, решил добавить немного креатива, и вставить прибор в пустой флакон от шарикового антиперсперанта.
В связи с простотой схемы, печатную плату решил не делать, а все монтировал на спинке и брюшке микросхемы. Так же, решил туда вставить Li-Ion аккумулятор от старой батареи нетбука и контроллер заряда с Али Экспресса.
Пошел процесс сборки и утрамбовки всего содержимого в корпус.
Антенну решил сделать не из медной проволоки, а из телевизионного коаксиального кабеля. Понравилось то, что он жесткий, но эластичный.
Забегая вперед скажу, что работа данной схемы меня абсолютно не устроила. Эксперементировал с антеннами разной длины, из разного материала. Результат не удовлетворял. Проводка в стенах упорно не находилась. А без резистора 50 мОм схема вообще сходила с ума. И тогда я решил попробовать перед 1-2 входом микросхемы добавить полевой транзистор. Принцип такой же, как у “Дятла” Е121. Тоже полевик, потом логика. Только нет переключателей чувствительности детектора. И после этого результатом я остался очень доволен. Прибор получился чувствительным, и довольно точным для подобной самоделки. Плюс, с питанием от аккумулятора. Заряжается от обычной телефонной зарядки. Вот моя доработанная схема:
Думаю, 3-5 см в стене он видит. Конечно, еще зависит от интенсивности тока в проводнике. Так же, от материала стен и т.д. Кроме того, все электрики говорят, что к любому подобному прибору надо приноровиться.
Во всяком случае, при тестах я ни какие утюги в розетки не включал. Почти все прозванивается и так.
Пишу статью, ибо такой прибор – это весьма удобная, полезная и простая в сборке конструкция, которая необходима любому домашнему умельцу.
Пару слов о деталях: Резистор R1 я поставил 100мОм. На радио рынке такого номинала не было, поэтому пришлось сделать небольшой баянчик из резисторов. Меньше ставить не рекомендую – уменьшится чувствительность.
Вот, что получилось в итоге:
Во время тестирования с творческим подходом вмешалась жена, и предложила назвать прибор “Цикада — 1”. Возражений не было. Лишь добавил в конце литеру “М”, в связи с внесенными в схему изменениями.
И общий вид защиты от скачков напряжения:
В будущем я планирую реле напряжение перенести ближе к контактору, возле счетчика. Розетка в коридоре бывает нужна.
Так же, при помощи прибора сразу обнаружились несколько неправильно включенных электроприборов с перевернутыми фазой и нулем. Наводка ловилась за пол метра. Все было устранено. Хватит лишних излучений.
Файлы:
Вид сзади
Все вопросы в Форум.
Как вам эта статья? | Заработало ли это устройство у вас? |
Схема искателя скрытой проводки » Паятель.Ру
Если вы вздумали заняться ремонтом квартиры и решили не ограничиваться простой поклейкой обоев, а сделать что-то посерьезнее. Например, установить пластиковые или МДФ-панели, сделать подвесные потолки, или просто обшить стенку вагонкой, вам потребуется сверлить в стенах немалое число отверстий под дюбеля для крепления каркаса. А это таит опасность попадания перфоратором в электропроводку, которая во многих, особенно панельных, домах бывает выполнена почти по закону случая. То есть, практически невозможно угадать положение проводов, напрягая только здравый смысл.
Проблема существует давно, и за всю историю существования радиолюбительства, предложено множество различных схем и способов обнаружения электропроводки (от транзистора с наушниками в нагрузке, до микроконтроллерной схемы).
В настоящее время, проблема поиска проводки усложняется тем, что в обычном жилом районе может быть множество источников высокочастотных радиоволн. Таких, как, передатчики сотовой связи, эфирно-кабельного телевидения, радиостанции различных самопальных служб такси, не говоря уже о бесшнуровых телефонных удлинителях и различных радиоигрушках.
Поэтому, простой индикатор, состоящий из антенны, детектора-усилителя и индикаторного светодиода будет принимать все эти сигналы и постоянно ошибаться. Чтобы этого не происходило, нужно сделать такой индикатор, который будет не только показывать наличие электромагнитного поля, но и то, низкочастотное это поле или высокочастотное
Схема такого пробника состоит из щупа-антенны, транзисторного усилителя-формирователя импульсов и счетчика с индикаторным светодиодом на выходе.
Антенна улавливает электромагнитное поле, и на выходе усилительного каскада на VT1 и VT2 появляются импульсы, частота которых равна частоте входного сигнала. Если это сигнал электропроводки, то, понятно, частота импульсов будет равна 50 Гц. Если радиосигнал, то и частота импульсов будет много выше.
Далее, сформированные импульсы поступают на счетчик, который делит их частоту на 32. А на выходе счетчика включен индикаторный светодиод. Работает пробник так: когда на его антенну поступает электромагнитное поле, излучаемое электропроводкой, на выходе счетчика возникают импульсы частотой около 1,56 Гц.
И индикаторный светодиод мигает равномерно с такой частотой (это очень заметно). Если же, на антенну поступает радиосигнал, частота которого значительно выше 50 Гц, — светодиод мигает значительно быстрее и это зрительно воспринимается как его постоянное свечение с несколько пониженной яркостью. Либо, он вообще не горит, так как микросхема серии К561 может и не пропустить сигнал слишком высокой частоты.
Для отстройки от слабых, но сильно мешающих радиосигналов есть переменный резистор R1, которым можно регулировать чувствительность входа пробника. Питается прибор от импортной Кроны (малогабаритной батареи напряжением 9V).
Пробник сделан в виде миниатюрного устройства, размещенного в корпусе сделанном из школьного пенала. Антенной служит отрезок обмоточного провода диаметром около 1 мм длиной около 30 см, который виток к витку намотан на передней части корпуса и закреплен.
Переменный резистор R1 сделан из подстроечного резистора, с самодельной рукояткой (из пластмассового винта-барашка).
Настройка практически не требуется, только если подбор размеров антенны.
Детектор скрытой проводки (схема, принцип работы)
Кроме часто встречающихся в радиолюбительской практике датчиков, существуют и более редкие, но, тем не менее, эффективные приборы и устройства. Об одном из них — датчике от танкового шлемофона — рассказано ниже.
Все известные схемы искателей скрытой проводки можно условно разделить на детекторы (сигнализаторы) наличия переменного напряжения и сигнализаторы магнитного и электрического поля. В качестве датчиков к таким устройствам с разной эффективностью служат в основном пассивные индуктивные элементы (кроме пассивных элементов в устройствах контроля и сигнализации электрического поля широко используются полевые транзисторы).
Это катушки реле с большим количеством витков на стальном (типа РКН и аналогичные) или ферритовом сердечниках, катушки от высокоомных телефонов (типа ТОН-1, ТОН-2 и аналогичные с сопротивлением 1600 Ом), динамические микро? фоны типа МД200, МД201 и аналогичные, звукозаписывающие (воспроизводящие, универсальные) головки от магнитофонов. Наилучший результат удалось получить, используя универсальную головку от катушечного магнитофона «Яуза» и даже такие «неформальные» элементы, как датчик от ларингофона танков Т-60—Т-80 (см. рис. 2.31).
На рисунке показан один и тот же ларингофонный датчик ТЛГ-1А в разном исполнении (изолированном и неизолированном корпусе). Выход ларингофонного датчика имеет три контакта: корпус датчика (экран) и два контакта (+) и (-). Датчик подключается к усилителю строго с соблюдением полярности.
Танковые шлемофоны используются в народном хозяйстве еще с начала 1970 годов в качестве элементов переговорного устройства вездеходов и тягачей (в географических условиях непроходимой местности, тайге, на севере), поэтому не представляют на сегодняшний день никакого секрета. Однако если исследовать ларингофон глубже, обнаружатся его высокоэффективные (по чувствительности к слабым сигналам) качества.
Рис. 2.31. Фото ларингофонного датчика шлемофона Т-72
Как известно, ларингофон реагирует не столько на уровень громкости звука [об этом можно судить по закрытому (запаянному) корпусу], сколько на слабую детонацию, вибрацию и изменения магнитного поля. Датчик ТЛГ-1А отрицательным выводом подключается к общему проводу усилителя, а «плюсовым» выводом — к отрицательной обкладке оксидного конденсатора С1. Корпус датчика остается неподключенным.
Диаграмма направленности рекомендуемого устройства широка, что позволяет применять его при поиске скрытой проводки в небольших сетях коммуникаций (в квартирах, частных домах). В производственных помещениях, где электрическими кабелями «окутаны» все стены, прибор будет малоэффективен. Зато там, где спрятанная электрическая проводка редка и глубоко запрятана в бетон, находится под толстым слоем штукатурки, устройство обнаруживает ее на расстоянии до 80 см (в зависимости от материала стен). По нарастающей (максимальной) громкости звука в телефоне определяют точное местонахождение проводки. Для нормальной работы устройства, естественно, по искомым проводам должен протекать переменный (или импульсный) ток. Чем больше сила тока, тем с большего расстояния и с большей точностью устройство с ларингофонным датчиком обнаруживает местонахождение проводки.
Поскольку чувствительность датчика высока, можно использовать усилитель звуковой частоты упрощенной конструкции, например на основе микросхемы К140УДЗЗ. Рекомендуемый усилитель обладает функцией регулировки усиления входного сигнала.
Электрическая схема усилителя с подключенным ларингофоном ТЛГ-1А представлена на рис. 232.
В качестве телефона используется хорошо знакомый радиолюбителям телефонный капсюль ДЭМШ-4М, обеспечивающий достаточную громкость звука.
Источник питания устройства— стабилизированный источник питания 5 В постоянного тока. Ток потребления усилителя при максимальном усилении составляет 10—12 мА. На частотах 1000—5000 Гц коэффициент усиления ОУ DA1 максимальный, около 100.
Рис. 2.32. Электрическая схема усилителя с ларингофоном Т/ІГ- 1А
На элементах R4, VD1, СЗ, С4 собран стабилизатор напряжения. Оксидный конденсатор С4 фильтрует низкочастотные помехи по питанию. Конденсатор СЗ фильтрует помехи по высокой частоте.
Резистор R4 (ОМЛТ-0,5) ограничивает ток так, чтобы стабилитрон VD1 находился в рабочем режиме — ток стабилизации 1—10 мА, UCT = 3,3 В. Этот ограничивающий резистор рассеивает небольшое количество тепла — его мощность (0,5 Вт) выбрана с запасом. Можно питать узел от двух элементов А316, тогда R4, VD1, СЗ, С4 не нужны. В таком варианте элементы питания подключаются соответственно к общему проводу и к точке А (положительный полюс).
Напряжение питания усилителя может находится в диапазоне от 1,4 до 5 В, однако при напряжении питания более 3,5 В усилитель возбуждается и уровень шумов возрастает. При напряжении, питания 3 В (оптимальное напряжение питания) величина входного шумового напряжения составляет 440—500 нВ/Гц— это типовое значение для самого ОУ.
Вследствие небольшого уровня опорного напряжения на инвертирующем входе 3 микросхемы DA1 среднеквадратичное значение шума в результирующем сигнале сохраняется на низком уровне. Местный акустический эффект из-за близости расположения ВМ1 и НА1 (который появляется при повышении напряжения питания до 5 В) можно свести на нет корректировкой сопротивления резистора R9. Следует учитывать, что при этом уменьшится и общий коэффициент усиления узла.
Максимальное усиление фиксируется на нагрузке сопротивлением 500 Ом. Однако такой звуковой капсюль найти трудно. При возможной замене НА1 следует учитывать это обстоятельство. Усиление входного сигнала регулируется переменным резистором R5 (СПО-1).
Устройство в налаживании не нуждается. Если узел собран без ошибок с исправными элементами, он начинает работать сразу. Отдельного выключателя питания нет, так как оно поступает на устройство через разъем РП10-5. Можно применить разъем другого типа.
Все постоянные резисторы, кроме R4 — типа МЛТ-0,25. Оксидные конденсаторы — типа К50-6. Остальные — типа КМ-6Б. В качестве ларингофонного датчика ВМ1 можно применить любойдинамическийкапсюльссопротивлением180—250 Ом, например ДЭМШ-1А. НА1 можно заменить на ТМ-4, ВП-1.
Если ларингофон располагается в одном корпусе с усилителем, то экранировать провода не надо. Корпус для устройства — любой: например хорошо подходит пластмассовый, от портативного электрического фонаря, фото которого показано на рис. 2.33.
Рис. 2.33. Фото корпуса из портативного электрического фонаря
Кроме описанного предназначения, устройство усилителя с ларингофонным датчиком может применяться для контроля сейсмического фона, а также в устройствах контроля детонации механических приборов. В налаживании устройство не нуждается.
Кашкаров А. П. 500 схем для радиолюбителей. Электронные датчики.
Искатель скрытой проводки своими руками
Иногда проблема поиска скрытой проводки во время ремонта квартиры становится настоящим мучением. Чтобы избежать этого, необходимо, чтобы в вашем домашнем наборе инструментов имелся обнаружитель скрытой в стене проводки. Такие приборы имеются в свободной продаже, но если вы любите создавать самодельные устройства и не хотите тратить деньги на покупку заводского изделия, то можете собрать аппарат, который поможет вам узнать при необходимости, где проходит замурованная проводка, самостоятельно. Из этого материала вы узнаете, что такое искатель скрытой проводки, какие разновидности этих приборов существуют и как можно сделать такой детектор своими руками.
Разновидности искателей проводки
Существует четыре типа этих приборов, отличающихся друг от друга по принципу действия. Каждый из них обнаруживает скрытую электропроводку в стене по различным физическим параметрам, и называются они соответственно:
- Электростатические. Работа их основывается на поиске электрического поля, которое создается напряжением. Такая конструкция наиболее проста, и ее несложно сделать в домашних условиях.
- Электромагнитные. Такие устройства определяют магнитное поле, которое создается потоком электронов в проводке.
- Индуктивные металлодетекторы. Эти приборы создают электромагнитное поле сами, и по возникшим в нем изменениям обнаруживают металл обесточенных кабелей.
- Комбинированные заводские приборы. Это самые лучшие, чувствительные и точные аппараты, использующиеся для профессиональных работ, но и цена их, по сравнению с прочими разновидностями детекторами проводки, наиболее высока.
Искатель скрытой в стене проводки нередко встраивается в схему многофункциональных приборов, предназначенных для обслуживания электрических сетей. Самым известным из них является «Дятел». Этот аппарат сочетает в себе несколько полезных устройств одновременно.
Разновидности устройств для поиска скрытой проводки и их тестирование на видео:
Как найти электропроводку в стенах с помощью индикатора напряжения?
Определить, где проходит скрытая проводка, проще всего с помощью улучшенного индикатора напряжения (звуковой отвертки). Это устройство обладает автономным питанием, кроме того, в его составе имеется звуковой оповещатель и средство усиления сигнала.
Если у вас есть такой инструмент, то вам незачем делать индикатор скрытой проводки самостоятельно или вносить какие-то изменения в схему устройства. Обнаружить скрытую электропроводку с его помощью совсем несложно.
Просто пройдите наконечником этой отвертки, приложив к нему палец, по стене. Инструмент среагирует на электромагнитные импульсы, излучаемые электропроводкой, и оповестит вас звуком о нахождении места, где они присутствуют.
Сборка искателя проводки с полевым транзистором
Проще всего собрать самостоятельно детектор скрытой проводки, в схеме которого имеется полевой транзистор. Принцип действия этого аппарата основан на регистрации электрического поля.
Для сборки такого определителя не нужно быть профессионалом, достаточно обладать минимальными электротехническими знаниями.
В этой схеме соединяются следующие элементы:
- Полевой транзистор (КП103, КП303).
- Динамик с показателем сопротивления 1,6-2,2 кОм. Подойдет деталь от стационарного телефонного аппарата.
- Элемент питания (1,5-9 В).
- Выключатель.
- Соединительные кабели.
Сборка схемы производится методом пайки. В качестве корпуса для смонтированного устройства можно использовать простую пластиковую емкость небольшого объема.
На видео пример сборки самодельного искателя проводки:
Необходимо учитывать, что полевой транзистор легко подвергается электростатическому пробою. Поэтому при подсоединении его к схеме нельзя притрагиваться пальцами к выводам.
Кроме того, пинцет и паяльник должны быть заземлены.
Обнаружитель с полевым транзистором: порядок работы
Прибор функционирует по следующему принципу. Электрическое поле, воздействующее на n-p переход, приводит к изменению толщины последнего, в результате чего меняется и его проводимость. Так как изменение электрического поля совпадает с сетевой частотой (50 Гц), при приближении к проводке из динамика будет доноситься нарастающий гул. Чтобы не спутать выводы полевого транзистора, необходимо проверить их маркировку.
Желательно, чтобы корпус транзистора был металлическим, соединенным с затвором, который выполняет в этой схеме функцию управляющего вывода. Корпусная часть будет играть роль приемной антенны, улавливающей излучаемый проводкой сигнал.
Собрать по этой схеме искатель скрытой в стене проводки не сложнее, чем простейшую электроцепь, которую составляют школьники на уроках физики, поэтому такая работа вряд ли вызовет затруднения даже у неопытного мастера.
Чтобы процесс определения существующей в стене проводки отображался визуально, подключите стрелочный прибор параллельно электрической цепочки исток-сток. В составе индикатора должен иметься балластный резистор. Номинал элемента сопротивления может колебаться от 1 до 10 кОм.
По мере закрывания транзистора, происходящего при приближении его к электропроводке, будет заметен рост показаний индикатора. Это будет свидетельствовать о том, что в кабелях, находящихся внутри стены, присутствует напряжение, а значит, и электрическое поле.
Обнаружение проводки в стене по электромагнитному излучению
Другая разновидность самодельного искателя электрической проводки – миллиамперметр, соединенный с катушкой индуктивности, обладающей высоким сопротивлением. Последнюю можно изготовить самостоятельно в дугообразной форме. Также в качестве ее можно использовать первичную трансформаторную обмотку, убрав часть магнитопровода.
Этот измеритель не нуждается в питающем элементе – входящая в его состав катушка индуктивности будет способствовать появлению переменного тока, и миллиамперметр покажет его наличие.
Нередко роль приемной антенны играет звукосъемная головка, снятая со старого магнитофона, которую в целях облегчения поиска подключают с помощью экранированного провода. Частота звуковых вибраций в этом случае также будет равна 50 Гц, а на интенсивность доносящегося из динамика гула будет влиять величина силы тока, проходящего по проводам, и расстояние от искателя до проводки.
Улучшенные самодельные определители
Высокой избирательностью и чувствительностью обладают устройства для поиска проводки, собранные на основе биполярных транзисторов, а также операционных усилителей, в состав которых входят детали логических микросхем.
Для изготовления аппарата по этим схемам нужно хотя бы на базовом уровне разбираться в радиоделе, чтобы понимать, как используемые элементы взаимодействуют между собой.
Существует два основных принципа, по которым работают эти приборы:
- Использование силы магнитного поля, создаваемого проводкой. В соответствии с ней меняется звуковой тон оповещателя, а также частота видимого сигнала. Приемный элемент такого устройства является компонентом схемы управления частотой вырабатывающего электрические импульсы одновибратора (мультивибратора). Этот детектор может быть собран на основе операционного, логического чипа, или же биполярных транзисторов.
- Усиление сигнала звукового оповещателя с одновременным отклонением стрелки указателя. В этом случае усовершенствуется схема, основой которой является полевой транзистор либо антенна приема. Роль последней играет катушка индуктивности с прибавлением повысительных каскадов.
Хотя изготовить такой определитель не очень сложно, его работа сопряжена с определенными минусами. К ним относится, во-первых, узкий диапазон обнаружения скрытой электропроводки, а во-вторых, необходимость присутствия напряжения в кабелях.
Поиск обесточенных проводов
Для нахождения кабелей в стенах, имеющих большую толщину или состоящих из очень плотного материала (например, железобетона), при невозможности подать напряжение на них следует воспользоваться точным детектором, функционирующим по принципу металлоискателя.
Такие устройства имеют сложную конструкцию, и изготовление хорошего искателя возможно только в том случае, если вы профессионально разбираетесь в радиотехнике, а также располагаете измерительным оборудованием и всеми элементами, нужными для сборки цепи. Кроме того, такая работа неоправдана с экономической точки зрения. Если же у вас нет должного опыта и элементной базы, лучше приобрести в магазине какой-нибудь из популярных и проверенных приборов, например, BOSCH или «Дятел».
Поиск скрытых проводов с помощью Android
Знаете ли вы, что если у вас есть планшетный компьютер или хотя бы смартфон с Android, то вы можете обнаруживать проводку в стене с его помощью? Для этого нужно, чтобы на устройстве было установлено соответствующее ПО, скачать которое можно в приложении GooglePlay.
Эти девайсы оборудованы встроенным модулем, функционирующим как навигационный компас. Установка нужной программы позволяет пользоваться им, как металлоискателем. Конечно, если вы ищете зарытый в земле клад, Android будет бесполезен, но вот находить с его помощью спрятанные в стене кабели вполне реально, если они не находятся слишком глубоко в ее толще.
Наглядно принцип работы устройства на видео:
Для поиска проводов в стенах, имеющих большую толщину, а также в панелях из железобетона, пользоваться девайсом на базе Android не имеет смысла. В этом случае обойтись без профессионального металлоискателя не получится.
Заключение
Теперь вы знаете, что такое детектор электропроводки, какими бывают типы этих устройств и по какому принципу они работают, а также как изготовить искатель скрытой в стене проводки своими руками. Если вы интересуетесь радиотехникой и любите собирать электрические схемы самостоятельно, вас наверняка заинтригует возможность сделать столь интересный прибор. Если же сборка электроцепей не является вашим хобби, то вы сможете приобрести такой обнаружитель в специализированном магазине.
Как отследить электрическую проводку в стене
Универсальные устройства для отслеживания проводов поставляются с инструкциями, которые позволяют отслеживать проводку в стенах. Вы также можете использовать поисковые устройства с режимами обнаружения проводов для отслеживания определенных проводов. Но вы также можете получить хорошее представление о том, где находятся ваши провода, без таких сложных устройств. Нет единственного правильного способа сделать это. Выбор метода зависит от того, для чего вы хотите отследить провода, и от того, что лучше всего подходит для вас.
Узнать, какие провода к какому автомату подключены, можно вообще без каких-либо инструментов.Если у вас есть какая-либо схема электропроводки для тестируемого здания, это достойный метод. Если вы уже знаете, где проходят провода за стенами, проверка автоматических выключателей просто проверяет, подключены ли провода и переключатели. Работайте с партнером — один из вас должен оставаться у коробки выключателя, чтобы включить выключатель, а другой должен наблюдать, какие розетки получают питание. Вы можете сделать это и без партнера, хотя беготня между розетками и выключателями требует времени и труда.
Начните с выключенными выключателями и вставьте включенную лампу в розетку. Включите и выключите выключатели по одному, пока не загорится лампа. Затем подключите лампу к другим ближайшим розеткам, чтобы определить, какие из них находятся в той же цепи. Поверните выключатели света, чтобы увидеть, в какой цепи включены огни. Цепи, подключенные к большим приборам, таким как сушилки для одежды, часто не имеют других розеток или приборов.
Другой способ найти электрические провода за стенами — использовать металлоискатель.Это может быть эффективным методом, если вы знаете, что проводов очень мало, а в стенах мало других металлических предметов, например гвоздей.
Если вы отслеживаете электрическую проводку, чтобы добавить новые розетки или освещение, или если вы готовитесь к ремонту электрооборудования, вам понадобится детектор напряжения и другие инструменты из соображений безопасности. Прочтите следующую страницу, чтобы узнать больше о безопасности при отслеживании электропроводки.
Лучший прибор для отслеживания проводов (обзор и руководство по покупке) в 2021 году
Преимущества устройств трассировки проводов
- Эффективно.Приборы для отслеживания проводов специально разработаны для обнаружения проводов в труднодоступных местах. В наши дни провода проходят под землей или сквозь стены, что затрудняет их отслеживание. С соответствующим трекером вы можете легко найти провода, будь то дома или в коммерческой среде.
- Экономия времени. Устройство для отслеживания проводов также сэкономит вам много времени, которое вы в противном случае потратили бы, пытаясь выяснить, куда идут провода. Он может обнаруживать провода как под землей, так и в стенах за несколько минут, что позволяет быстро произвести любой ремонт.
- Экономия на бюджете. Приборы для отслеживания проводов — это разумное вложение, потому что они служат долго. Они позволяют отслеживать провода, сетевые кабели и разомкнутые цепи в течение многих лет, экономя много денег на электриках и других связанных расходах. Проволочные трассировщики не дорогие, поэтому вам не придется тратить целое состояние, чтобы их получить.
Типы устройств отслеживания проводов
Активное отслеживание
Существует два метода проверки проводов и кабелей с помощью устройств отслеживания проводов.Первый касается активного локации, что удобно для тех, кому нужно локацию определенных линий, труб и т. Д. Устройство для отслеживания проводов заряжает определенную линию электричеством и использует приемник для приема сгенерированного сигнала. Это делается с помощью прямого подключения или передачи сигнала. Некоторые устройства требуют прямого подключения к линии, в то время как другие должны быть только хорошо расположены на земле над определенной линией.
Пассивное отслеживание
Второй метод называется пассивным обнаружением проводов.Он используется, когда целевая линия уже заряжена электричеством. Трассировщик улавливает сигнал без помощи приемника. Однако этот метод не поможет вам найти конкретный провод в парах или группах проводов. Он обнаружит мощность в определенной области и поможет вам обезопасить место перед бурением или другими действиями.
Ведущие бренды
Extech
Extech была основана в 1971 году и расположена в Бостоне, штат Массачусетс. Компания производит все виды инструментов для предотвращения, выявления и решения механических, электрических и других проблем.Его основная цель — снабдить как профессионалов, так и домашних мастеров надежным и качественным снаряжением. Extech охватывает весь спектр инструментов, от электроники до лабораторных инструментов, а комплект Extech для устранения неполадок электрооборудования является одним из самых популярных продуктов компании.
Amprobe
Amprobe — одна из самых популярных компаний в области инструментов для электриков и техников HVAC. Она была основана в 1948 году и расположена в Лонг-Айленде, штат Нью-Йорк. Более 70 лет Amprobe является компанией, которой доверяют как профессионалы, так и мастера.Он стоит за первыми токоизмерительными клещами и первым прибором для отслеживания проволоки, и он всегда приносит на рынок новые и инновационные инструменты. Примером этого является усовершенствованный прибор для отслеживания проводов Amprobe AT-6020 с 8 режимами чувствительности.
Стоимость трассировщиков проводов
- 30-40 долларов США: В этом ценовом диапазоне есть много надежных и качественных трассировщиков проводов. Хотя они могут быть специально разработаны для некоторых ситуаций, таких как трассировка под землей или стен, они очень эффективны и точны.
- 50 долларов и выше: Более дорогие трассировщики проводов имеют более прочные корпуса и множество дополнительных функций. Они рассчитаны на длительный срок службы и обеспечивают большую точность при использовании для профессиональных и ответственных задач. За дополнительные деньги вы также можете найти комплекты для устранения неполадок в электросети со многими аксессуарами и универсальными устройствами, которые могут отслеживать провода, кабели, цепи и многое другое.
Основные характеристики
Тип
Подумайте, какой тип устройства для отслеживания проводов вам нужен в первую очередь.Некоторые из них специально разработаны для определенных условий и сред и могут работать не для всех целей. Наряду с двумя основными типами трассировщиков проводов (активным или пассивным) существует также несколько других моделей. Есть подземный прибор для отслеживания проводов, который может помочь вам найти провода, проложенные глубоко под землей, или автоматические выключатели для обнаружения проблем с питанием. Определите, какой тип лучше всего подходит для ваших конкретных задач, и выберите соответствующую модель.
Вложение
Помимо выбора между активным или пассивным отслеживанием проводов, вы также можете выбрать конкретный тип подключения.Некоторые устройства отслеживания проводов необходимо подключать к сети напрямую, и только тогда они могут отправлять сигнал и обнаруживать определенные линии, проблемы с питанием и многое другое. Другие, однако, используют зажимы или зажимы типа «крокодил» для отправки сигнала, когда нет прямого доступа к линии.
Регулируемые функции
Независимо от того, являетесь ли вы профессионалом или домашним мастером, вам понадобится регулируемый приемник. Это позволит вам улавливать сигнал другого диапазона и, следовательно, быстрее и точнее обнаруживать и определять местонахождение проводов.Лучшие проводные трассировщики имеют регулируемые режимы чувствительности, и пользователи могут настраивать их в соответствии с ситуацией и окружающей средой.
Прочие соображения
- Диапазон. Не все линейные искатели имеют одинаковый диапазон. Хотя большинство из них обнаруживают сигнал на глубине около трех футов и длине 100 футов, это может сильно варьироваться в зависимости от модели. Эти стандартные устройства для отслеживания проводов отлично подходят для домашних целей, но для профессиональных целей вам может потребоваться более широкий диапазон.
- Строительство. Также важно искать устройство в прочном корпусе для большей прочности. Домашние инспекторы могут использовать менее прочный прибор для отслеживания проводов, но профессионалы могут захотеть получить более прочную модель. Они, вероятно, будут часто использовать устройство и хранить его вместе с другими инструментами, которые могут вызвать повреждение и сократить срок службы устройства для отслеживания проводов.
- Дополнительные аксессуары. Подумайте, какие дополнительные функции и аксессуары могут вам понадобиться в будущем.В какой-то момент вам может понадобиться дополнительный диапазон, а также сигнальные зажимы и другие аксессуары. Если у вас есть средства, вы можете приобрести универсальный индикатор, который будет работать со всеми типами кабелей и прослужит долгие годы.
Лучшие трассировщики проводов Обзоры и рекомендации 2021
Лучший результат
Если вы ищете надежное устройство, которое поможет вам обнаруживать, предотвращать и устранять электрические проблемы, отслеживание проводов Kolsol — отличный выбор.Это эффективное устройство, которое отслеживает все виды скрытых проводов, от ограждений для домашних животных до металлических труб.
Тросоискатель Kolsol имеет впечатляющую дальность действия — до трех футов в глубину и 1000 футов в длину. Этого должно быть достаточно, чтобы вы могли решить все проблемы с электричеством, от коммерческих до домашних. Трассировщик также точно отслеживает электрические цепи и провода, проложенные под землей и за стенами. Кроме того, он компактен, легок и удобен в транспортировке.
Основным недостатком этого трассировщика проволоки является хрупкая внешняя оболочка.Он сделан из пластика, кажется хрупким и легко ломается. Таким образом, устройство не является идеальным вариантом для повседневного использования, где оно может быть серьезно повреждено. Кроме того, трассировщик работает только с одножильными проводами, что означает, что он не может найти и дифференцировать определенные провода в группе.
Наконечники
- Цена на трекеры для проводов может сильно варьироваться в зависимости от их назначения. Вы можете найти отличный дешевый трекер для домашних целей и иногда для обнаружения проводов. Однако, если вам нужен инструмент профессионального уровня, вам понадобится лучший трекер, который можно купить за деньги.
- Проверьте напряжение питания устройства для трассировки проводов перед его использованием. Не все устройства рассчитаны на одинаковую мощность. Если напряжение источника выше, чем может выдержать индикатор, результаты не будут точными. Это также может вызвать короткое замыкание.
- Выполните необходимые тесты, чтобы убедиться, что устройство для отслеживания проводов работает нормально. Перед началом трассировки важно знать, что зонд и передатчик работают на максимальной мощности. Как только вы установите чувствительность датчика на максимальный уровень, переместите его в сторону передатчика.Это позволит вам проверить подключение и предупредить вас о возможных проблемах.
Часто задаваемые вопросы
В: Что такое трассировщик проводов?
Это устройство, отслеживающее провода и кабели, расположенные глубоко внутри стен, под землей или в воде. Он также определяет определенные провода в наборе или группы других проводов в том же соединении. Трассировщик проводов идеально подходит для обнаружения проблем с электропроводкой и неисправностей в домах. Это также полезно при выполнении профессиональных электрических задач.
Q: Как работают приборы для отслеживания проводов?
Каждый прибор для отслеживания проводов имеет передатчик, приемник и зонд.Сам зонд имеет три датчика. Они предназначены для поиска провода и определения направления тока. Зонд указывает на определенную область, и датчик улавливает сигнал. Передатчик выдает уникальный сигнал, который обнаруживает приемник. Наконец, приемник предоставляет числовое значение, которое будет зависеть от мощности сигнала.
Q: Какие типы проводных трассировщиков являются наиболее распространенными?
Основное различие между трассировщиками проводов заключается в способности каждого из них определять местонахождение находящихся под напряжением или не находящихся под напряжением проводов.Некоторые из них могут определять местонахождение обоих типов проводов, но большинство моделей специализируются только на одном из них. Также существует тип трассировщика цепей, который обнаруживает цепь и ее напряжение.
Последние мысли
Meterk Wire Tracker — наш лучший выбор, когда дело доходит до трассировщиков проводов. Это надежно, быстро и просто в использовании. При правильном хранении устройство можно использовать в домашних условиях и в некоторых профессиональных целях.
Тем, у кого ограниченный бюджет, мы рекомендуем трекер Tacklife Wire Tracker.Это недорогой прибор для отслеживания проводов, который может выполнить большинство электромонтажных работ в доме.
Схема обнаружения невидимого обрыва проводаПереносные нагрузки, такие как видеокамеры, галогенные прожекторы, электрические утюги, ручные сверлильные станки, шлифовальные машины и резаки, получают питание от подключения длинных двух- или трехжильных кабелей к сетевой вилке. Из-за длительного использования провода шнура питания подвергаются механическим напряжениям и нагрузкам, что может привести к внутреннему обрыву проводов в любой точке.В таком случае большинство людей идут на замену жилы / кабеля, так как найти точное местоположение обрыва провода сложно.
В трехжильных кабелях практически невозможно обнаружить обрыв провода и точку обрыва без физического нарушения всех трех проводов, скрытых в оболочке из ПВХ. Представленная здесь схема может легко и быстро обнаружить обрыв / неисправный провод и его место обрыва в одножильных, двухжильных и трехжильных кабелях без физического нарушения целостности проводов. Он построен с использованием шестнадцатеричного инвертора CMOS CD4069.
Ворота N3 и N4 используются в качестве генератора импульсов, который колеблется с частотой около 1000 Гц в звуковом диапазоне. Частота определяется компонентами синхронизации, состоящими из резисторов R3 и R4 и конденсатора C1. Затворы N1 и N2 используются для определения наличия поля 230 В переменного тока вокруг провода под напряжением и буферизации слабого переменного напряжения, снятого с испытательного щупа. Напряжение на выходном контакте 10 затвора N2 может включать или отключать схему генератора.
Когда измерительный щуп находится вдали от любого поля переменного тока высокого напряжения, выходной контакт 10 затвора N2 остается низким.В результате диод D3 проводит и препятствует генерации колебательного контура. Одновременно на выходе затвора N3 на выводе 6 устанавливается низкий уровень, чтобы отключить транзистор T1. В результате LED1 гаснет. Когда измерительный щуп приближается к сетевому проводу 230 В переменного тока, 50 Гц, во время каждого положительного полупериода выходной контакт 10 затвора N2 становится высоким.
Таким образом, в течение каждого положительного полупериода сетевой частоты схема генератора может колебаться с частотой около 1 кГц, заставляя красный светодиод (LED1) мигать.(Из-за постоянного обзора светодиодный индикатор кажется непрерывным.) Этот тип мигания снижает потребление тока от кнопочных ячеек, используемых для источника питания. Для питания всей цепи достаточно источника постоянного тока 3 В.
Принципиальная схема:
Кнопочные элементы типа AG13 или LR44, которые также используются внутри лазерных указателей или в тестерах целостности на основе светодиодов, могут использоваться для схемы. Схема потребляет 3 мА во время измерения сетевого напряжения переменного тока.Для аудиовизуальной индикации можно использовать небольшой зуммер (обычно встроенный в кварцевые часы) параллельно с одним маленьким (3 мм) ЖК-дисплеем вместо LED1 и резистора R5. В таком случае ток, потребляемый схемой, составит около 7 мА.
В качестве альтернативы можно использовать две батареи типа R6 на 1,5 В или типа AA. С помощью этого устройства можно также быстро обнаружить перегоревшие маленькие лампочки накаливания в последовательных шлейфах, питаемых от сети 230 В переменного тока.
Вся цепь может быть помещена в небольшую трубу из ПВХ и использована в качестве удобного детектора обрыва провода.Перед обнаружением обрыва неисправных проводов отключите любую подключенную нагрузку и сначала найдите неисправный провод методом проверки целостности цепи с помощью любого мультиметра или тестера целостности.
Затем подсоедините провод под напряжением 230 В переменного тока к одному концу неисправного провода, оставив другой конец свободным. Подключите нейтраль сетевого переменного тока к оставшимся проводам на одном конце. Однако, если любой из оставшихся проводов также оказывается неисправным, оба конца этих проводов подключаются к нейтрали. Для однопроводного тестирования достаточно подключить нейтраль только к проводу под напряжением на одном конце, чтобы обнаружить точку обрыва.
В этой схеме в качестве испытательного щупа используется толстый одножильный провод длиной 5 см (2 дюйма). Чтобы определить точку обрыва, включите переключатель S1 и медленно переместите испытательный щуп ближе к неисправному проводу, начиная с точки входа провода под напряжением и двигаясь к его другому концу. LED1 начинает светиться при наличии переменного напряжения в неисправном проводе. При достижении точки обрыва LED1 немедленно гаснет из-за отсутствия сетевого напряжения переменного тока.
Точка выключения LED1 является точной точкой обрыва провода.При тестировании сломанного трехжильного скругленного провода кабеля согните край зонда в форме буквы «J», чтобы увеличить его чувствительность, и переместите загнутый край испытательного зонда ближе к кабелю. Во время тестирования избегайте любого сильного электрического поля вблизи цепи, чтобы избежать ложного обнаружения.
Автор: К. Удхая Кумаран
10 лучших трассировщиков электрических цепей, рассмотренные и оцененные в 2021 году
В то время проблемы с электрической системой решались с помощью ручных проверок электропроводки, прерывателей и всего, что специалисты считают уместным.Таким образом, ремонт и даже новая электрическая схема требуют длительного времени.
Но теперь, с помощью современных технологий, отслеживание цепей стало менее сложным благодаря лучшему трассировщику электрических цепей. Это устройство, используемое профессионалами, предназначено для поиска неисправных линий и помощи в создании сложных электрических соединений в зданиях.
Признать, что у вас внутри, означает знать, что ремонтировать и как сделать ваш дом более безопасным. Планируйте проекты по благоустройству дома и получайте удовольствие от использования энергоемкой бытовой техники.Позже вы узнаете больше, когда я поделюсь своим опытом работы с этим электрическим инструментом.
Обзоры лучшего трассировщика электрических цепей
1. Устройство трассировки проводов PTE и тестер цепей
Отслеживание проводов, стационарных кабелей и автомобильных линий стало для меня намного проще, когда я начал использовать PTE Wire Tracer & Circuit Tester. Это позволяет мне быстро обнаруживать соединения с разумной точностью. Таким образом я могу сэкономить время и работать над тем, что касается моей электрической системы.
Независимо от того, какой метод вы используете, например, при поиске коаксиальных кабелей, ложные срабатывания все равно могут возникать и вводить вас в заблуждение. Но с регулируемыми уровнями чувствительности PTE я смог определить линию, которую искал, вращая ручку чувствительности. Таким образом, даже если приемник находится рядом с пучком проводов, это устройство может реагировать на конкретный.
Что касается гибкости, я очень доволен наличием двух зажимов типа «крокодил» для непрерывного и тонального режима, а также разъема RJ11 для легкого тестирования телефонных систем.Независимо от того, ищу ли я провод в тональном режиме или проверяю на короткое замыкание и целостность в непрерывном режиме, PTE — надежный и безопасный инструмент в использовании.
Кроме того, меня не беспокоит долговечность, так как продавец гарантирует мне год гарантии. Таким образом, это означает, что этому искателю цепей могут доверять многие. Я помню, как скептически относился к покупке этого продукта из-за его доступной цены, но производительность доказала, что это хороший прибор для трассировки цепей за свои деньги.
Некоторые пользователи утверждали, что этот электрический прибор для отслеживания проводов не работает с проводами на расстоянии более 10 футов.Тем не менее, для меня это хороший вариант, и он позволяет калибровать мою электрическую схему.
Плюсы
- Экономия времени при поиске путей цепи
- Поставляется с регулируемыми уровнями чувствительности для более четкого обнаружения проводов
- Гибкое использование с двумя зажимами типа «крокодил» и вилкой RJ11
- Гарантия 1 год от продавца
- Хорошая инвестиция по доступной цене
Минусы
- Для некоторых клиентов не работает на расстоянии более 10 футов
В целом, у меня нет проблем с поиском и устранением неисправностей с помощью этого трассировщика электрических линий.Я всегда могу сэкономить время и силы, отслеживая связи. Я предложу это своим друзьям.
2. Amprobe 3472789 Устройство контроля цепей BT-120
Для вашего дома, офиса и систем отопления, вентиляции и кондиционирования воздуха вам, вероятно, понадобится Amprobe — 3472789 BT-120 Circuit Breaker Tracer. С микропроцессорным контроллером это надежное устройство для моих небольших электрических установок. Устройство поиска автоматических выключателей Amprobe совместимо с системами выключателей переменного тока от 90 до 120 В с частотой 50/60 Гц.
Мне нравится этот продукт, потому что в комплект поставки входят передатчик, приемник, установленная батарея на 9 В и руководство пользователя. Так что мне больше не нужно обращаться за помощью к техническому специалисту для трассировки цепей.
В отличие от некоторых индикаторов, которые требуют, чтобы вы вращали датчик чувствительности, как шестеренку регулировки громкости, этот индикатор имеет автоматическую настройку чувствительности. Таким образом устраняется неопределенность в моем поиске, и я могу легко найти единственный правильный выключатель со световыми и звуковыми сигналами.
Этот продукт также оснащен светодиодным индикатором для дополнительной распознаваемой информации. Розетки под напряжением включат свет перед фактическим отслеживанием. А правильно выключенные автоматические выключатели для технического обслуживания не позволяют свету.
Я считаю, что компания Amprobe также имеет авторитетную репутацию, поскольку она имеет сертификат UL. Даже европейские стандарты признают этот продукт надежным и эффективным в использовании.
С другой стороны, этот элемент может обнаруживать только выключатели под напряжением, а не выключатели без напряжения.Тем не менее, он работает так, как задумано, и я могу максимально использовать его возможности.
Плюсы
- Надежный продукт, совместимый с автоматическими выключателями от 90 до 120 В переменного тока
- Поставляется в полной упаковке
- Позволяет автоматически регулировать чувствительность для вспомогательного отслеживания
- Предоставляет более важную информацию через светодиодный индикатор
- Изделие, внесенное в список UL, соответствующее европейскому стандарту
Минусы
- Только для поиска выключателей под напряжением
Для таких систем, как моя небольшая установка, это лучший индикатор, который вы можете использовать.Изделие надежно, выполняет свою работу по назначению и простое в использовании.
3. Кабельный трассировщик Klein Tools VDV500-820
Обладая профессиональным тон-генератором и пробником для неактивной проводки, кабельный трассировщик Klein Tools VDV500-820 может передавать сигналы на расстояние до 1000 футов с пятью различными тональными ритмами. В передатчике Кляйна используется технология Toner-Pro, которая проверяет полярность и целостность цепи и отображает результаты с помощью светодиодов устройства.
На одном конце передатчика находится разъем RJ11 для моего телефона и кабель данных RJ45 для пар тональных проводов.Этот продукт позволяет надежно прикреплять провода с помощью угловых зажимов для гвоздей. Таким образом, соединения будут плотными, и передача сигнала будет четкой.
Если вы беспокоитесь об отслеживании цепей в шумной среде, пробник имеет разъем для наушников 3,5 мм, чтобы вы могли сосредоточиться на звуке, исходящем от передачи. Мне нравится, что в нем есть рабочий свет, поэтому я могу видеть нужную схему в темноте.
Кроме того, приемный конец этого продукта позволяет мне регулировать громкость, видеть состояние батареи и отслеживать провода в идентичных системах с его отзывчивым, прочным и проводящим наконечником.Для дополнительной точности также присутствуют клеммные колодки для подтверждения пар проводов.
В комплект входит 8 батареек AAA, которые мне не приходилось менять каждый раз, потому что устройство автоматически отключается, когда не используется. Таким образом, я могу сохранить и продлить использование этих источников энергии.
Я предлагаю использовать для этого продукта наушники, так как я считаю, что динамики ресивера немного слабые. Вы можете использовать динамики, когда наконечник непосредственно контактирует с проводом, который вы отслеживаете.
Плюсы
- Передача сигнала на 1000 футов, 5 различных ритмов тона и клеммные колодки
- Профессиональный, проверка целостности и полярности
- Угловые зажимы с гвоздями для лучшей передачи сигнала
- Удобное отслеживание с опцией использования рабочего освещения и наушников
- Отзывчивый прочный приемник, кабели RJ11 и RJ45
- Включение батареи и автоматическое отключение питания
Минусы
- Слабые динамики могут быть помехой
С помощью этого устройства я смог определить свои проблемы со связью.Таким образом, я сэкономил время и силы, проверяя, что нужно ремонтировать. Я рад, что это сработало мне на пользу.
4. Устройство Ideal SureTrace 61-959 Circuit Tracer
Если вы не уверены, есть ли в цепи напряжение, я бы посоветовал использовать Ideal SureTrace 61-959 Circuit Tracer. Этот индикатор напряжения работает как с включенными, так и с обесточенными цепями.
Чтобы избавиться от хлопот, связанных с переключением выключателей, в измерителе цепей Ideal предусмотрено четыре режима чувствительности вместе с приемником.Высокий калибр помогает мне определить точную панель, а режим выключателя или низкий режим помогает выбрать единственный правый выключатель. Мне нравится, как его гибкость приводит меня к тому конкретному выключателю, через который передается сигнал.
Я считаю, что этот продукт очень помогает мне, как члену группы по настройке электрооборудования, и с точки зрения эффективности. Мы наносим на карту коммерческие здания, и благодаря сильному сигналу SureTrace мы можем сэкономить время и убедиться, что макеты находятся в нужном месте.
Известный производством качественных и разнообразных продуктов, этот пакет для трассировки от Ideal добавляет индуктивный зажим для высокочастотного поиска.Этот зажим передает сигнал на кабель, не отсоединяя его. Кроме того, в каждом наборе есть руководство, которое поможет покупателям, особенно начинающим пользователям.
Учитывая, что в комплекте с изделием идут всего 4 батарейки типа AA, лучше подготовить дополнительные детали при работе на месте, чтобы избежать неприятностей. И вы должны отключать свои трассеры, когда они не используются, чтобы сэкономить энергию.
Плюсы
- Работает как с включенными, так и с обесточенными цепями
- Четыре режима чувствительности для определения правильной панели и выключателя
- Помогает сэкономить время и повысить эффективность
- Ценные дополнения, такие как индуктивный зажим и ручной
Я считаю, что это идеальный продукт для крупных предприятий, которые в основном используют схемы, особенно высокочастотные.Кроме того, у меня не было трудностей с калибровкой продукта, потому что он удобен в использовании.
5. Sperry Instruments ET64220 Устройство для отслеживания проводов
Некоторые трассеры разработаны с определенной целью. Внутри пакета Sperry Instruments ET64220 Wire Tracker находятся различные разъемы, такие как RJ11, RJ45, Coax, автомобильный предохранитель и изолированные зажимы. Таким образом, это делает его незаменимым для установщиков аудио или видео и техников COM данных.
Раньше я застревал после определения неправильного провода.Но с этим устройством отслеживания электрических цепей уровни чувствительности можно изменять, и это помогло мне выяснить соединения, которые я отслеживал.
Еще одна вещь, которая мне нравится в этом устройстве, — это вид индикации, которую отправляет передатчик. Со своим старым трассером я полагался на звук, который создает мой ресивер. Теперь в этом новом я не только слышу сигналы, но и вижу их. Так я увереннее выбираю правильный провод.
Это устройство также экономит заряд батареи.Что происходит, так это то, что через 45 минут передатчик выключается, и вам потребуется нажать кнопку ON, чтобы продолжить поиск. Так что в случаях, когда я забываю выключить его, я уверен, что мои батареи сохранены.
По своей конструкции я могу сказать, что это сверхпрочный аппарат после того, как пару раз случайно уронил его. Кроме того, он поставляется с батареями, специально предназначенными для этого предмета.
Однако не забудьте знать, какой индикатор вам нужен, потому что он не работает на установках более 40 футов.Поэтому не рекомендуется использовать домашнюю разводку. Вы не получите желаемых результатов.
Плюсы
- Идеально для установщиков аудио- и видеотехники и технических специалистов по обработке данных
- Регулировка чувствительности для правильной идентификации провода
- Характеристики звуковых и световых сигналов
- Автоматическое отключение через 45 минут для экономии заряда батареи
- Изготовлен из прочного материала и поставляется с батареями
Минусы
- Не работает на расстоянии более 40 футов
- Не подходит для домашнего использования
Telecommunication не кажется мне таким сложным с помощью этого трассировщика.Планирую рекомендовать это своим коллегам. Я считаю, что Сперри создал этот продукт на заказ.
6. Комплект пробника Fluke Networks Pro3000
Тонизируйте и отслеживайте неактивные сетевые провода с помощью тонального генератора и зонда Fluke Networks 26000900 Pro3000. Благодаря точной технологии SmartTone, этот продукт обеспечивает пять уникальных тонов и ритмов для изоляции отдельных пар проводов. Благодаря этому я могу плавно определить точную пару проводов.
Шумная обстановка всегда была проблемой при нахождении проводов.Хорошо, что этот измеритель цепей Fluke поставляется с нефильтрованным пробником Pro 3000 с эргономичным гладким дизайном и громкоговорителем. В большинстве кабелей громкие тональные сигналы могут достигать 16 км, что делает их отчетливо слышимыми.
На конце передатчика свисают скошенные под углом зажимы с гвоздями для облегчения доступа к отдельным проводам и штекер RJ11 для телефонных розеток. К ресиверу также можно прикрепить аксессуары, такие как сменные насадки и наушники, если я не хочу никого беспокоить шумом, исходящим от трассировки.
Безопасность дома не ограничивается воротами и забором. С помощью этого прибора для отслеживания проводов Fluke я смог создать идеальную схему проводки моей системы безопасности. Итак, от внешних аспектов до внутренних устройств, я могу отслеживать свои схемы. Кроме того, он хорошо работает с некоторыми проводами низкого напряжения в моем доме.
Единственная проблема, с которой я столкнулся с этим устройством, — это невозможность автоматического отключения питания. Таким образом, я всегда имел в виду выключить его вручную, иначе у меня разрядятся батареи в одно мгновение.
Плюсы
- Технология Smart Tone для изоляции проводов
- Характеристики Пробник Pro 3000 с громкоговорителем для усиления идентифицируемых сигналов
- Доступ к отдельным проводам и телефонным розеткам
- Позволяет использовать сменные насадки и наушники
- Совместимость с проводкой систем безопасности и низкого напряжения
Минусы
- Нет опции автоматического отключения питания
Пока у меня нет проблем с получением звуковых сигналов.Я доволен тем, как это устройство идеально подходит для моей настройки. Я уверен, что это будет в вашем списке для домашних и охранных проводов.
7. General Technologies FF310 Устройство поиска цепей
Работающий от 6–42 В постоянного тока, искатель короткого замыкания и обрыва General Technologies FF310 — это то, что мне нужно для моего мотоцикла. Этот продукт работает в смешанных или одиночных системах 42 В, таких как автомобили, грузовики, тракторы и многие другие транспортные средства для отдыха. Мне нравится этот продукт, потому что он помогает мне решать проблемы, с которыми я сталкиваюсь с автомобильной проводкой.
ПриемникGeneral Technologies имеет антенну, способную легко улавливать сигнал, исходящий от передатчика. Благодаря регулируемой чувствительности и бесконтактной технологии, которая позволяет мне устранять целый ряд общих электрических проблем без необходимости снимать жгуты проводов или снимать панели. Я всегда могу сэкономить время и решить проблемы с меньшими хлопотами.
8-дюймовый гибкий зонд упрощает отслеживание труднодоступных или перегруженных проводов.С другой стороны, передатчик может автоматически устанавливать полярность с помощью проводов 5 А и зажимов типа «крокодил». Таким образом, обвинения будут отличаться друг от друга, и их будет легко идентифицировать.
Помимо внутренней защиты от скачков напряжения и перегрузок, General Technologies выполняет автоматическое обнаружение коротких и разомкнутых цепей. Передатчик и приемник отображают обнаруженные состояния своими светодиодами. Кроме того, близость проводов отражается на приемник через переменные звуковые и визуальные сигналы.
Я посоветую потренироваться с этим прибором для трассировки цепей, поскольку переполненные провода в автомобильных приложениях имеют тенденцию поглощать сигналы.В результате короткие и разомкнутые цепи посылают слабые сигналы, а иногда их даже невозможно идентифицировать для приемника.
Плюсы
- Работает с автомобильной проводкой и работает от 6 В до 42 В постоянного тока
- Регулируемая чувствительность и бесконтактная технология поиска неисправностей
- Простое обнаружение заряда и отслеживание упакованных проводов
- Автоматическая идентификация коротких / обрывов и близости проводов
Минусы
- Может быть менее эффективным при переполненных проводах
Решение проблем с моими автомобильными цепями стало намного проще благодаря этому продукту.Я всегда нахожу нужные точки передачи сигнала и диагностирую соответствующие условия.
8. Ideal Industries 61-534 Цифровой искатель цепей
Одной из лучших особенностей этого продукта является его быстрая и простая идентификация цепей. В отличие от некоторых брендов, количество попыток проб и ошибок с этим индикатором заметно меньше. Это означает, что у меня всегда будет больше шансов попасть в нужный провод.
Учитывая, что срок службы батареи является приоритетом, этот трассировщик цепей переменного тока автоматически отключает питание, если в течение 10 минут не поступают сигналы переменного тока или передатчика под напряжением.Срок службы батареи указан на этом устройстве, чтобы напомнить владельцу о необходимости заряжать батареи при низком уровне заряда и предотвратить возможное выгорание.
Трехколоночные светодиодные индикаторы на приемнике уведомляют пользователя об особом состоянии выключателей. Таким образом, я не буду гадать, что происходит с моей электрической системой. Кроме того, у меня меньше шансов получить ложные срабатывания.
Он не только позволяет мне определить правильный выключатель, который подает питание на мои розетки переменного тока, но также проверяет розетки.Таким образом, я могу быстро обнаружить неправильно настроенные и неправильно установленные розетки. Кроме того, я делаю все это, не вызывая перебоев в подаче электроэнергии.
Хотя некоторые могут посчитать этот предмет слишком дорогим, я все же считаю его разумным. Он работает очень хорошо после короткой калибровки, и я, похоже, вообще не обнаружил никаких проблем.
Плюсы
- Быстрая и простая идентификация цепей для повышения точности отслеживания проводов
- Автоотключение приемника через 10 минут простоя
- Имеется уведомление о низком заряде батареи
- Светодиодные индикаторы для более точного обнаружения проблем
- Может проводить тесты розеток без прерывания питания
Минусы
- Может быть немного дороговато для
Я считаю, что этот продукт стоит моих вложений.Картографирование точек стало намного удобнее благодаря трассировщику Ideal. Детальная диагностика схемы также является для меня важным фактором.
9. Многофункциональный проводной трекер Elegiant
Гибкость — это преимущество многофункционального устройства отслеживания проводов Elegiant RJ11 RJ45. Этот продукт предлагает широкий спектр приложений, таких как промышленность, офис, рынок, бытовая техника и даже образование. Так что всякий раз, когда вы сомневаетесь, какой трейсер выбрать, я бы посоветовал взять этот.У меня есть одна такая единица, и она работает эффективно, как описано.
Четыре функции отслеживания со светодиодными индикаторами помогают пользователям указать проблему, которую они хотят решить. В моем случае я чаще использую сетевой режим для решения проблем с телефонными кабелями. Другие функции, доступные с помощью поворотной ручки, — это режимы сканирования, тона и непрерывности.
Приятно видеть, как этот продукт выделяется над своим легким корпусом. Сначала я подумал, что он хлипкий и может сломаться в любой момент.Но на самом деле он был прочным. Изделие такое легкое и доступное. Наличие этого для домашнего использования является преимуществом.
Помехи — обычная проблема при отслеживании цепей. В качестве разрешения Elegiant поставляется с наушниками, чтобы помочь пользователю сосредоточиться на сигнале, а не на назойливых звуках вокруг. В темных условиях встроенный фонарик помогает мне проверять провод.
Если вы впервые пользуетесь данным устройством, руководство, входящее в комплект поставки, может быть недостаточно простым для понимания.В моем случае я попросил совета специалиста, который поможет мне оптимально использовать продукт.
Плюсы
- Работает в различных областях применения
- Четыре функции отслеживания со светодиодами для более точного обнаружения проблем
- Имеет легкий и прочный корпус по доступной цене
- В комплекте наушники и фонарик
Минусы
- Руководство по продукту может доставить неудобства некоторым начинающим пользователям
Я использую этот продукт дома более года, и он хорошо устраняет проблемы с моими кабелями.Итак, если вы ищете доступный комплект для отслеживания для широкого круга целей, то этот Elegiant может быть лучшим для вас.
10. Локатор подземных проводов Kolsol F02
Провода, спрятанные между стенами, характерны практически для всех типов заведений. Но пробовали ли вы когда-нибудь отследить невидимые контуры забора под землей? Локатор подземных проводов Kolsol F02 определяет местонахождение подземных проводов глубиной до 3 футов и длиной до 1000 футов.Этот вид отслеживания проводов обычно работает с неисправными соленоидами.
Kolsol поставляется с уникальной свисающей антенной на приемном конце. Все, что вам нужно сделать, это раскачивать его взад и вперед и прислушиваться к звуку, который он создает. В тот момент, когда антенна оказывается прямо над проводкой, которую вы пытаетесь найти, звук исчезает. Я считаю эту функцию актуальной, потому что она помогает мне быстро определять местонахождение подземных переходов на большой территории.
С точки зрения точности, этот продукт помогает мне решать проблемы с невидимым забором всего за 30 минут.Подобные решения становятся возможными, потому что я могу быстро и правильно отобразить поврежденные соединения. Я наслаждаюсь всеми этими преимуществами по доступной цене.
Kolsol также поставляется с батареями, совместимыми с функциями устройства, такими как обнаружение кабеля и проверка полярности. Таким образом, я смогу сэкономить деньги и силы на поиске источников питания, дополняющих мой индикатор.
Обратной стороной, которую я заметил в этом наборе для трассировки, является его неспособность тестировать многожильные провода и спринклерные клапаны, специально расположенные на моем газоне.Помните, что этот элемент может работать только в ситуациях, когда напряжение ниже 24 В и провода кабеля не находятся под напряжением.
Плюсы
- Подземный трассоискатель, который лучше всего работает с сломанными соленоидами
- Поставляется с болтающейся антенной для обнаружения кабеля на большой площади
- Устранение проблем с невидимым ограждением для экономии времени
- В комплект входят аккумуляторы для поддержки функций трассера
- Доступный, позволяет размещать подземную проводку на глубине 3 фута и длине 1000 футов
Минусы
- Не для спринклерных клапанов и многожильных проводов
- Ситуации менее 24 В и только провода без напряжения
Устранение проблем с проводом под землей оказалось для меня быстрым.В целом мне нравится дизайн продукта и простота использования. Этот комплект для трассировки хорош для наружных цепей.
11. Комплект для отслеживания проволоки Triplett 3388 Hound
Обладая способностью определять местонахождение проводов через гипсокартон, штукатурку, дерево и цемент, Triplett 3388 Fox & Hound Wire Tracing Kit генерирует импульсные или трели для идентификации соединений. Triplett может обнаруживать провода, проложенные на глубине до 6 дюймов и длиной до 1000 футов.
В пакет интегрирована функция True Trace, которая позволяет пользователю определять конкретный ID кабелей.Кроме того, тест Triplatch позволяет мне проверить, высвобождается ли энергия пружины, которая необходима для отключения выключателей.
Индикатор наличия напряжения проверяет наличие питания на проводе. Чтобы еще больше поддержать это, устройство имеет прочную конструкцию и может противостоять влаге в своем корпусе. Таким образом, наличие энергии не зависит от других факторов, кроме электричества.
Triplett не может работать только как трассирующее устройство под напряжением. Он также может работать с кабелями телевизора и Ethernet, что делает его идеальным вариантом для домашнего использования.
Усовершенствованная система фильтрации обеспечивает отслеживание даже с проводами под напряжением. Шумовые помехи, создаваемые люминесцентными лампами, подавляются полосовым фильтром нажатием кнопки. Эта функция помогает мне определять сигналы, которые я должен идентифицировать.
Этот индикатор вступает в контакт с радиочастотой, что может быть неприятно и неприятно. Я бы посоветовал выключить автоматические выключатели и подключить черный зажим типа «крокодил» к земле, а красный — к проводу, который вы хотите найти.
Плюсы
- Воспроизводит тоны пульса и трели, работает для проводов глубиной 6 дюймов и 1000 футов.-длинный
- Функция TrueTrace и тест Triplatch
- Индикатор наличия напряжения для проверки мощности, проходящей через провод
- Прочный и влагостойкий корпус
- Идеально для домашнего ТВ и кабеля Ethernet
- Расширенная система фильтрации для исключения ненужных помех
Минусы
- Может устанавливать связь с радиочастотой
В целом, мне нравится, как этот индикатор работает мне на пользу.Мне нужно определить провода, которые я пытаюсь найти. Кроме того, он пытается устранить нежелательные помехи сигнала.
12. Klein Tools ET300 Устройство поиска автоматических выключателей
Моя домашняя панель в основном состоит из старых автоматических выключателей. Но когда пришли новые, мне пришлось поменять свой трейсер на этот. В отличие от других устройств трассировки цепей, этот продукт работает даже с комбинацией старых и новых предохранительных выключателей. Я проверил обнаружение сигнала на всех своих выключателях, и все они сработали.
Klein поставляется с микропроцессорной технологией, которая позволяет мне создавать подходящие решения, точно определяя состояние моих выключателей. Мне нравится эта функция, потому что ее можно адаптировать для людей, которые только начали калибровать свои электрические системы.
Этот продукт также гарантирует получение адекватных сигналов, необходимых для диагностики. Передатчик Кляйна — мощный передатчик, который может излучать волны на провода длиной до 1000 футов. Таким образом, мне не нужно беспокоиться о соединениях, лишенных сигналов.И путаница со связанными проводами больше не будет проблемой.
Устройство экономит заряд аккумулятора благодаря функции автоматического отключения. Таким образом, если пользователь каким-либо образом забудет выключить индикатор, он автоматически выключится, что предотвратит разряд батарей.
Владельцы также должны знать о ложных срабатываниях, которые может вызвать этот комплект для отслеживания. Я бы посоветовал начинающим пользователям внимательно смотреть на панель и внимательно следить за сигналами, исходящими от передатчика.
Плюсы
- Работает со старыми и новыми отбойными молотками
- Трассировка щитка с комбинированными старыми и новыми автоматическими выключателями
- Поставляется с микропроцессорной техникой для начинающих
- Посылает сильные сигналы на расстояние до 1000 футов
- Функция автоматического отключения для продления срока службы батареи
Минусы
- Может создавать ложные срабатывания
Я рад, что этот индикатор может проверить мои выключатели и даже розетки дома.Кроме того, у меня нет проблем с устранением проблем, возникающих в моей электрической системе.
На что обращать внимание при покупке измерителей электрических цепей
Трассеры, как правило, повсюду на рынке электроники. Но хитрость в выборе лучшего трассоискателя заключается в следующих факторах.
Тип пользователя
Область применения для технических специалистов и простых домовладельцев явно различается. Профессионалы нуждаются в трассировщиках, которые они могут использовать в широком спектре приложений, чтобы не тратить деньги на новые при каждом изменении операций.С другой стороны, домашнее использование трассировщиков включает ознакомление с электрической схемой, телевизорами, Ethernet и другими телекоммуникационными кабелями.
Регулировка чувствительности
Этот аспект необходим пользователю для сбора нужного количества сигнала. Это также помогает предотвратить ложные срабатывания и помехи от других проводов. Чувствительность регулируется с помощью автоматических и неавтоматических средств до тех пор, пока не останется единственное соединение, являющееся точкой передачи.
Проникающая способность
Хотя большинству приемников не требуется прямой контакт с проводкой, их эффективность по-прежнему заключается в их способности проходить сквозь стены, пол и многие другие материалы, где скрываются соединения.Убедитесь, что вы знаете цифры того, насколько глубоко ваш приемник может проникать и улавливать сигналы.
Мощность передатчика
Вам не всегда нужен самый длинный провод, по которому могут проходить сигналы. Мощность передатчиков для создания идентифицируемых индикаторов может варьироваться в зависимости от цены, установки и конфигурации. Некоторые могут передавать до 100-футовых проводов, в то время как другие достаточно сильны, чтобы дотянуться до приемника на расстоянии 1000 футов.
Стоимость
Ценовой диапазон для трассировщиков цепей достаточно широк, поэтому покупатели должны учитывать свои потребности.Возможно, вы слишком много тратите на устройство, которое вам не нужно, или выбираете некачественные индикаторы, которые, по сути, бесполезны для вашего дела.
Прочность
На упаковке написаны материалы, которые есть у вашего трассировщика. Таким образом, вы можете проверить, не повредит ли устройство ваше интенсивное использование. Вы также узнаете, устойчив ли ваш прибор для проверки цепей к элементам, которые могут его повредить.
Режим уведомления
Некоторым, особенно начинающим пользователям, трудно идентифицировать звуковые сигналы, отправленные на принимающую сторону.Поэтому в идеале выберите индикатор, который может создавать визуальные сигналы, чтобы вы были уверены, что вы не отследите неправильный провод.
Аккумуляторы
Как правило, иметь трассировщик — это здорово. Но не тогда, когда вам нужно искать источники питания, чтобы ваше устройство работало. Наличие аккумуляторных батарей в комплекте с трассировщиком цепей — это настоящая жемчужина. Таким образом, вам не составит труда найти аккумуляторы в магазине или, что еще хуже, выбрать аккумуляторы, которые не подходят вашему устройству.
Напряжение
Не все устройства для отслеживания электропроводов работают при одинаковом напряжении. Чтобы предотвратить дисбаланс мощности и повреждение вашего трассировщика, убедитесь, что вы знаете допустимое напряжение вашего устройства. Таким образом, ваш трассировщик не будет испытывать перегрузки, и вы сможете найти правильные соединения.
Гарантия
Одна проблема, которую мы обычно видим в обзорах средств трассировки электрических цепей, заключается в том, получают ли клиенты обслуживание продукта после покупки элемента.Необходимо обеспечить гарантии против дефектов и отсутствия компонентов, чтобы не зависнуть, когда с устройством что-то не так.
Часто задаваемые вопросы
Какие бренды Circuit Tracer пользуются наибольшим доверием?
Устройства для трассировки цепей, представленные на рынке, являются конкурентоспособными в своих правах, но ниже представлены лучшие бренды устройств трассировки проводов для вас.
- Ideal Industries — известная компания по производству качественных ручных инструментов, тестеров и разъемов для широкого спектра применений
- Klein Tools — имеет высокую репутацию в сфере телекоммуникаций и, в идеале, лучший индикатор автоматического выключателя
- Zircon Electrical Tools — известна производством непревзойденных металлоискателей, металлоискателей и электрических сканеров.
- Triplett — известны точностью и стабильностью своих трассеров
- Extech Instruments — предлагает инструменты, которые работают на профессиональном, коммерческом и бытовом уровнях.
Как отследить электрическую цепь под напряжением?
- Вставьте адаптер розетки в цепь, подлежащую отслеживанию.Молния указывает на наличие силы.
- Передатчик посылает сигналы по проводу, чтобы приемник их уловил.
- Установите режим максимальной чувствительности при сканировании стен, полов и потолков.
- Поверните приемник, чтобы получить максимальное числовое значение.
- Сохраняйте ориентацию и продолжайте отслеживать провод.
- Если показание становится слишком высоким, отрегулируйте чувствительность. В противном случае казалось бы, что все провода несут сигналы, посылаемые передатчиком.
- Отметьте путь прохождения проводов на отслеживаемой поверхности, чтобы отслеживать направление кабеля.
Как использовать Ideal Circuit Tracer?
Идеальные трассировщики цепей, в отличие от других трассировщиков большого калибра, работают с непревзойденной точностью. Позвольте мне поделиться этими шагами, которые помогут вам максимально эффективно использовать средства трассировки и тестеры Ideal Industries.
- Для скрытой проводки
- Подключите передатчик
- Начните сканирование правильных проводов с помощью приемника.
- Рассмотрите возможность наблюдения за сигналами, отправляемыми с другого конца.
- После того, как место для провода зафиксировано, начните проделывать отверстие в стене, потолке или земле.
- Делаем необходимые решения с разводкой.
- Для автоматических выключателей
- Подключите передатчик
- Установите максимальную чувствительность при поиске правой панели.
- Постепенно уменьшайте чувствительность при переходе через каждый выключатель.
- Посмотрите, какой прерыватель передает сигнал на приемник.
- Устраните проблемы с вашими грузами.
Как пользоваться, ухаживать и хранить?
Ниже приведены советы, которые должен соблюдать каждый пользователь при работе с трассировщиком цепей:
- Большинство схем трассировщиков имеют идентичные механизмы. Их работа включает в себя традиционный плагин передатчиков и запуск приемников над объектом.
- Отличительные черты трассеров заключаются в цифрах на упаковке. Обязательно обратите на них внимание, чтобы установить объем и ограничения вашего использования.
- Не забывайте держать устройство в чистоте и сухом, чтобы предотвратить коррозию и элементы, которые потенциально могут повредить ваш индикатор.
- Сохраните все детали, а также зажимы передатчика в целости и сохранности.
- Поместите весь набор для отслеживания проводов только в одном месте, чтобы вам не было трудностей при поиске каждого компонента, когда они вам понадобятся.
- Держите ваш пакет для отслеживания в недоступном для тех, кто ничего не знает о средствах отслеживания цепей.
- Не забудьте следовать инструкциям, включенным в ваш пакет, чтобы избежать неудач и даже несчастных случаев.
Заключение
Электрические системы — это совсем не игрушки. Вы должны серьезно относиться к каждой детали, независимо от того, какова ваша цель. Независимо от того, создаете ли вы электрическую схему вашего дома, устраняете неисправные соединения или просто занимаетесь своей проводкой, наличие лучшего измерителя электрических цепей сделает каждый шаг легче.
Всегда учитывайте свои потребности и объем инвестиций, которые вы собираетесь вложить. Найдите время, чтобы прочитать инструкции и обзоры экспертов по этим устройствам.
Не стесняйтесь оставлять свои проблемы и вопросы в разделе комментариев. Следите с умом! Хорошего дня!
Найдите скрытые металлические трубы, гвозди, шпильки с помощью этой схемы
В этой статье мы узнаем, как построить 3 полезных схемы, которые могут помочь нам обнаружить и найти металлические трубы, гвозди, шпильки, скрытые или спрятанные под стенами или землей.
Эту схему металлоискателя можно использовать для отслеживания или обнаружения скрытых проводов, гвоздей, трубок или других подобных металлических материалов под слоем, например под стенами, землей, подвалами, деревянной мебелью и т. Д.
При правильной оптимизации этот гаджет распознает металлы определенных размеров с расстояния примерно 18-20 см.
Одно из основных его применений — обнаружение металлических трубок (водяная трубка, газовая трубка, электрический кабель и т. Д.). Их определение очень полезно при сверлении или установке гвоздей на стены.
В любое время, когда проводится идентификация, машина должна быть откалибрована, как показано ниже:
1) Держите металлическую часть образца рядом с катушкой на некотором разумном расстоянии
2) Отрегулируйте потенциометр P полностью вправо, чтобы КРАСНЫЙ светодиод просто загорается.
3) Поворачивайте потенциометр влево, пока КРАСНЫЙ светодиод не погаснет, а ЗЕЛЕНЫЙ светодиод не загорится.
После этого детектор готов к работе. Имейте в виду, что калибровку необходимо повторять время от времени.
В любой момент извещатель обнаруживает наличие металлов, КРАСНЫЙ светодиод загорается, а ЗЕЛЕНЫЙ гаснет.
Катушки L1 и L2, намотанные на ферритовый стержень, должны быть собраны тщательно, осторожно следуя инструкциям на схеме.
Для питания оборудования достаточно двух простых 9-вольтовых батарей. Чтобы прикрыть гаджет, рекомендуется Никогда не использовать металлические корпуса.
Конструкция печатной платы для металлоискателя
Перечень деталей для указанной выше схемы металлоискателя для обнаружения металлических поверхностей под стенкой
Все резисторы —
1/4 Вт, если не указано иное
R1 = 1 M
R2 = 47K
R3 = 1 K
R4 = 330
R5 = 330
PI = 10K
CI = диск 1 нФ
C2 = диск 0,1 мкФ
C3 = диск 0,1 мкФ
C4 = диск 0,1 мкФ
C5 — диск 47 нФ
C6 = 0,22 мкФ.
D1 = M117
D2 = AA117
DL1 = Красный светодиод
DL2 = Зеленый светодиод
IC1 = UA741
T1 = BC237
Диаметр проволоки 0.3 мм
l Феррит = 8X10
1 Гнездо IC 8 контактов
Держатель для 9-вольтовой батареи
2) Другой детектор металлических труб, гвоздей и кабелей
Устройство, описанное в этой статье, помогает поддерживать предметы в максимальной безопасности служа домашнему любителю найти трубы и кабели, заправленные в стены.
Он также используется для поиска крошечных металлических деталей, которые вставляются в стены или деревянные изделия, например, шурупы и гвозди.
На самом деле это своего рода металлоискатель, а это значит, что он никогда не сможет обнаружить неметаллические предметы, такие как пластиковые трубы.
Несколько устройств этого общего типа отлично подходят для обнаружения небольших металлических предметов рядом с поисковой катушкой, однако они практически «слепы» к огромным кускам металла, за исключением того, что они находятся рядом с детекторной катушкой.
В качестве альтернативы, различные другие устройства отлично справляются с удалением больших предметов на некотором расстоянии от поисковой катушки, но при этом обеспечивают незначительную реакцию на более мелкие компоненты металла даже на почти «прямой» дистанции.
Этот кабельный детектор отличается выдающейся чувствительностью как к мелким, так и к крупным предметам, что делает его идеальным для поиска небольших гвоздей прямо под поверхностью или труб, заглубленных на 50–100 миллиметров в стену.
Устройство полностью компактно и также питается от батареи размера PP3. При обнаружении металла существует четкий сигнал от измерителя с подвижной катушкой, который обеспечивает улучшенные показания для черных металлов или минимальные показания для цветных металлов.
Его способность различать два типа металлов может не иметь никакого значения в данной структуре, однако я полагаю, что это может быть полезно в определенных ситуациях.
Как работает электрическая цепь
Полная принципиальная схема для проекта детектора кабеля находится на приведенной ниже диаграмме.IC1 используется в каскаде генератора, который представляет собой обычную нестабильную схему 555.
Значения R1, R2 и C2 обеспечивают почти прямоугольный выходной сигнал с частотой около 20 кГц.
Который включает в себя различные типы металлических локаторов, он имеет преимущество в использовании довольно высокой частоты, однако на самом деле это явно не обеспечивает значительного повышения чувствительности при использовании детектора сдвига фазы.
Для любого локатора, который будет использоваться как локатор «сокровищ», существует особый выигрыш в использовании низкой частоты.
Использование низкой частоты обычно устраняет проблемы с эффектом земли. Проще говоря, это устраняет проблемы с некоторым срабатыванием детектора, когда поисковая катушка приближается к земле, даже если в земле нет металла.
В данном контексте это может быть преимуществом, поскольку стены дома могут создавать очень похожие проблемы.
Испытания прототипа кабельного детектора не выявили видимых изменений показаний счетчика, когда поисковая катушка вставлена рядом со стенами, людьми или другими неметаллическими предметами.01 необходим в качестве буферного усилителя эмиттерного повторителя на выходе генератора, и это также делает главную обмотку поисковой катушки (T1) через токоограничивающий резистор R3.
Рекомендуется использовать первичную и вторичную обмотки поисковой катушки в параллельно настроенных цепях, при этом C3 и C5 действуют как их особые настроечные конденсаторы. C4 соединяет выход вторичной обмотки с усилителем с высоким коэффициентом усиления на основе функционального усилителя IC2.
Этот конкретный каскад представляет собой простой неинвертирующий усилитель, обеспечивающий усиление по напряжению немногим более 200, что достаточно, чтобы гарантировать, что твердый выходной сигнал через T1 сильно ограничен.
Он генерирует практически прямоугольный сигнал, который эффективен при генерации одного входа фазового детектора (IC3). Другой вход 103 управляется напрямую через выход 101. IC3 — это вентиль XNOR на входе 4 КМОП 2 вместо типа XOR, однако он по-прежнему обеспечивает необходимую реакцию на изменения разности фаз.
Логический элемент XNOR — это просто сортировка XOR, получающая на выходе инвертор. Два входных сигнала на IC3 приходят в противофазе, поэтому среднее выходное напряжение ниже, чем в режиме ожидания, а не синфазно, так что создается высокий средний выходной потенциал.
Это важно, поскольку усилитель постоянного тока на выходе схемы рассчитан на небольшой сдвиг на выходе фильтра нижних частот.
Последний представляет собой одноступенчатую пассивную схему (R9 и C8), которая переходит в неинвертирующий усилитель, зависящий от IC4. Коэффициент усиления по напряжению с обратной связью этого каскада немного ниже 200.
В режиме ожидания выходное напряжение через фильтр, вероятно, будет ниже одного вольт, однако этого может быть более чем достаточно для получения полностью положительного выходного сигнала IC4.
Этого можно избежать, подключив цепь отрицательной обратной связи к дворнику RV1 вместо шины питания 0 В. RV1 модифицируется, чтобы компенсировать смещение постоянного тока на входном сигнале и использовать выходное напряжение 101 до примерно одного вольта. ME1 обеспечивается через выход IC4 через последовательные резисторы R15 и R16, которые обеспечивают полную чувствительность около двух вольт.
В условиях покоя счетчик показывает примерно половину полной шкалы. D1 показывает, что нет более чем минимальной перегрузки измерителя, если выход IC4 становится очень положительным.
Помните, что выходной усилитель зависит от того, является ли IC4 операционным усилителем, который может эффективно работать в схемах усилителя постоянного тока с однополярным питанием.
Почти все остальные функциональные усилители никогда не будут правильно работать в положении IC4 этой схемы.
Текущее потребление цепи составляет около 10 миллиампер. Обычной батареи размера PP3 достаточно для ее питания, к тому же она не обязательна для работы с какой-либо батареей «большой мощности».
3) Схема поиска стержней
Следующая схема ниже также объясняет, как построить схему поиска стержней, специально разработанную для обнаружения металлических скрытых труб под стенами, бетонными балками, плиткой для ванных комнат и т. Д.
Одна из самых больших проблем при работе со стенами наличие скрытых водопроводных труб, газовых труб или электропроводки, которые трудно обнаружить.Эта схема упростит работу, позволяя быстро обнаружить любую скрытую металлическую трубу или препятствие под стеной.
Как работает схема
Схема работает по принципу, согласно которому металл поглощает магнитную энергию при воздействии магнитного поля.
Датчик L1 является частью транзистора T1, который представляет собой LC-генератор с частотой около 15 кГц. Переменное напряжение в LC-цепи уменьшается, когда металлический объект забирает энергию из магнитного поля, окружающего L1.
Индуктор L1 может быть построен путем намотки 500 витков эмалированного медного провода на ферритовый стержень длиной около 200 мм и диаметром 10 мм. Толщина провода может составлять от 0,2 мм до 0,3 мм.
Напряжение выпрямляется в IC1, и полученное таким образом постоянное напряжение подается на дифференциальный усилитель IC2.
Индикация включения / выключения может быть получена при сравнении ее с напряжением, предварительно установленным параметром P3. D4 гаснет, когда рядом с L1 оказывается металл.P1 и P3 помогают настроить чувствительность детектора.
Питание в цепь подается от батареи PP3 на 9 В.
Как калибровать
Калибровка этого металлоискателя выполняется установкой P1 на полное сопротивление и подключением осциллографа к коллектору T1.
Теперь отрегулируйте P2, чтобы контролировать пиковое значение осциллятора до точки, когда он находится на грани остановки.
Проверьте это, изменив P3 до точки, при которой светодиод может просто загореться.Если поднести монету к ферритовому стержню, генератор перестанет работать и светодиод перестанет гореть.
Процесс обнаружения может быть инициирован установкой с P1 на максимальное сопротивление, т. Е. На наименьшее пиковое значение генератора, и сглаживание P3 на землю, т.е. на наименьший уровень срабатывания. Приблизительно обнаружив трубы, увеличьте как пиковое значение, так и уровень срабатывания до желаемой точки точности.
Cool Tools: Детекторы цепей | Журнал «Электротехника»
Бесконтактный тестер напряжения является одним из основных инструментов, который носит каждый электрик.Важные дополнительные инструменты включают искатели выключателя и тональные щупы для отслеживания проводов. Сканирующие устройства могут видеть сквозь стены и полы, чтобы идентифицировать провода, каналы и другие объекты.
Тестеры напряженияБесконтактные тестеры напряжения — это «простые портативные устройства в форме ручки, которые обнаруживают электрическое поле, создаваемое наличием переменного [переменного тока] потенциала», — сказал Шон О’Флаэрти, директор по управлению продуктами, Klein Tools, Линкольншир, Иллинойс. .«Когда такое обнаружение совершается, тестер обычно выдает звуковые и визуальные предупреждения».
Последнее поколение расширило дальность обнаружения.
«Способность обнаруживать напряжения от 12 В [вольт] переменного тока до 1000 В переменного тока на одном портативном тестере делает эти продукты очень полезными для электриков, которые могут сталкиваться с множеством различных задач по электромонтажу в своей повседневной работе», — сказал он. сказал. «Независимо от того, устанавливает ли электрик дверной звонок или промышленное оборудование, один и тот же бесконтактный тестер можно использовать для проверки наличия напряжения в месте установки устройства.
«Многие производители занимаются разработкой новых и инновационных продуктов. За последние несколько лет были внедрены бесконтактные тестеры со встроенными фонарями для освещения рабочих мест при слабом освещении и датчиками приближения, которые показывают силу, а не только наличие обнаруживаемого потенциала », — сказал он.
Ричард Векслер, директор по приборам компании Flir Systems, Уилсонвилл, штат Орегон, сказал, что бесконтактный детектор напряжения — незаменимый инструмент для электриков.
«Простые тестеры напряжения развивались в двух основных областях: повышенная универсальность с добавлением встроенных функций и повышенная гибкость с точки зрения регулируемой точности», — сказал он. «Эти устройства размером с ручку часто имеют яркий встроенный светодиодный фонарик или инфракрасный термометр для дополнительной универсальности. Ручки напряжения удобны для проверки проводки или розеток. Но когда проводка проходит за стенами, экраном или кабелепроводом, они могут пропустить цепи под напряжением, и используется бесконтактный датчик тока ».
Кейт Моффатт, старший менеджер по продукции для испытаний и измерений, Гринли, Рокфорд, Иллинойс., отметили, что важной разработкой для бесконтактных детекторов напряжения является наконечник с двумя лезвиями, который работает с устойчивыми к взлому и обычными розетками на 110 В.
«Второе лезвие открывает защитную шторку на розетке с защитой от несанкционированного доступа, поэтому детектором можно очень эффективно пользоваться одной рукой», — сказал он. «Тестеры напряжения также эволюционировали, чтобы включить звук, регулировку чувствительности, использование светодиодов для увеличения яркости, улучшенные поверхности захвата и эргономичные поперечные сечения.
«Еще одно соображение заключается в том, что применение бесконтактных детекторов напряжения очень разнообразно.Пользователи хотят обнаруживать слабые сигналы, но в то же время они хотят обнаруживать только то устройство или проводник, которые им особенно интересны. Это усложняется тем, что часто интересующие устройства очень близки к другим напряжениям. источников », — сказал Моффатт.
Кристофер Фортхаус, старший менеджер по продукции, Ideal Industries, Сикамор, штат Иллинойс, сказал, что большинство электриков имеют в наличии бесконтактные тестеры напряжения и тестеры розеток.
«В целом простые тестеры стали более эргономичными, меньше и легче», — сказал он.«Лучшие тестеры имеют рейтинг CAT III или IV и внесены в список UL, а некоторые теперь оснащены фонариками».
Пейдж Бовард, менеджер группы, Milwaukee Tool, Брукфилд, Висконсин, сказала, что детекторы напряжения являются самым быстрым и простым способом определения напряжения в цепи под напряжением.
«С добавлением многих низковольтных систем некоторые детекторы напряжения теперь могут автоматически обнаруживать низкое напряжение», — сказал Бовард. «Двухдиапазонные датчики напряжения удовлетворяют потребности растущего рынка автоматизации зданий, такие как светодиодное освещение, датчики присутствия, системы управления HVAC и системы безопасности.
«Просто включив инструмент, он осветит рабочую зону, а также обнаружит и дифференцирует системы с напряжением ниже 50 В, которые ранее могли остаться незамеченными. После включения продукт можно разместить рядом с любым проводом, по которому проходит ток, и пользователь будет автоматически уведомлен, если он подает напряжение 10–49 В или 50–1 000 В, с помощью светодиодов разного цвета и звукового сигнала », — сказала она.
Поиск автоматических выключателей«В отличие от искателей автоматических выключателей, зависящих от розетки, в новых инструментах используется беспроводная технология для определения осветительных приборов и даже немаркированных проводов в середине участка», — сказал Векслер.«Компактный передатчик уведомляет электрика на панели выключателя, когда правильная цепь выключена или включена. Распространены модели на основе розеток, но особенно полезны идентификаторы цепей, которые прикрепляются к одному из многих проводов в середине участка ».
Также были разработки в области эргономики.
«Современные средства поиска выключателей также менее утомительны в использовании из-за их эргономичной формы», — сказал Моффатт. «Эти устройства когда-то были гораздо более прямоугольными, а теперь стали более скульптурными.Эти более эргономичные формы также помогают удерживать сигнальные антенны близко к сканируемому объекту для повышения мощности сигнала. Улучшенная обработка сигнала улучшает способность отличать помехи от интересующего сигнала, обеспечивая более надежный результат за меньшее время. Процесс настройки чувствительности стал более автоматизированным, что ускорило использование искателей выключателей ».
Элвин Ли, менеджер по продукции Southwire Tools, Кэрроллтон, штат Джорджия, описал достижения в области поиска выключателей.
«Много лет назад единственным способом идентифицировать конкретный выключатель было отключение выключателя. Что и говорить, это очень неудобно. Сегодняшние искатели выключателей используют передатчик, подключенный к розетке цепи. Передатчик посылает сигнал локатора через выходную проводку. Затем приемник используется на панели для идентификации автоматического выключателя для этой конкретной цепи. Усовершенствованные средства поиска выключателей с GFCI могут определить отдельный выключатель для предотвращения прерывания обслуживания.Этот передатчик также может тестировать розетки, защищенные GFCI », — сказал он.
Между тем, Forthaus сказал, что инструменты продолжают развиваться.
«Обнаружители выключателей [используют] цифровые сигналы и усовершенствованные приемные антенны, что приводит к более быстрой идентификации выключателя и сокращению числа ошибочных определений выключателя», — сказал он. «Некоторые из них были разработаны, чтобы быть более эргономичными, что упрощает их удержание и использование».
Тональные зонды«Наборы тональных датчиков состоят из тонального генератора и датчика», — сказал О’Флаэрти из Klein Tools.«Тональный генератор модулирует электрический сигнал на проводе или проводах, к которым он подключен, и зонд, настроенный на« прослушивание »этого сигнала, можно проследить вдоль пучка смешанных незакрепленных проводов, чтобы найти провода, которые были подключены к тон-генератор. Это обычно используется для идентификации немаркированных проводов путем присоединения тонального генератора к источнику проводов и поиска правильных подключенных проводов в каком-либо месте назначения. Стандартные измерительные приборы, обычно используемые в кабелях передачи данных, не должны подключаться к цепям, подключенным к электросети.”
Харви Трейджер, менеджер по продуктам компании Fluke Networks, Эверетт, Вашингтон, сказал, что наборы тональных сигналов и датчиков важны для широкого круга сотрудников.
«Наборы тональных сигналов и датчиков считаются важным инструментом для многих технических специалистов по обработке данных, подрядчиков, установщиков и технических специалистов, [у которых] обычно есть один в их личном наборе инструментов или в грузовике», — сказал он. «Также часто можно увидеть зонд тонального сигнала, висящий на распределительной панели в коммутационном шкафу. Тонеры и датчики используются для определения прокладки кабелей и используются для проверки правильности подключения кабелей, что полезно для установки и устранения неполадок в новом строительстве или для перемещений / добавлений / изменений.Можно использовать более продвинутые модели, чтобы определить, правильно ли подключен кабель и даже если кабель или его часть подключены к коммутатору Ethernet ».
По словам Векслера, эти комплекты имеют много применений.
«Помимо их полезности для установки телекоммуникационной / передачи данных, комплекты тонального сигнала и пробника полезны для установки и идентификации новой электропроводки или устранения неисправностей в обесточенной проводке», — сказал он. «Сегодняшние более сложные комплекты идентификаторов кабелей оснащены передатчиком, который может идентифицировать множество проводов, а не только один набор проводов за раз.Одна модель может использоваться для одновременной идентификации до 16 проводов ».
Комплекты тонального сигнала и пробника необходимы при трассировке кабелей в пучках.
«Их также можно использовать для прокладки электрических проводов за гипсокартоном», — сказал Ли. «Мощные комплекты тональных сигналов и датчиков могут отслеживать кабели за стенами, но достаточно чувствительны, чтобы идентифицировать отдельные разъемы. Некоторые из них также оснащены сменными насадками, светодиодным фонариком, светодиодным индикатором мощности сигнала, задним динамиком и разъемами для стереонаушников ».
Сканеры для стен и пола«Контроллеры цепей и настенные сканеры — наиболее часто используемые инструменты для поиска / отслеживания скрытых проводников и других объектов», — сказал Фортхаус из Ideal.«Цепные индикаторы являются наиболее эффективными при обнаружении обесточенных / находящихся под напряжением проводников и могут использоваться для поиска многих обесточенных, но проводящих материалов, а также медных труб и коаксиальных проводов, дверных звонков или сигнальных проводов, и это лишь некоторые из них. Наш индикатор также можно использовать для поиска распространенных ошибок сварки и коротких замыканий. Настенные сканеры можно использовать для обнаружения проводящих и непроводящих материалов с интенсивным сканированием ».
Стив Уилкокс, менеджер по продукции Bosch Power Tools, Mount Prospect, штат Иллинойс, сказал, что сверхширокополосная радарная технология обеспечивает эффективность обнаружения до 6 дюймов.
«Эта технология часто имеет до шести режимов обнаружения, включая бетон, мокрый бетон, глубокий бетон, теплый пол, гипсокартон и металл», — сказал он. «Эти сканеры обнаруживают проводку под напряжением, кабелепроводы и трубы, черные и цветные металлы, дерево и пластиковые трубы. Лучшие модели имеют большой дисплей с подсветкой, который показывает глубину и местоположение объекта [центр, относительную ширину и край] ».
Лучший поисковик автоматических выключателей для ваших электрических проектов
Фото: amazon.com
Хотя искатель выключателя не является одним из самых распространенных инструментов в арсенале домашнего мастера, он может оказаться незаменимым для таких домашних обновлений, как установка нового выключателя света, обновление розетки или замена осветительной арматуры. Поиск автоматического выключателя помогает точно определить автоматический выключатель, подключенный к каждой лампе или розетке, поэтому вы можете безопасно отключить прерыватель, чтобы исключить риск поражения электрическим током при добавлении этого диммерного переключателя или установке нового потолочного вентилятора.
Эти удобные устройства включают в себя передатчик, который подключается к розетке или розетке света, и приемник, который сканирует коробку выключателя.Передатчик посылает тональный сигнал по цепи, позволяя приемнику идентифицировать соответствующий прерыватель. Некоторые средства поиска выключателей также могут определять проблемы с проводкой в розетках GFCI (прерыватель цепи замыкания на землю), которые часто встречаются на кухнях, ванных комнатах и на открытых площадках.
В этом руководстве рассказывается о многих важных особенностях, которые следует учитывать при покупке лучшего устройства для поиска выключателей и некоторых из лучших моделей на рынке для домашних мастеров и профессионалов.
- ЛУЧШИЙ В ЦЕЛОМ: Klein Tools ET310 Автоматический выключатель переменного тока
- НАИЛУЧШИЙ ВЗРЫВ ДЛЯ КУЗОВА: Amprobe BT-120 Автоматический выключатель Tracer
- Выбор для обновления : Ideal Industries — 61-534 Цифровой автоматический выключатель
- НАИЛУЧШЕЕ ДЛЯ ПРОФЕССИОНАЛОВ: Extech — 1218G94EA CB10 Поиск выключателя
- НАИЛУЧШИЙ ДЛИННЫЙ ДИАПАЗОН: Klein Tools ET300 Автоматический выключатель Finder
- ЛУЧШИЙ НАБОР: Sperry Instruments CS61200P Поиск автоматического выключателя
- 900 -18 CAPACITY ZAPACITY
- 900 -18 BEST Поиск автоматического выключателя, 277VAC
- НАИЛУЧШАЯ ПРОСТОТА ИСПОЛЬЗОВАНИЯ: VersativTECH 3-в-1 автоматический выключатель Multitool
- НАИЛУЧШИЙ УНИВЕРСАЛЬНЫЙ: Автоматический выключатель Southwire, Finder 41210S
- НАИЛУЧШИЙ АВТОМАТИЧЕСКИЙ: Hi-Tech HTP Цифровой идентификатор автоматического выключателя
Фото: amazon.com
Типы устройств поиска выключателейПоисковые устройства выключателей работают, передавая тональный сигнал через электрическую розетку, принимаемый приемником на коробке выключателя. Точность обнаружения сигнала приемником зависит от его чувствительности. В то время как автоматические поисковые устройства автоматического выключателя предлагают удобство автоматической регулировки чувствительности, ручные устройства позволяют пользователю точно настроить чувствительность.
АвтоматическийАвтоматический выключатель имеет встроенный микропроцессор, который автоматически устанавливает чувствительность устройства, проводя приемником над электрической панелью один или два раза.Искатель автоматического выключателя, который может автоматически откалибровать себя, установит чувствительность на оптимальный уровень, что помогает предотвратить ложные срабатывания от соседних цепей, которые также откладывают тональные сигналы. Поиск автоматического выключателя избавляет от необходимости вручную настраивать чувствительность, что может быть затруднительно для новичков в использовании средства поиска выключателя.
ManualРучные автоматические выключатели включают шкалу, которая позволяет пользователю точно настраивать чувствительность искателя выключателя для повышения его точности.Этот параметр полезен для тех, кто живет в густонаселенных районах, где требуется более низкая чувствительность, чтобы избежать помех от сигналов от других источников. Ручное управление больше подходит профессиональным электрикам, которые привыкли использовать искатель автоматического выключателя.
Фото: amazon.com
Что следует учитывать при покупке лучшего средства поиска автоматических выключателейКак и в большинстве домашних проектов, для работы со схемами требуются правильные инструменты. Способность автоматического выключателя работать с розетками или осветительной арматурой, а также возможность тестирования GFCI являются важными факторами, которые следует учитывать при покупке одного из этих инструментов.Впереди узнайте больше об этих и других важных факторах, которые следует учитывать при покупке устройства для поиска выключателя.
Сертификат ULПоскольку искатели выключателей работают с токами под напряжением, они могут быть опасными. Эти продукты требуют, чтобы пользователь вставил передатчик в электрическую розетку под напряжением. Некачественно изготовленный продукт может повредить электрическую цепь или вызвать поражение электрическим током.
Для обеспечения безопасности продукта используйте только искатели автоматических выключателей, имеющие сертификат UL.Потребительские товары с сертификатом UL были сертифицированы Underwriters Laboratories, организацией, которая сертифицирует безопасность новых технологий для использования потребителями с конца 1800-х годов. Ищите товарный знак UL на продукте.
Возможность тестирования GFCIИскатели выключателей могут делать больше, чем просто определять, какая цепь идет с каждым осветительным прибором или розеткой. Они также могут определить, правильно ли работает розетка прерывателя цепи замыкания на землю (GFCI), сообщив о состоянии проводки в цепи.
РозеткиGFCI имеют встроенные прерыватели, которые прерывают цепь в случае замыкания на землю, чтобы предотвратить поражение электрическим током. Розетка GFCI имеет две маленькие кнопки между двумя трехконтактными входами, обозначенными «тест» и «сброс», которые проверяют работу встроенного прерывателя и сбрасывают его, если прерыватель срабатывает. Розетки GFCI работают быстрее, чем автоматический выключатель в коробке выключателя, чтобы перекрыть поток электричества, поэтому они служат важной функцией безопасности.
Поскольку при попадании воды в контур может произойти замыкание на землю, большинство выходов в ванных комнатах и кухнях или снаружи дома имеют выходы GFCI.Одна розетка GFCI обычно контролирует несколько розеток в комнате. В искателях выключателей, которые могут определить проблемы с проводкой GFCI, используются два или три цветных светодиода, чтобы указать, неисправна ли проводка.
ЧастотаПоиск выключателя работает с использованием приемника, который обменивается данными с передатчиком. Приемник подключается к розетке и посылает сигнал по проводу на блок выключателя. Определив эту частоту, средство поиска автоматического выключателя может найти правильный выключатель для розетки, переключателя или розетки.Чтобы это работало, приемник должен отличать частоту передатчика от других частот, перемещающихся вверх и вниз по домашним электрическим линиям. Именно здесь в игру вступает чувствительность искателя выключателя.
Приемник, работающий с более высокой чувствительностью, может легче улавливать сигнал, посланный передатчиком. Однако он также может улавливать сигналы от других цепей или даже электромагнитные волны, излучаемые другой электроникой, что может вызывать ложные срабатывания. Понижение чувствительности может позволить приемнику более легко отличать сигнал, выдаваемый передатчиком, от других сигналов.Определители автоматического выключателя автоматически устанавливают эту чувствительность на оптимальный уровень, в то время как ручные модели требуют, чтобы пользователь регулировал чувствительность с помощью шкалы.
НапряжениеОпределители автоматического выключателя имеют максимальное напряжение. Большинство искателей автоматических выключателей для дома будут работать в стандартных цепях на 120 вольт. Это покрывает большую часть электрических цепей дома, за исключением тех, которые работают с более крупными приборами, такими как сушилки для одежды, в которых используются цепи 220 В.
Искатели автоматических выключателей, разработанные для использования в промышленных условиях, имеют максимальное напряжение, достигающее 270 вольт или более, для работы с высоковольтными цепями.Для большинства домов достаточно автоматического выключателя с максимальным напряжением 120 В, в то время как профессиональным электрикам может потребоваться автоматический выключатель с более высоким напряжением.
Максимальная отключающая способностьПри определении автоматических выключателей в доме важно знать максимальную отключающую способность цепей. Это максимальный ток короткого замыкания, который автоматический выключатель может отключить без сбоя. Например, стандартный автоматический выключатель на 15 А может выдержать до 1800 Вт до отключения автоматического выключателя.Выключатель на 20 ампер может выдержать до 2400 Вт мощности до срабатывания.
Чтобы определить, какая нагрузка находится на выключателе, сложите мощность всех электрических устройств, подключенных к одной цепи. Сумма не должна превышать максимальную отключающую способность выключателя. Например, 15-амперная схема может работать с обогревателем на 1500 Вт и 50-дюймовым ЖК-телевизором на 150 Вт (всего 1650 Вт) без отключения выключателя. Отключая питание, прерыватель предотвращает перегрев цепи и возгорание.
Советы по покупке и использованию лучших средств поиска выключателейПри покупке лучшего средства поиска выключателей для дома важно рассмотреть несколько советов, которые помогут найти правильную модель для электрической системы вашего дома.
- Убедитесь, что он соответствует требованиям максимальной мощности. Для большинства случаев домашнего использования достаточно найти автоматический выключатель с максимальным напряжением 120 вольт. Для идентификации цепей в промышленных условиях может потребоваться искатель автоматического выключателя с более высоким максимальным напряжением 270 вольт.
- Купите модель, которую легко откалибровать. Искатели автоматических выключателей должны сделать процесс согласования розеток и осветительной арматуры с автоматическими выключателями быстрым и легким.Если вы новичок в использовании средства поиска выключателя, выберите тот, который будет автоматически откалиброван для коробки выключателя, что сэкономит время, избавляя от необходимости выполнять эту задачу вручную.
- Купите модель, которая может тестировать цепи GFCI. Большинство автоматических выключателей имеют передатчики, которые определяют проблемы с проводкой в цепях GFCI, а также помогают согласовать розетки с выключателями. Эта дополнительная функция может помочь предотвратить опасность поражения электрическим током в доме до того, как произойдет несчастный случай.
- Рассмотрим любые необходимые переходники. Большинство искателей автоматических выключателей работают с трехконтактными розетками. Если вы пытаетесь пометить все цепи в монтажной коробке, этого будет недостаточно. Ищите модели, которые включают в себя адаптеры для проверки розеток для лампочек и двухконтактных розеток (если вы живете в старом доме) или инструменты, совместимые с наборами адаптеров в качестве аксессуаров.
В приведенном ниже списке учтены приведенные выше соображения, чтобы сократить область поиска до одних из лучших на рынке устройств для поиска автоматических выключателей.Любой из перечисленных ниже продуктов поможет подобрать электрические розетки в вашем доме к соответствующим автоматическим выключателям.
Фото: amazon.com
Хороший поиск выключателя должен сэкономить время, избавляя от необходимости многократно переключаться назад и вперед к монтажной коробке, чтобы определить, какой выключатель какой электрической розеткой управляет. Имея это в виду, искатель выключателя должен быть простым в использовании, как эта модель от Klein. Вставьте трехконтактный передатчик в розетку и просканируйте коробку выключателя, чтобы быстро определить правильный выключатель.
Этот тестер работает с цепями от 90 до 120 вольт, что подходит для большинства бытовых электрических систем. Он также проверит розетки GFCI, чтобы убедиться, что они правильно подключены с помощью легко читаемых световых кодов. Когда передатчик не используется, он легко подключается к приемнику, поэтому отдельные детали не теряются.
Фото: amazon.com
Благодаря простой в использовании конструкции и доступной цене, искатель автоматического выключателя Amprobe является отличным вариантом для домашних мастеров, которым время от времени требуется совместить автоматические выключатели с электрическими розетками.Эта модель рассчитана на работу в цепях от 90 до 120 вольт, что делает ее подходящей для большинства домов.
Автоматическая регулировка чувствительности упрощает использование этого устройства. Просто подключите передатчик и проведите приемником над блоком выключателя, чтобы он соответствовал выключателю. Большая зеленая стрелка указывает расположение выключателя. На передатчике загорается красный свет, чтобы пользователь знал, что он включен и готов к идентификации. Светодиодная система позволяет пользователю подтверждать показания приемника, так как отключение согласованного прерывателя также приведет к отключению соответствующего светодиодного индикатора на приемнике.
Фото: amazon.com
Благодаря способности работать с несколькими типами электрических розеток, эта модель предлагает более комплексные средства идентификации автоматических выключателей. Передатчик работает с двухконтактными розетками или розетками для лампочек, а также с трехконтактными розетками. Приемник калибруется автоматически для быстрой идентификации цепей без необходимости настройки чувствительности.
Датчик также четко определяет любые проблемы с замыканием на землю в розетках GFCI с помощью трех цветных индикаторов и кодов проводки, четко напечатанных на устройстве.Дополнительные функции включают удобную функцию автоматического отключения, которая отключает устройство после 10 минут простоя для экономии заряда батарей. Он также имеет приемник, который издает предупреждающие звуковые сигналы, если он не может точно идентифицировать сигнал от передатчика, предотвращая ложные показания.
Фото: amazon.com
Благодаря возможности проверки неисправности проводки и ручному регулятору чувствительности этот искатель выключателя является отличным вариантом для электриков. Как и другие средства поиска выключателей, эта модель обеспечивает простоту подключения и позволяет устройству быстро найти нужный выключатель, соответствующий розетке или розетке.
Кроме того, он позволяет пользователю вручную регулировать чувствительность с помощью шкалы, увеличивая чувствительность для быстрого считывания или понижая ее для большей точности. Светодиодные индикаторы на приемнике имеют стрелку, указывающую точное местоположение выключателя, что исключает ошибки. Эта модель также издает более громкий звуковой сигнал, чем другие модели, при распознавании выключателя, что делает ее идеальной для работы на шумных рабочих площадках. Передатчик также функционирует как тестер GFCI, который выявляет широкий спектр неисправных проблем с проводкой с помощью легко читаемых световых кодов.
Фото: amazon.com
При работе в больших домах или на промышленных предприятиях коробка выключателя может находиться далеко от соответствующих электрических розеток. Из-за этого приемнику и передатчику может быть сложно найти друг друга. ET300 с радиусом действия 1000 футов отлично справляется со своей задачей, что делает его отличным вариантом для идентификации выключателей в больших помещениях.
ET300, который работает с розетками до 120 вольт, использует микропроцессор для анализа частот, что делает его более точным, чем другие модели.Ярко-зеленая стрелка на приемнике указывает расположение правильного выключателя. У этой модели также есть несколько аксессуаров, которые можно приобрести отдельно для розеток и даже оголенных проводов.
Фото: amazon.com
Хотя поиск автоматического выключателя, который может идентифицировать соответствующий выключатель для розетки, полезен, он не поможет для других типов электрических розеток. Эта модель от Sperry Instruments выходит за рамки идентификации розеток и включает в себя набор аксессуаров, который может отслеживать переключатели, осветительные приборы и неизолированную проводку.
Инновационный дизайн также упрощает использование. Приемник имеет магнитную заднюю часть, которая прикрепляется к дверце блока выключателя. Небольшой щуп, выходящий из приемника, позволяет пользователю обнулять каждый выключатель, обеспечивая точную идентификацию правильного выключателя. Помимо отправки сигнала по линии на приемник, передатчик также может проверить цепь GFCI на наличие неисправной проводки. А когда он не используется, передатчик прикрепляется к нижней части приемника для хранения.
Фото: amazon.com
Для работы над промышленными проектами требуется искатель выключателя, способный определять цепи с более высоким напряжением. В то время как большинство автоматических выключателей имеют максимальное напряжение 120 вольт, эта модель от Zircon достигает 277 вольт, что делает ее идеальной для промышленного использования. Его конструкция также более универсальна, чем у других искателей автоматических выключателей. Вместо стандартной трехконтактной вилки к передатчику прикрепляются отдельные ножки, что позволяет использовать его со стандартными двух- и трехконтактными вилками, а также с международными вилками.В этот комплект также входит переходник для розетки и когти типа «крокодил» для оголенных проводов.
Приемник калибруется автоматически, что упрощает использование. Просто проведите приемником над монтажной коробкой один раз, и он будет готов идентифицировать выключатели. В этот набор входит удобный металлический футляр для переноски, в котором передатчик, приемник и аксессуары хранятся в порядке.
Фото: amazon.com
Этот искатель выключателя включает несколько удобных дополнительных функций, которые упрощают идентификацию выключателя на монтажной коробке.Блоки выключателей часто находятся в местах с плохим освещением или вообще без него. Этот искатель имеет встроенный светодиодный источник света, который помогает освещать электрическую коробку во время работы.
Поскольку поисковые устройства для автоматического выключения не являются инструментами, которые регулярно использует средний домашний мастер, на стороне этой модели для удобства есть инструкции, напечатанные для справки. Передатчик включает в себя встроенный тестер GFCI со световыми кодами, напечатанными на его стороне, а микропроцессор автоматически настраивает устройство на нужную чувствительность.Приемник имеет светодиодные индикаторы с этикетками, которые помогают пользователю быстро определить, когда приемник определил правильный выключатель, а когда в приемнике разряжена батарея. В эту модель также входит удобный футляр для переноски.
Фото: amazon.com
Благодаря входящему в комплект комплексному набору переходников этот искатель выключателя позволяет пользователю проверить практически каждый выключатель в доме. Чтобы провести тщательную проверку автоматических выключателей в доме, необходимо иметь возможность проверить розетки и, в некоторых случаях, оголенные провода, а также стандартные трехконтактные розетки.Эта модель поставляется с наборами аксессуаров, которые позволяют пользователю протестировать все три.
Как и другие комплекты, модель Southwire включает в себя приемник и передатчик. Передатчик подключается к любой трехконтактной розетке на 120 В. Приемник автоматически калибруется по коробке выключателя, и когда приемник находится над правым автоматическим выключателем, загорается яркий зеленый светодиод. Эта модель также включает трехминутное обучающее видео, что делает ее идеальной для новичков в использовании средства поиска выключателя.
Фото: amazon.com
Благодаря встроенному микропроцессору и функциям, которые помогают продлить срок службы батареи, эта модель от Hi-Tech Electronics является отличным выбором для тех, кто не хочет хлопот ручной настройки чувствительности. Для калибровки этой модели требуется всего один проход над коробкой выключателя. Большой зеленый светодиодный индикатор указывает на то, что приемник определяет правильный выключатель, что упрощает использование.
Этот инструмент также включает функцию автоматического отключения, которая отключит устройство после 10 минут бездействия для экономии заряда батареи.Hi-Tech также продает комплект принадлежностей для проверки патронов лампочек или оголенных проводов. Эта модель будет работать с цепями от 90 до 120 вольт. У него нет возможности тестирования GFCI.
Преимущества владения лучшими искателями автоматических выключателейХотя искатели выключателей являются обязательным инструментом для электриков, они также удобны для домашних мастеров. Ниже вы узнаете о преимуществах поиска автоматического выключателя.
- Делает работу с электрическими системами безопаснее. Хотя модернизация стандартного переключателя света на переключатель диммера или замена осветительной арматуры — это относительно простые проекты, сделанные своими руками, они могут быть опасными, поскольку связаны с работой с электричеством. Поиск выключателя позволит пользователю найти и отключить цепь, над которой он будет работать, для обеспечения безопасности.
- Позволяет пользователю маркировать коробку выключателя. Хорошо маркированная коробка выключателя упрощает идентификацию цепей в вашем доме, позволяя определить потенциальные розетки или осветительные приборы, которые могут отключать выключатель.
- Определите проблемы с проводкой. Большинство средств поиска выключателей делают больше, чем просто идентифицируют выключатели; многие также выявляют потенциальные проблемы в проводке, что позволяет устранить эти проблемы до того, как они станут опасными.
Если вам интересно, как работают автоматические выключатели или как найти проводку в стенах вашего дома, то прочтите ответы на некоторые из наиболее часто задаваемых вопросов о электрические схемы в доме.
В. Как мне узнать, какого размера использовать автоматический выключатель?Сначала рассчитайте общую мощность, потребляемую схемой, затем разделите это число на 240 вольт, чтобы получить силу тока, необходимую для автоматического выключателя. Затем выберите автоматический выключатель, который превышает это число. Если в цепи используется ток 28 А, используйте автоматический выключатель на 30 А.
В. Как отследить электрическую цепь в доме?Отследить электрическую цепь через стену может быть непростым процессом.Чтобы сделать это, не повредив стену, вам понадобится магнитный прибор для обнаружения проводов. Используя это устройство, вы можете отследить провода от розетки или розетки до блока выключателя.
В. Как не просверлить проволоку?Как и в случае с отслеживанием электрической цепи дома, вам понадобится магнитный прибор для поиска шпилек, который может обнаруживать провода, чтобы определить, есть ли провод в области, которую вы планируете пробурить.
